Seat wiring harness pinout needed

Tiny
A11M1GHTY
  • MEMBER
  • 2010 LINCOLN MKT
  • 3.5L
  • V6
  • TURBO
  • 4WD
  • AUTOMATIC
  • 99,950 MILES
Need seat wiring harnesses pin out for front heatedcooled seats.
Thursday, December 24th, 2020 AT 2:11 PM

3 Replies

Tiny
KASEKENNY
  • MECHANIC
  • 18,907 POSTS
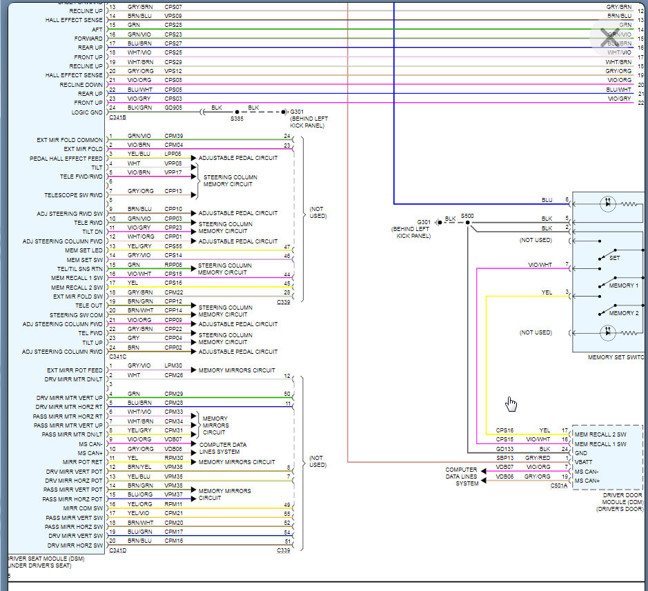
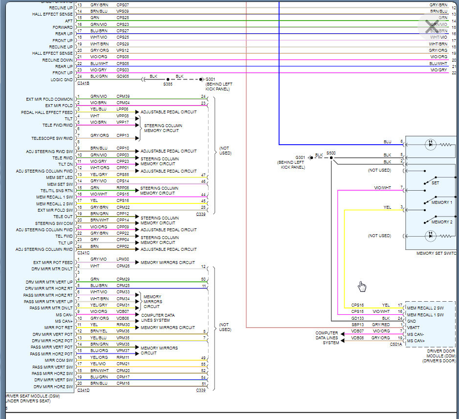
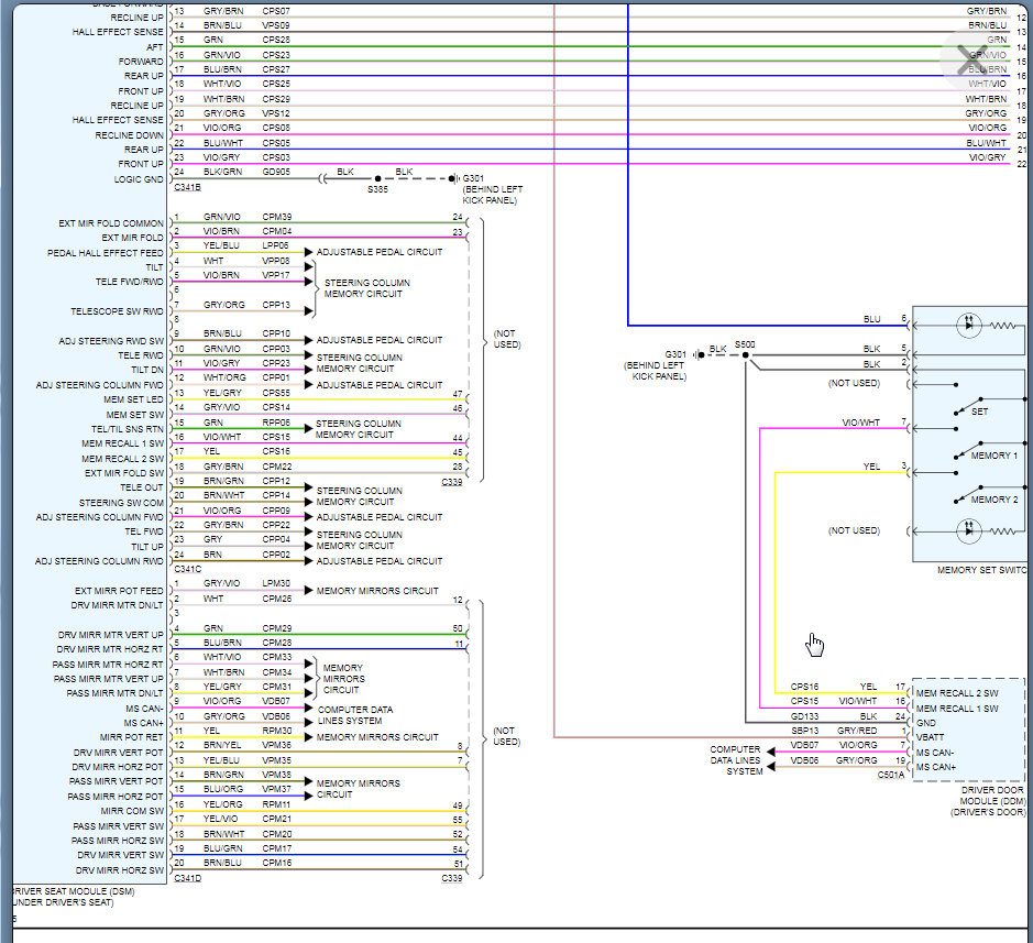
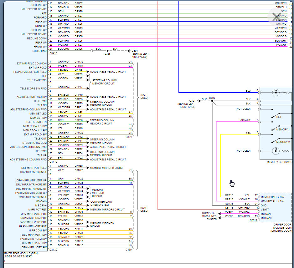
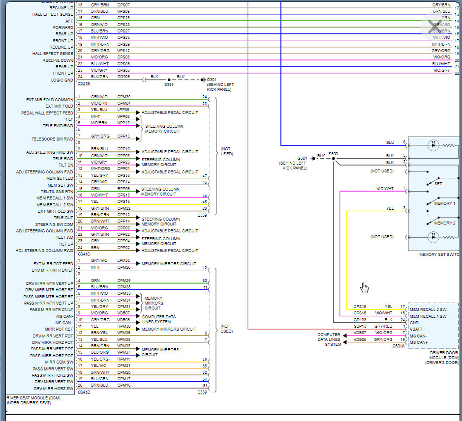
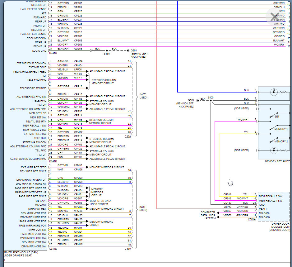
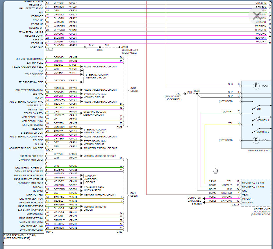
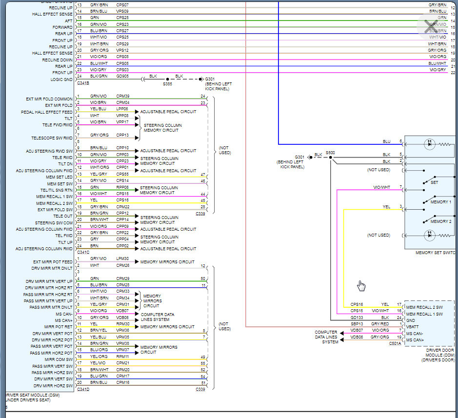
I am attaching the requested info below. Let us know if you need other info. Thanks
Was this
answer
helpful?
Yes
No
+2
Thursday, December 24th, 2020 AT 2:25 PM
Tiny
A11M1GHTY
  • MEMBER
  • 2 POSTS
Thanks! When I try to compare the wire coloring to what's on the schematics, it doesn't match up to those on the wiring harness. Please see the attached.

The dual pigtails are on the drivers seat and the single is under the passenger seat.
Was this
answer
helpful?
Yes
No
Thursday, December 24th, 2020 AT 3:07 PM
Tiny
KASEKENNY
  • MECHANIC
  • 18,907 POSTS
Those connectors do not appear to be for the heated and cooled seats. Are these the connectors for the modules that are under the front seats? If so, those are the driver and passenger seat modules which are different. I attached the wiring diagram for the driver seat module.

This should match the wiring you are showing.
Was this
answer
helpful?
Yes
No
Thursday, December 24th, 2020 AT 4:33 PM

Please login or register to post a reply.