Seat motor not working properly

Tiny
MNOYES1
  • MEMBER
  • 2016 NISSAN ROGUE
  • 40,000 MILES
The power drivers seat will only go forward and is now stuck in the very most forward position. I was told the seat motor needed replacing. They also said they needed to replace the seat too. Why would the seat need replacing? I feel the dealership is trying to scam me. They are saying the cost will be $1,600.00.
Friday, August 21st, 2020 AT 5:02 PM

1 Reply

Tiny
KASEKENNY
  • MECHANIC
  • 18,907 POSTS
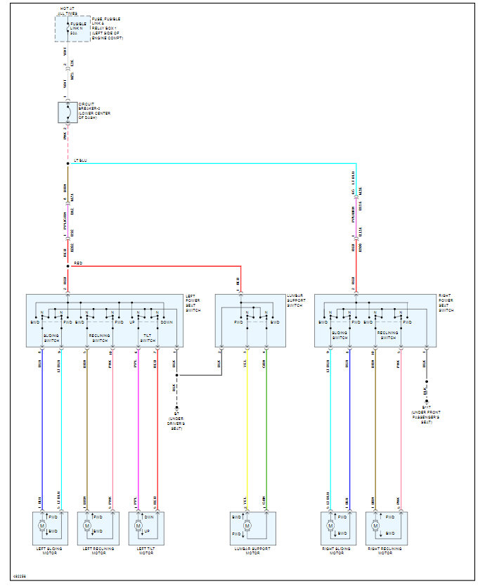
The only reason the motor needs to be replaced is if the motor cannot reverse direction. The switch does this by sending voltage to one side of the motor and then the other to get it to go in the other direction. So I assume they ran a jumper wire to the motor and it would not reverse direction.

If you feel the dealer is not accurate with what they are saying, I would do two things. First call and ask how they determined the motor needs to be replaced. They should tell you something like this to confirm the issue. Next if you still doubt them you can get a second opinion.

As for the seat needing to be replaced, they may be correct on this. I am not finding any listing for just the motor or a process on how to replace it. So that may mean it is only available as part of the seat.

This would be another question for why they are recommending the entire seat.

Let me know what they say and we can go from there. Thanks
Was this
answer
helpful?
Yes
No
+1
Friday, August 21st, 2020 AT 5:29 PM

Please login or register to post a reply.