Driver's seat heater not working

Tiny
RADAR1943
  • MEMBER
  • 2009 LINCOLN MKX
  • 3.6L
  • V6
  • 4WD
  • AUTOMATIC
  • 47,000 MILES
Drivers front seat heat does not work passenger seat does work.
Sunday, May 13th, 2018 AT 8:18 AM

1 Reply

Tiny
KEN L
  • MASTER CERTIFIED MECHANIC
  • 55,481 POSTS
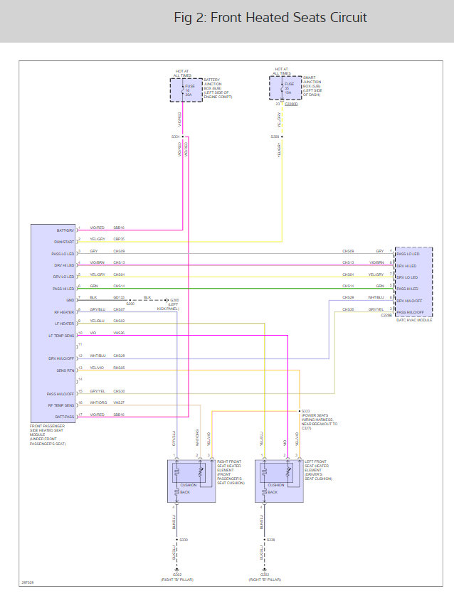
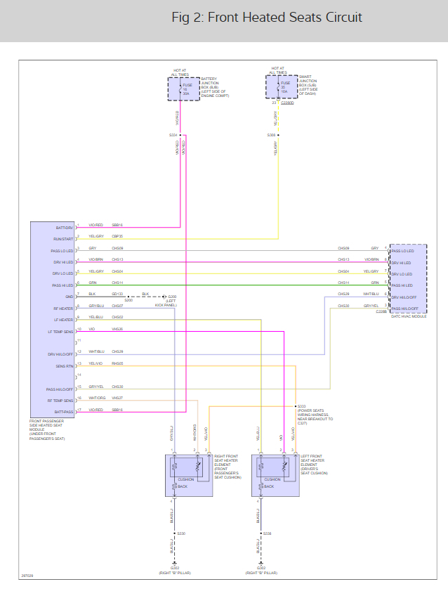
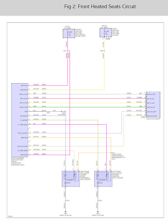
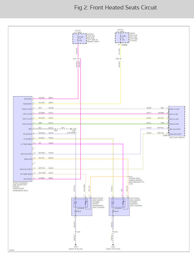
It sounds like the drivers seat control module has gone out which is common, but to make sure lets check for signal from the module to the seat heater element before we replace it. Here is a guide to help you do the test:

https://www.2carpros.com/articles/how-to-use-a-test-light-circuit-tester

Below are the wiring diagrams and module locations fro both the drivers and passenger seat.

Check out the diagrams (below). Please let us know what you find.

Cheers, Ken
Was this
answer
helpful?
Yes
No
Monday, May 14th, 2018 AT 11:18 AM

Please login or register to post a reply.