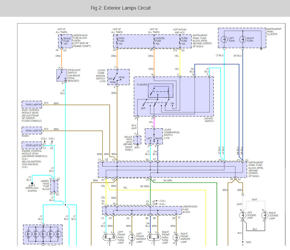
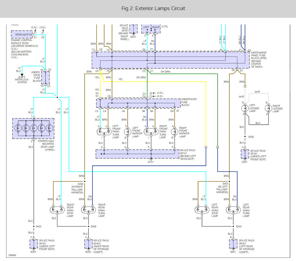
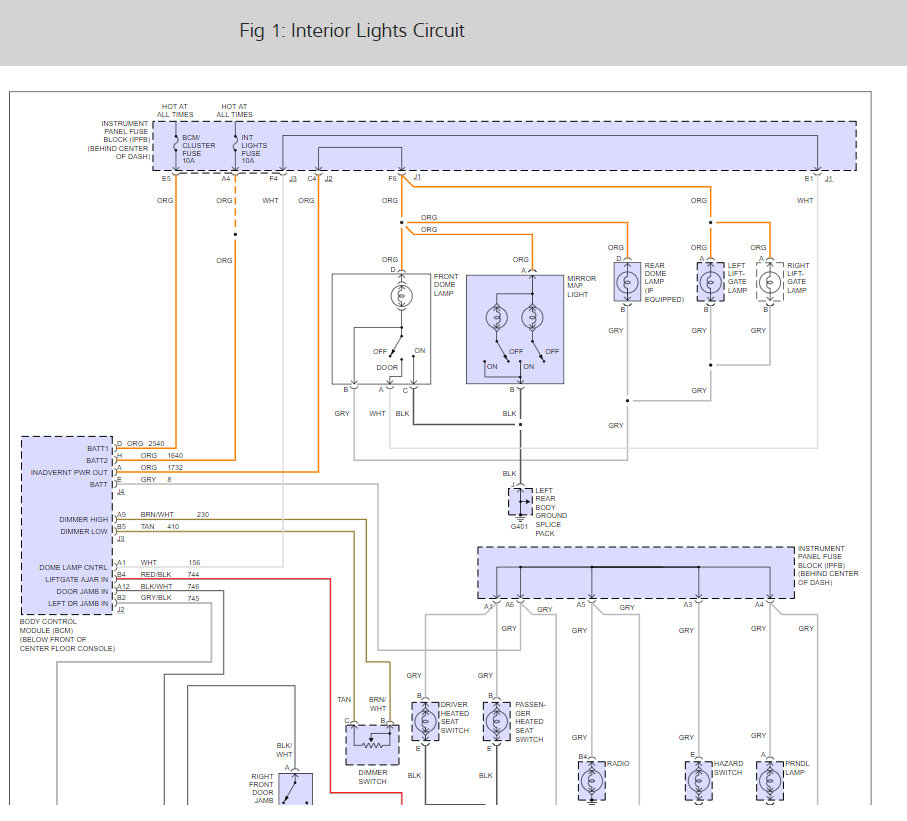
Tuesday, August 10th, 2010 AT 2:06 PM
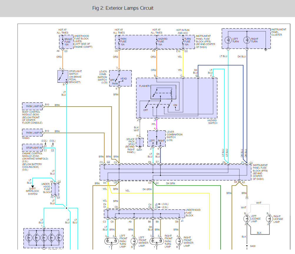
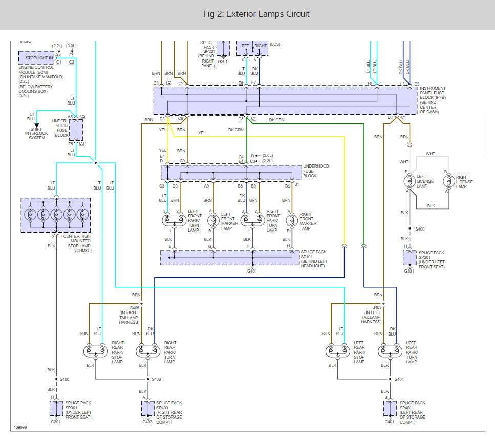
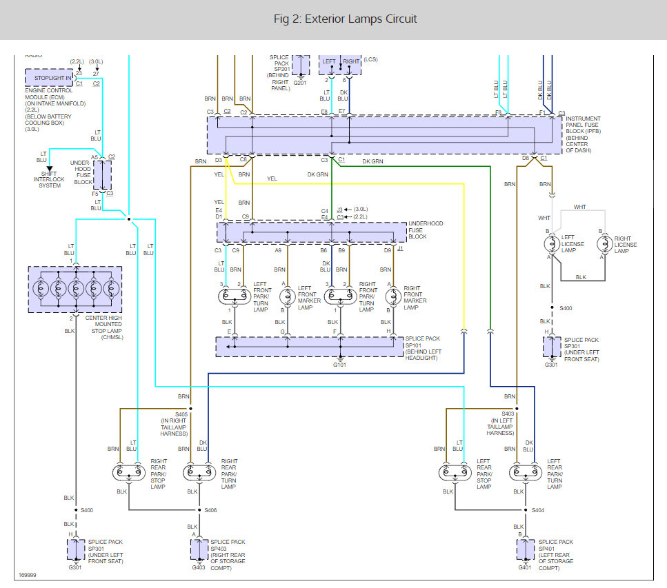
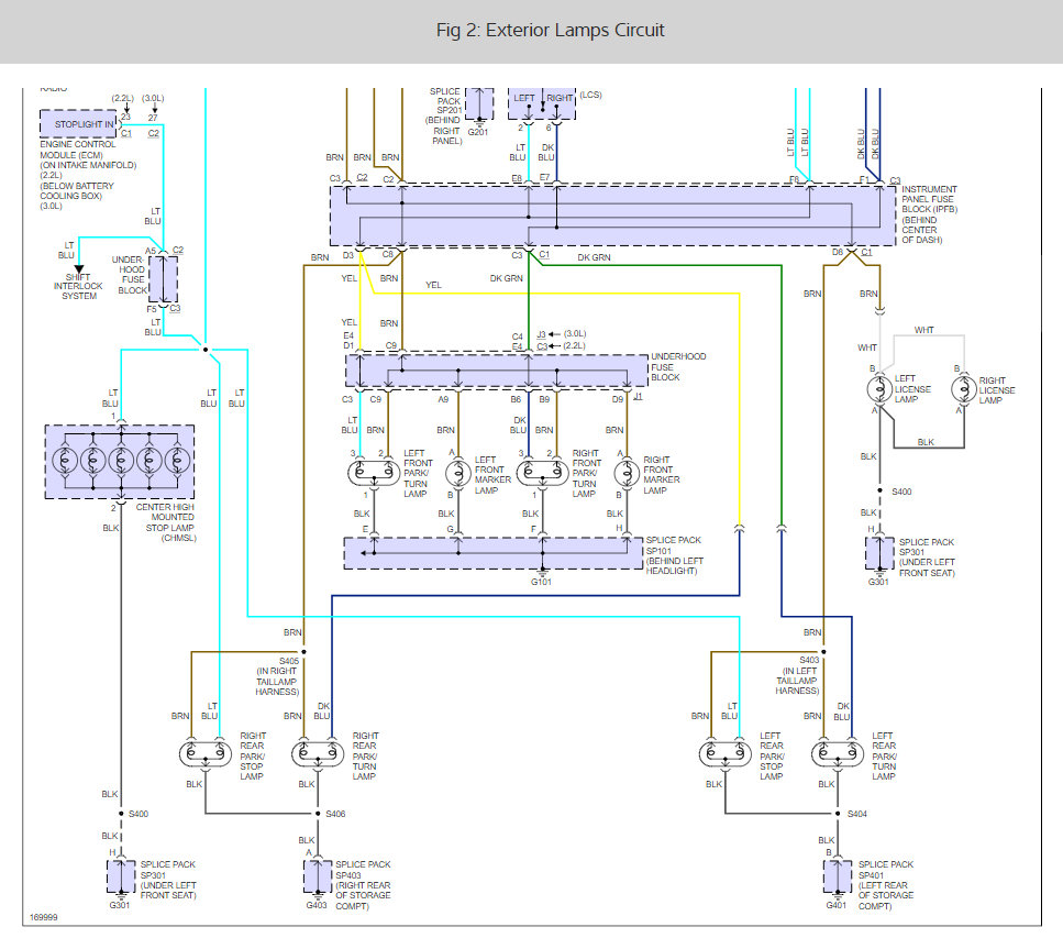
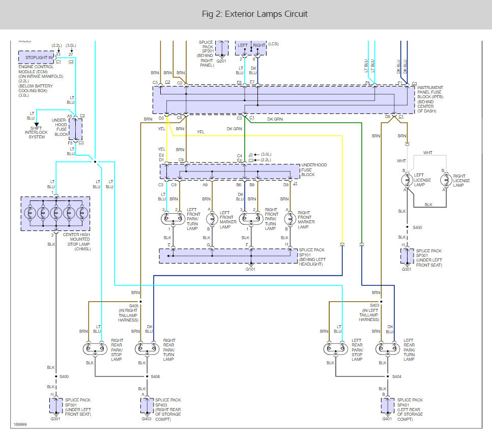
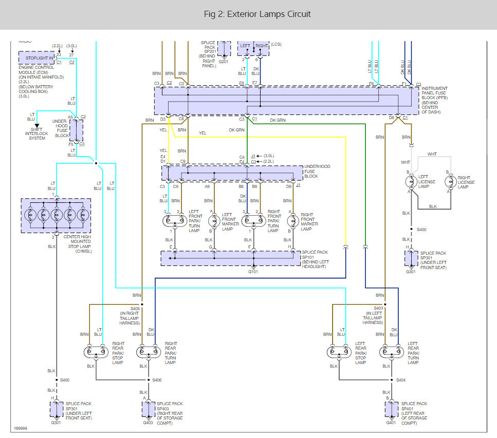
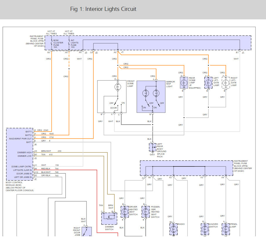
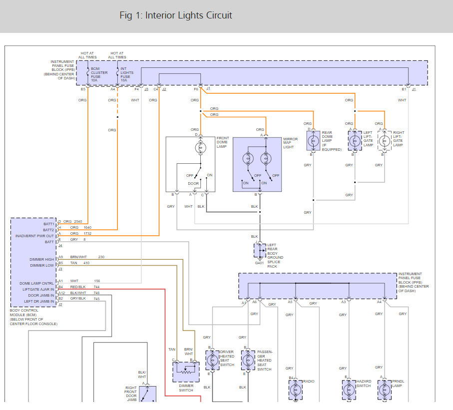
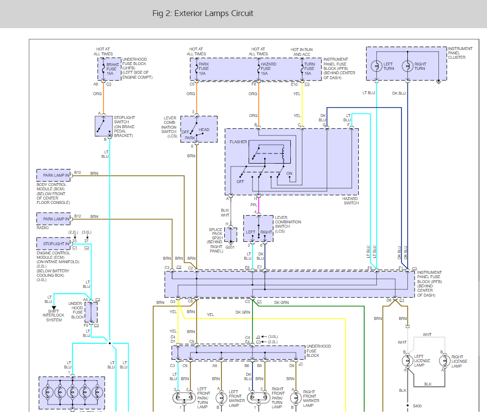
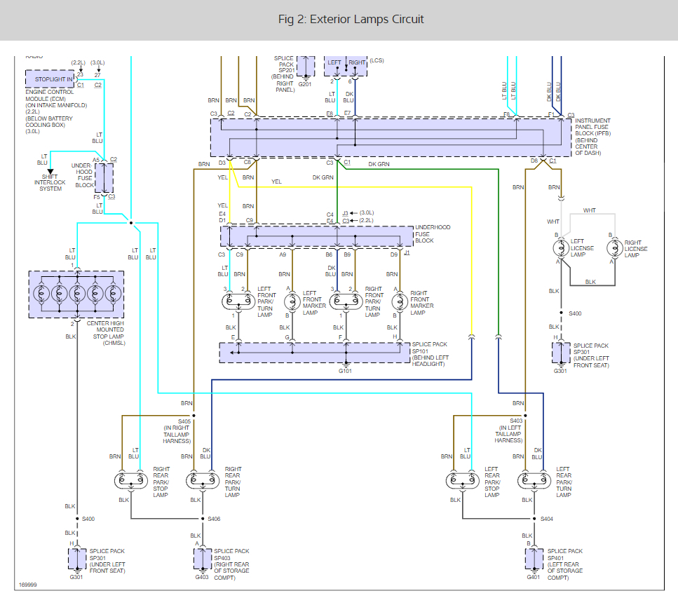
I have an 03 Saturn Vue, about 3 weeks ago my dash lights went out and now my tail lights are out. I have blinkers, hazards, brake lights, head light, DTR, reverse lights, everything else works. What could be the problem?











