Monday, October 27th, 2008 AT 4:21 PM
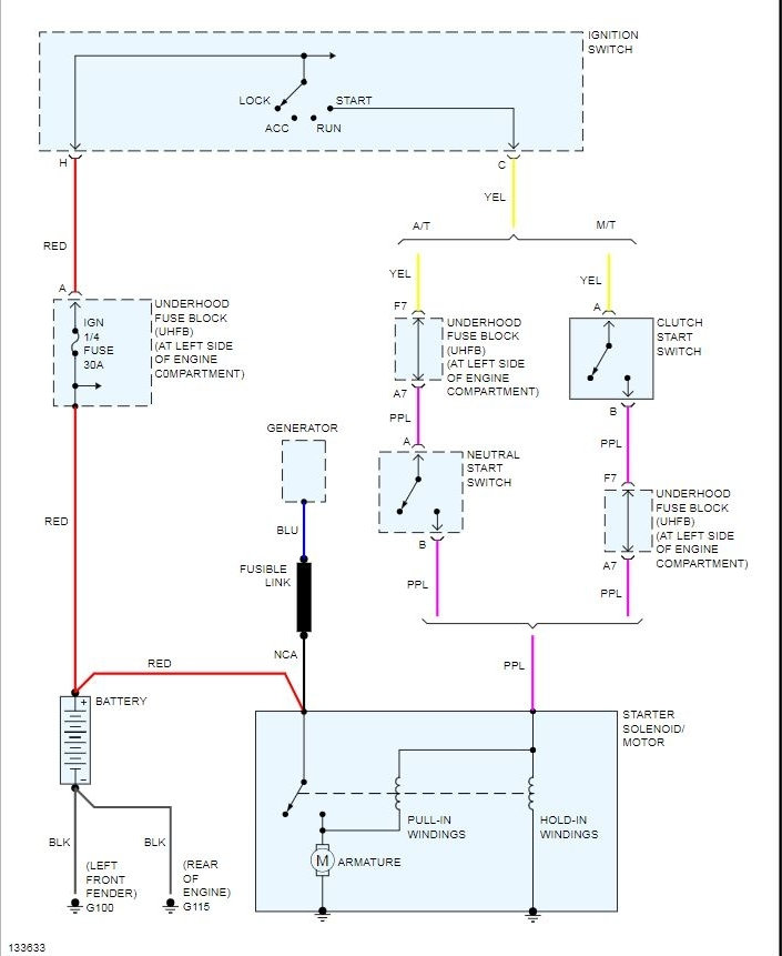
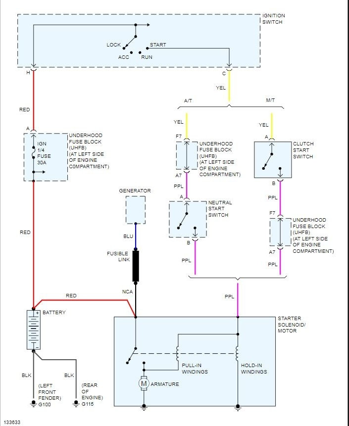
When I try to turn the car on from the ignition it hardly works. When I directly start it from the starter it starts right up. I turn the ignition key on and everything's normal I turn it to start the vehicle and there is no clicking noise and the power is normal it just doesn't click, turn or nothing. I replaced the ignition switch in the back and it's still the same. Can you help me out?






