Monday, October 18th, 2010 AT 9:58 AM
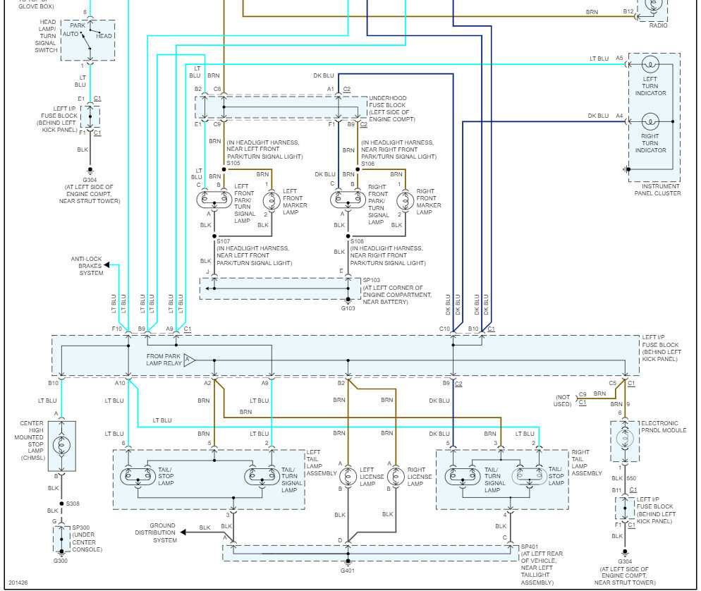
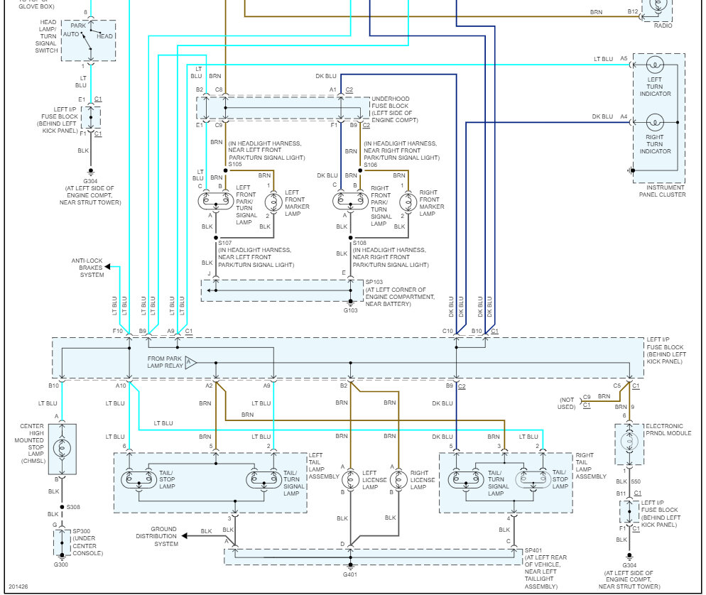
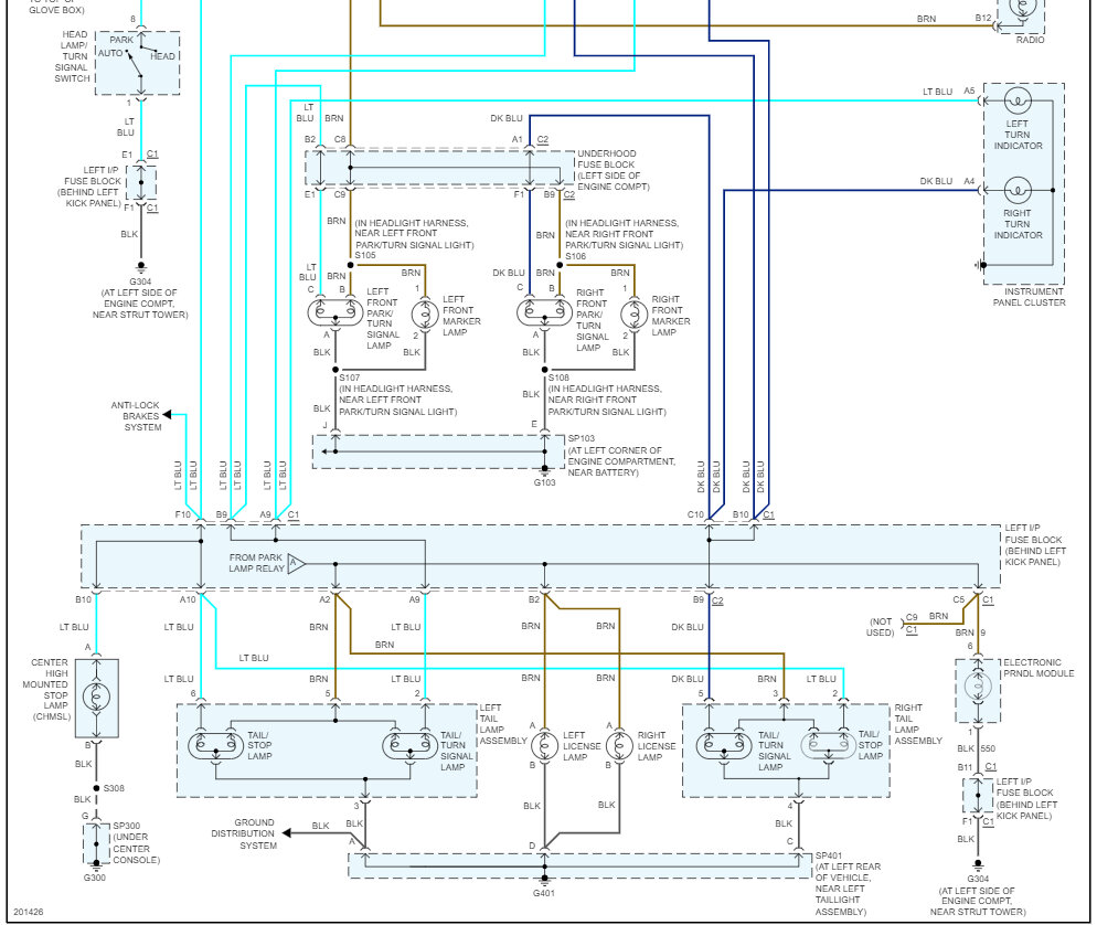
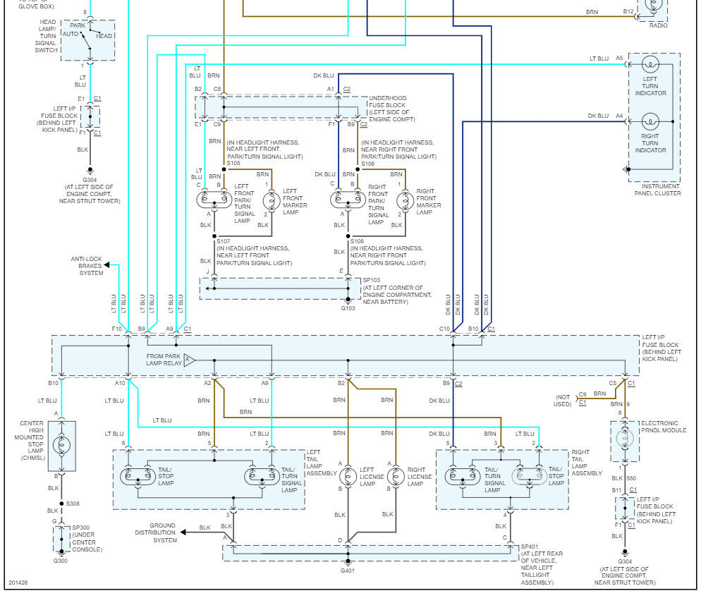
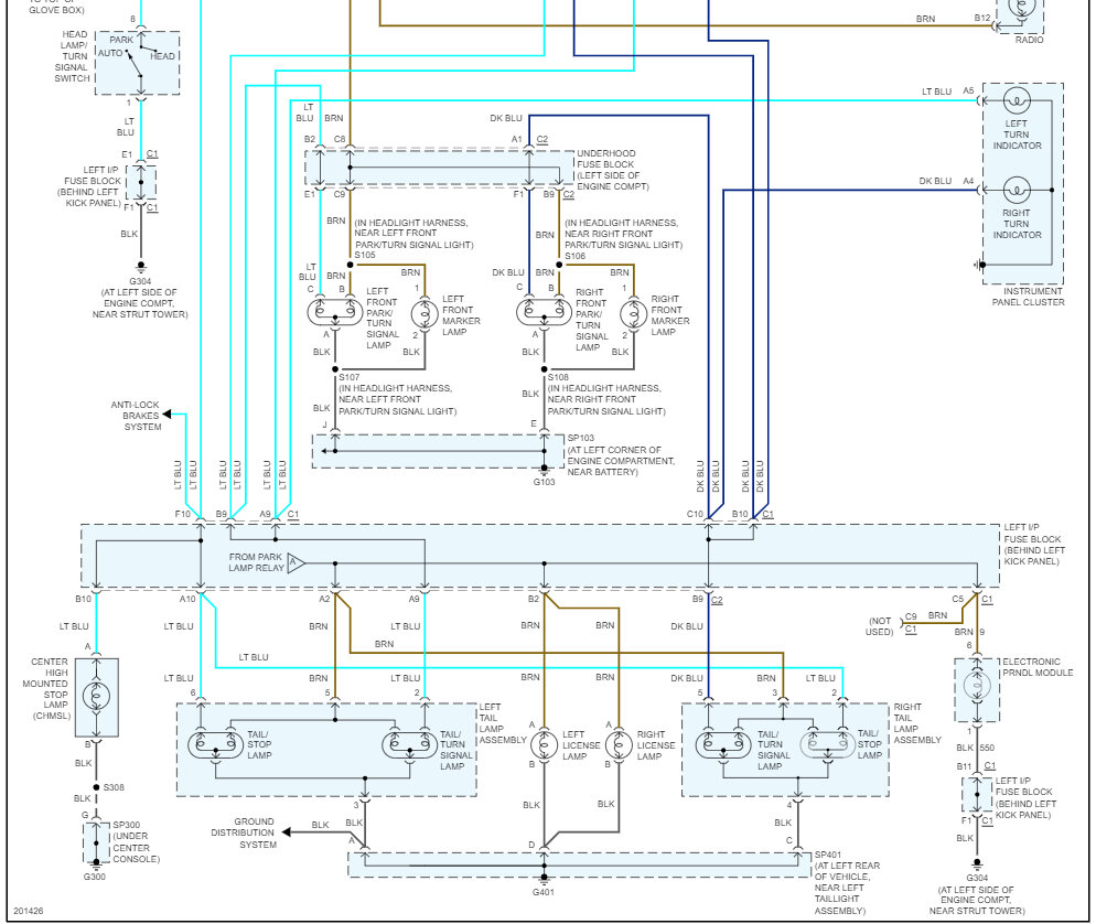
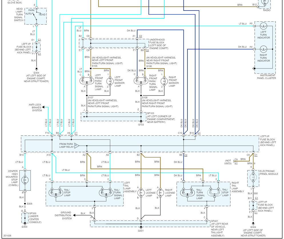
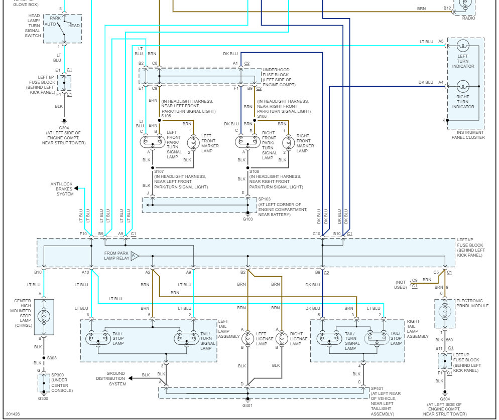
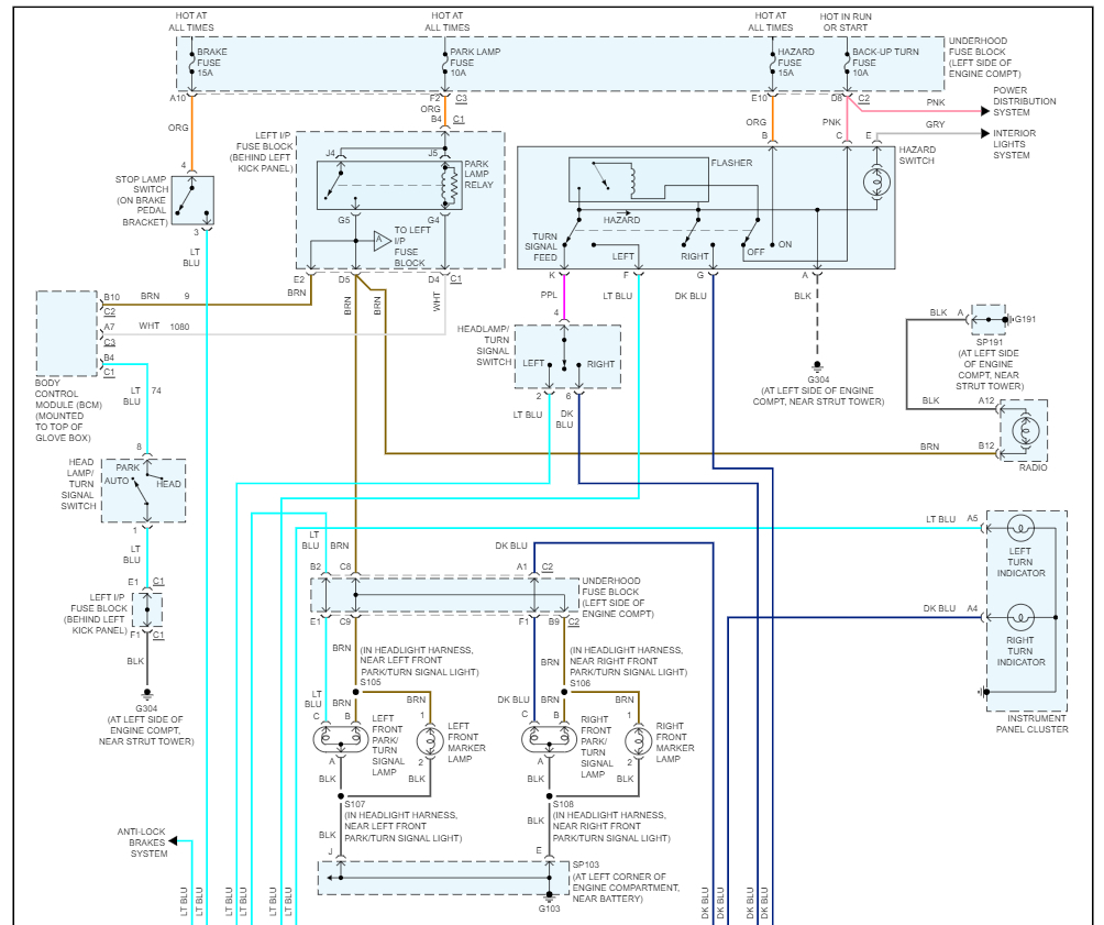
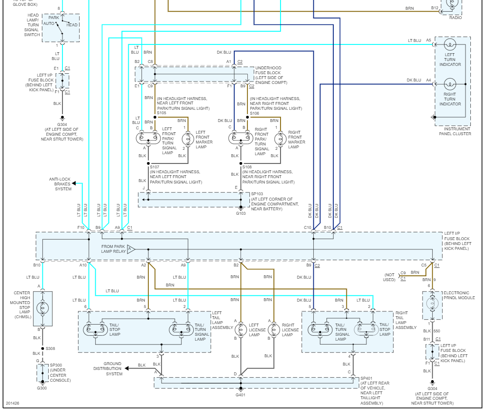
I replaced the bulbs in my rear window brake light and now the back brake lights won't work. The turn signals work, and the lights come on when I turn on the car alarm. I took it apart again and then the back lights came on again and now they are off after I went over a few speed bumps. Where do I take it to get fixed and not ripped off.



