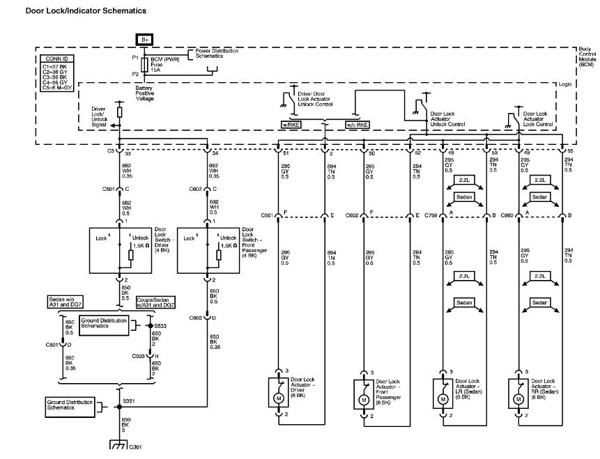
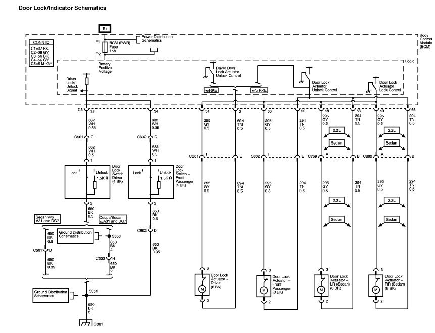
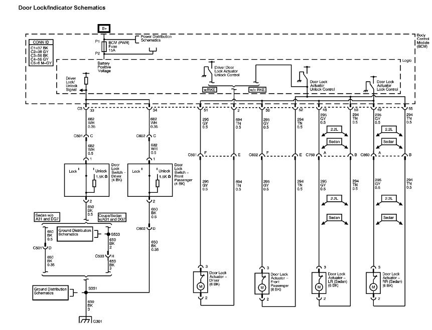
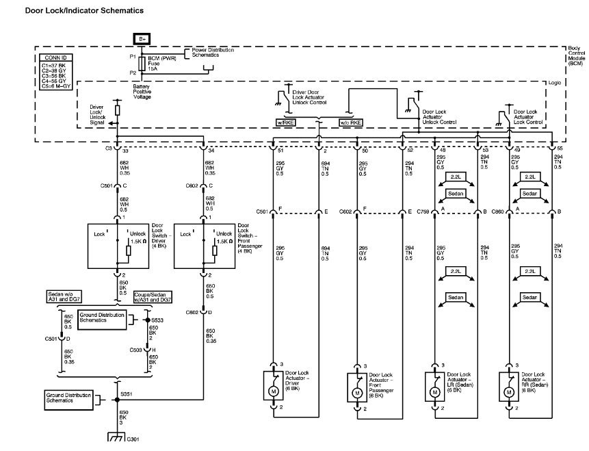
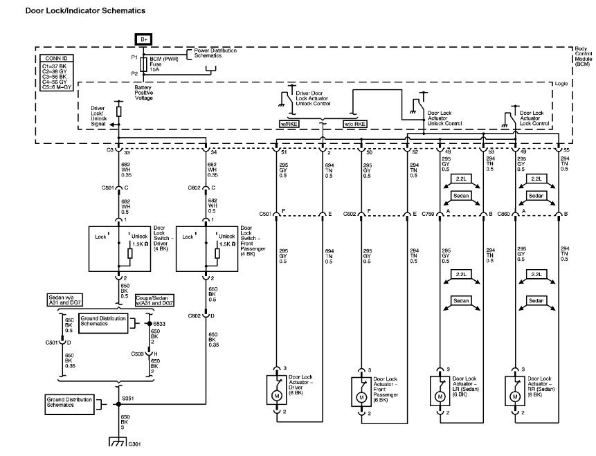
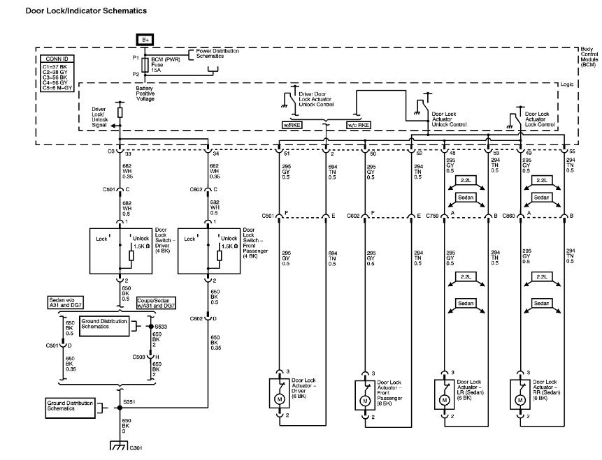
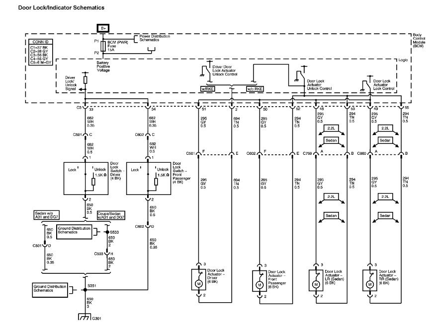
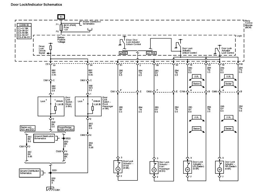
Monday, January 11th, 2010 AT 5:32 PM
Driver side power door lock will not work, all other doors work fine. Replaced lock actuator, but no luck. Any suggestions? Thanks, Paul




