Monday, February 4th, 2019 AT 11:43 AM
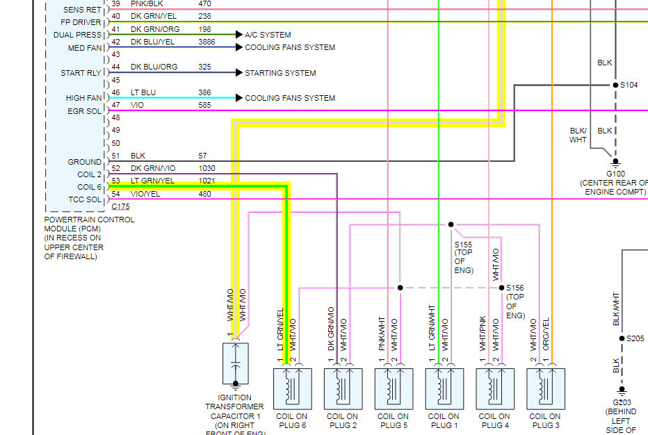
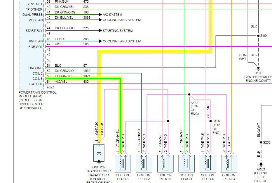
My daughter was driving back to college and called and said her car was not running properly. I hooked it up to the code reader and had a misfire on cylinder six. I drove it home and it ran rough, but only under a strain. I replaced the spark plugs and the coil on cylinder six. After investigating the plug, it was flooded with gas. I though that maybe the injector was stuck open so I replaces it. Now, The car will not start. I pulled the coil and plug to ensure there was fire and there is spark there. Will I was turning it over to check the spark, the engine fired up and ran great on five cylinders. I put the plug back in and it will not start again. Pull the plug out and it starts right up. I have checked the wear pattern on the cam and they appear to be in line. What can be causing this issue?



