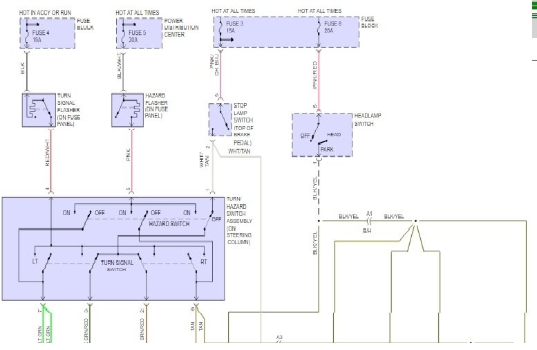
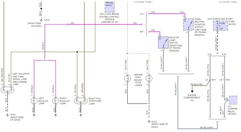
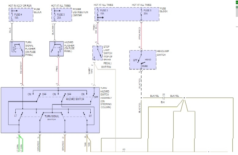
I finally dug into the wires and found that one was melted through due to the fact that I accidentally put in a 30 amp fuse in when it calls for a 20. I replaced that wire with a new one and now the dash lights turn off and the rear running lights only work none in the front.
When I have the running lights on and use the turn signal the lights don’t blink they are steady. The front side marker comes on but is very dim. They work fine if the running lights are off.
Now comes the kicker. I checked every positive wire and they all have power when the lights are on but still no lights in the front. And I replaced all the bulbs and checked the connections for the lights. Everything has power.
Wednesday, May 8th, 2019 AT 6:04 PM



