Running board on passenger side will not open?

Tiny
GRINNBAREIT1
  • MEMBER
  • 2008 LINCOLN NAVIGATOR
  • 5.4L
  • V8
  • 2WD
  • AUTOMATIC
  • 135,000 MILES
The Running board on passenger side won't open when you open the front door, but it will open when you open the rear door. I assume this is controlled by the lock actuator. Any help is much appreciated. Please let me know what part and or number I'm looking for. Thank you in advance!
Saturday, February 11th, 2023 AT 1:50 PM

3 Replies

Tiny
STEVE W.
  • MECHANIC
  • 15,702 POSTS
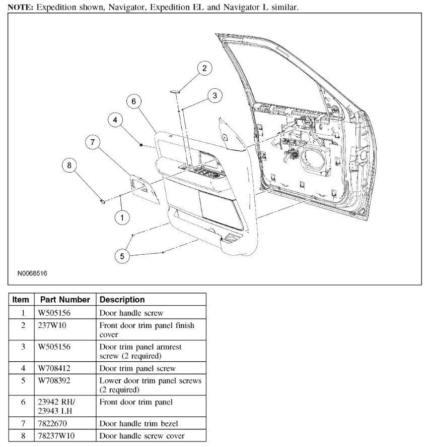
Okay, so, it deploys with the rear door, when you open the front does the interior light come on. Does it show the door as ajar? The running boards use those same switches so I'm hoping that those are not working either. If that is the case the first thing to look at would be the switch mounted in the latch at the rear of the door. To get to it you need to remove the inner door panel using the attached instructions. You might be able to remove the switch without removing the latch, but I generally remove them, clean and lube them then put them back in. For that make sure the glass is fully up, then disconnect the rods to the latch, then remove the three screws that hold the latch to the door, move it out and disconnect the wiring. Now you can remove the switch and put the replacement in. I would clean the latch and lube it. Saves aggravation later. Once the parts are replaced you put it all back together. I would also lubricate the running board hinges; they have a bad habit of getting sticky as they age.
Was this
answer
helpful?
Yes
No
Saturday, February 11th, 2023 AT 4:22 PM
Tiny
GRINNBAREIT1
  • MEMBER
  • 2 POSTS
Ironically it started working again all by itself. But yes, everything you described was happening. So, I am sure I will need to replace the switch soon. Thank you for your help!
Was this
answer
helpful?
Yes
No
Wednesday, March 1st, 2023 AT 10:05 AM
Tiny
STEVE W.
  • MECHANIC
  • 15,702 POSTS
Go buy the switch and put it on the shelf. The board will keep working until you get rid of the truck LOL.
Was this
answer
helpful?
Yes
No
Wednesday, March 1st, 2023 AT 2:56 PM

Please login or register to post a reply.