Saturday, February 23rd, 2019 AT 4:00 AM
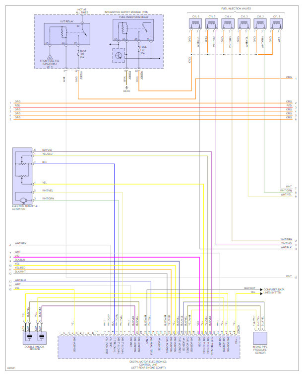
Through scanner intake air temperature was showing 78 degrees. Ambient temperature 55 degrees. Is this a problem and if so where is sensor located? 3.0si











