Ring gear pinion shaft removal

Tiny
FALLON0916
  • MEMBER
  • 1999 CHEVROLET SILVERADO
  • 4.8L
  • V8
  • 2WD
  • AUTOMATIC
  • 150,000 MILES
I am replacing right rear axle seal. I cannot get the pinion shaft out to remove c clip and axle. I removed bolt still does not want to come out.
Saturday, January 26th, 2019 AT 1:24 PM

1 Reply

Tiny
JACOBANDNICKOLAS
  • MECHANIC
  • 110,194 POSTS
Hi and thanks for using 2CarPros.

There are a few variables with this. First, if the differential is an 8.6" or 9.5", there is a locking device that keeps the pinion shaft from coming out on the ones with a locking differential. I have a feeling that is what is stopping you. Here are the directions related to the differentials I mentioned. Note: The directions discuss both the locking and non locking types. The attached pictures correlate with these directions.

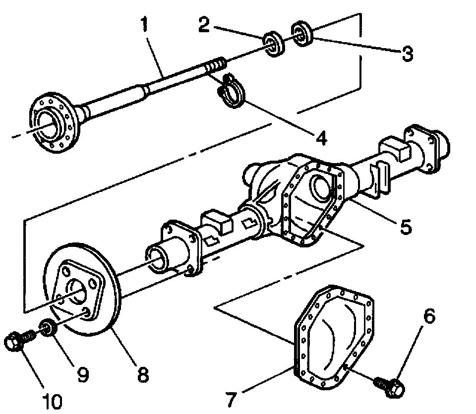
REAR AXLE SHAFT

Removal Procedure

See Picture 1

1. Raise and support the vehicle on a hoist. Refer to Vehicle Lifting.
2. Remove the tire and wheel assembly. Refer to Tire and Wheel Removal and Installation in Wheels, Tires and Alignment.
3. Remove the brake caliper. Refer to Brake Caliper Replacement - Rear in Disc Brakes.
4. Remove the rear cover and the gasket. Refer to Rear Cover and Gasket Replacement
5. Remove the pinion shaft locking screw.

See Picture 2

6. On axles without a locking differential, remove the pinion shaft.

See Picture 3

7. On axles with a locking differential, remove the shaft part way. Rotate the case until the pinion shaft touches the housing.

See Picture 4

8. On axles with a locking differential, use a screwdriver, or a similar tool, in order to enter the differential case and rotate the lock (1) until the lock aligns with the thrust block (2).

See Picture 5

9. Push the flange of the axle shaft (1) toward the differential.
10. Remove the lock (4) from the button end of the axle shaft (1).

Important: When removing the axle shaft, do not rotate the shaft. Rotating the shaft will misaligned the gears. Misaligning the gears will make the assembly difficult.

11. Remove the axle shaft (1) from the housing (5).
12. Inspect all the parts for damage. Replace the parts as necessary.

Installation Procedure

Important: Carefully insert the axle shaft in order to not damage the seal.

See Picture 6

1. Install the axle shaft (1) into the housing (5).
2. Slide the axle shaft (1) into place allowing the splines to engage the differential side gear.
3. On axles without a locking differential, place the lock (4) on the button end of the axle shaft (1).
4. On axles with a locking differential, keep the pinion shaft partially withdrawn.

See Picture 7

5. On axles with a locking differential, place the lock (1) on the axle shaft (3) so that the ends are flush with the thrust block (2).
6. Pull the shaft flange outward in order to seat the lock in the differential gear.

See Picture 8

Important: Anytime you remove a differential pinion shaft locking screws, coat the screw threads with LOCTITE 242 before reinstalling the screws. The screw has an adhesive coating in order to prevent the screw from loosening in the case. Removing the screw removes the adhesive on the screw.

7. Align the hole in the pinion shaft with the screw hole in the differential case.

Notice: Refer to Fastener Notice in Service Precautions.

8. Install the pinion flange locking screw.
Tighten the pinion flange locking screw to 34 Nm (25 ft. Lbs.).
9. Install the rear cover and the gasket. Refer to Rear Cover and Gasket Replacement.
10. Install the brake caliper. Refer to Brake Caliper Replacement - Rear in Disc Brakes.
11. Install the tire and wheel assembly. Refer to Tire and Wheel Removal and Installation in Wheels, Tires and Alignment.

12. Fill the rear axle to the following levels.
8.6 inch ring gear rear axles 15 - 40 mm (0.6 - 1.6 inch) below the fill plug.

9.5 and 10.5 inch ring gear rear axles 15 - 40 mm (0.4 inch) below the fill plug.

13. Remove the supports and lower the vehicle.

_______________________________________________________

Let me know if this helps or if you have other questions.

Take care,
Joe
Was this
answer
helpful?
Yes
No
Saturday, January 26th, 2019 AT 9:24 PM

Please login or register to post a reply.