Wednesday, January 15th, 2025 AT 5:44 PM
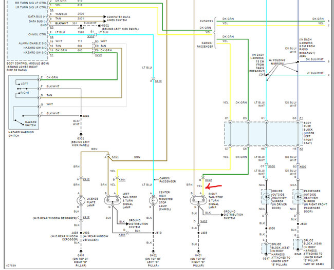
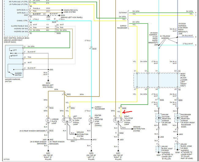
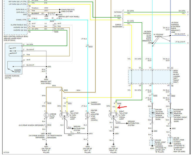
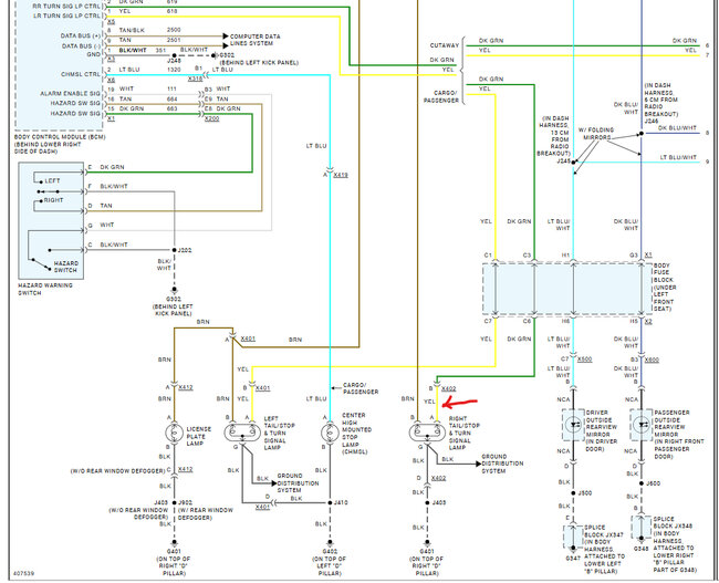
I cannot figure out why only the right rear turn signal will not work. The brake and backup light are working fine, but when the signal is turned on it just flashes fast and works on just the front of the van. The left side is fine. I have already changed the taillight harness and put new bulbs in, but didn’t change anything.






