HOME
ASK A QUESTION
REPAIR GUIDES
BECOME A MEMBER
LOG IN
Login with Facebook
OR
Remember me
NOT A MEMBER?
FORGOT PASSWORD?
CONTACT US
PRIVACY POLICY
TERMS AND CONDITIONS
☰
Home
Audi
A6
Exterior Light
Running Light
Wiring
Right rear tail lamp color coded wiring harness guide/diagram needed
PEWPEW7988
MEMBER
2005 AUDI A6
3.2L
6 CYL
TURBO
4WD
187,000 MILES
I need to know the colors and where to put them on connector for wiring harness.
Tuesday, February 9th, 2021 AT 2:41 AM
5 Replies
SEVAG P
MECHANIC
406 POSTS
Hello,
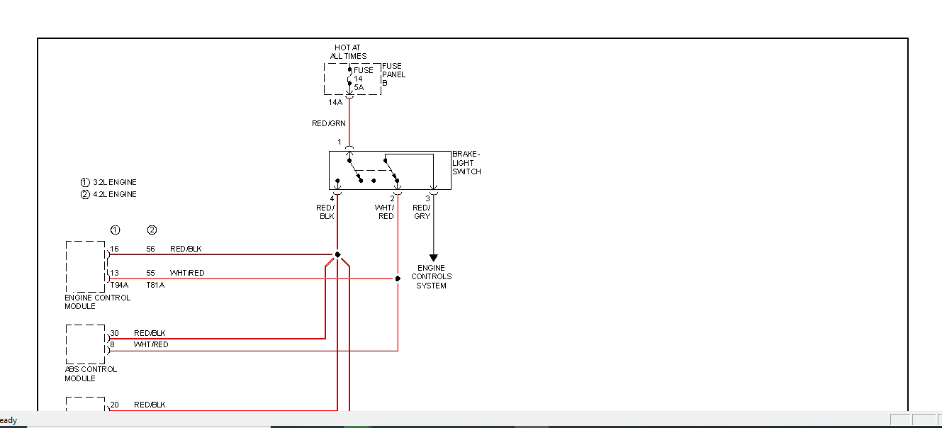
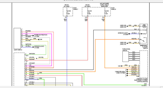
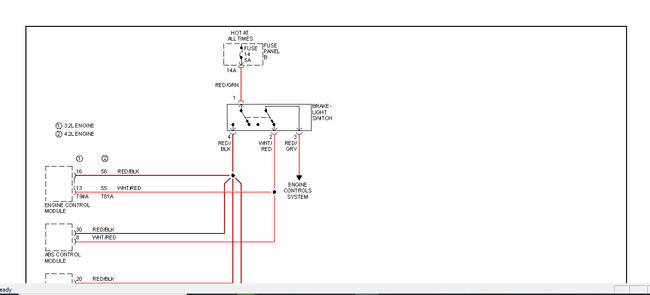
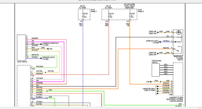
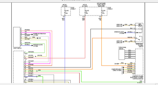
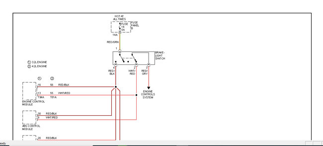
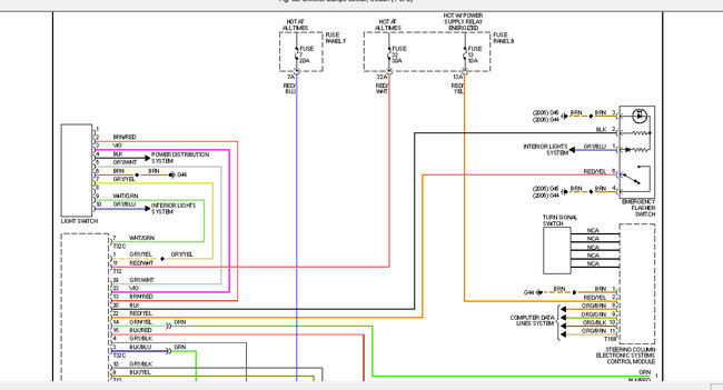
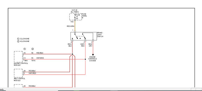
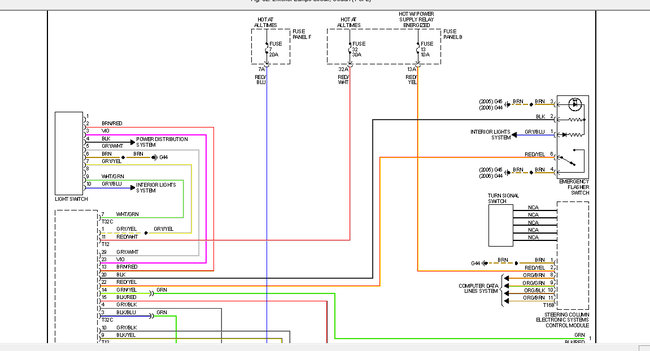
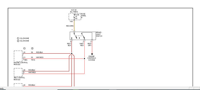
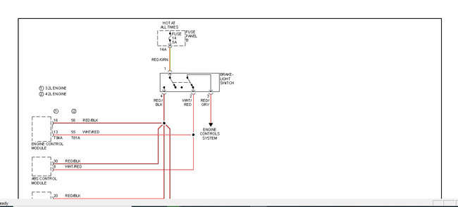
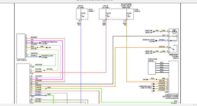
To get a clear view I cut the diagram in 3 sections of the right tail light, check the attached pictures below.
Diagrams 1, 2, 3 for the right side tail light.
Diagrams 4, 5, for the left side tail light.
Let us know if you need more help.
Thank you.
Images (Click to make bigger)
Was this
answer
helpful?
Yes
No
+2
Tuesday, February 9th, 2021 AT 4:09 AM
PEWPEW7988
MEMBER
3 POSTS
Not this, I need a pinout. I need to know what pins goes to what wire.
Was this
answer
helpful?
Yes
No
Tuesday, February 9th, 2021 AT 6:00 AM
SEVAG P
MECHANIC
406 POSTS
Hello,
You can use the wiring diagram to get the wires pin out with the colors, tail light connector is numbered at the pins position.
1. Empty
2. Black/green
3. Brown
4. Red/yellow.
5. Empty.
6. Gray/red
7. Empty
8. Green/blue
9. Blue
10. Gray
hope these helps, let us know if you need more help.
Thank you.
Images (Click to make bigger)
Was this
answer
helpful?
Yes
No
+7
Tuesday, February 9th, 2021 AT 7:55 AM
PEWPEW7988
MEMBER
3 POSTS
Thank you, thank you, thank you!
Was this
answer
helpful?
Yes
No
+1
Tuesday, February 9th, 2021 AT 9:28 AM
SEVAG P
MECHANIC
406 POSTS
You are welcome.
Was this
answer
helpful?
Yes
No
-1
Tuesday, February 9th, 2021 AT 9:32 AM
Please
login
or
register
to post a reply.
Related Running Light Wiring Content
Tail Light Removal To Change Bulb? No Visible Screws...
Tail Light Removal To Change Bulb? No Visible Screws At Housing. I've Done A Search But Online Instructions Have Been For Newer Models...
Asked by
Anonymous
·
3 ANSWERS
4 IMAGES
1997
AUDI A6
2004 Audi A6 Something Electrical
I Turned On My Car And Tried To Turn The Head Light On, But They Didn't Come On. I Then Attempted To Turn On The High Beams, And They Didn...
Asked by
khan1928
·
5 ANSWERS
2004
AUDI A6
2000 Audi A6 Turn Signal Light Stop Flickering
My Car Turn Signal Light Will Stop Flickering After A Few Flickers. Sometimes, Its Does Not Flicker At All. Hope You Could Advice Me What...
Asked by
sukhpal_78
·
7 ANSWERS
2000
AUDI A6
1995 Audi A6 Transmission Multifunctional Switch
Mine Seems To Be Fried And In Need Of Replacement. The Gear Indicator On The Dash Used To Light Up An Signal Which Gear It Wsa In. Then The...
Asked by
dleiftfelni
·
2 ANSWERS
1995
AUDI A6
2003 Audi A6 Lights Out
Electrical Problem 2003 Audi A6 6 Cyl All Wheel Drive Manual My Driver Side Head Light Is Out. Tested The Bulb, Works Fine. Tested...
Asked by
rdxwkpr
·
3 ANSWERS
2003
AUDI A6
VIEW MORE
Ask a Car Question. It's Free!
Turn Signals Blink Fast
Headlight Dim or Dull
Have a Dim Headlight? - Try Replacing This!