Right rear power window works intermittently?

Tiny
PAUL10000
  • MEMBER
  • 2003 INFINITI G35
  • 3.5L
  • 6 CYL
  • 2WD
  • AUTOMATIC
  • 150,000 MILES
First thing in the morning turn the key to accessory only and the window works perfectly. Turn on the engine the window will not work at all. Sometimes it's just the opposite. Does not make a difference if I use the driver master power window switch or the passenger side power window switch. I also took the good left rear power window switch out and put it on the right bad side, makes no difference. Window seems to work more often when in warmer temperatures. Any idea what is wrong?
Monday, March 13th, 2023 AT 12:13 PM

7 Replies

Tiny
MIKE H R
  • MECHANIC
  • 3,094 POSTS
The window motor sounds like there is a loose or corroded wire. It may be in the master control, or the window switch itself, I have used contact cleaner because of a similar problem. Also check to make sure the window motor has a good ground.
Was this
answer
helpful?
Yes
No
Monday, March 13th, 2023 AT 5:28 PM
Tiny
JACOBANDNICKOLAS
  • MECHANIC
  • 110,192 POSTS
Hi,

I noticed we haven't heard from you for a couple of days. Have you been able to make any progress or resolve the issue?

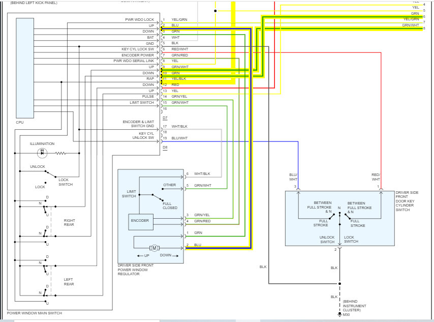
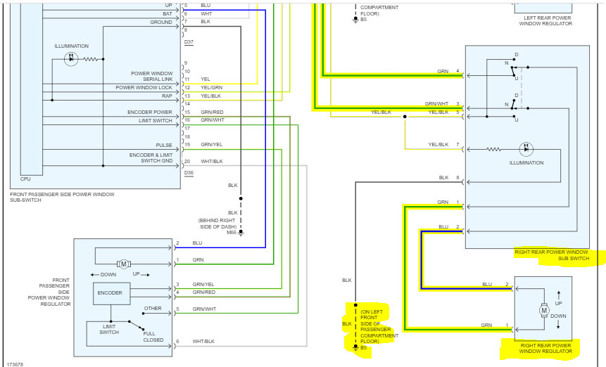
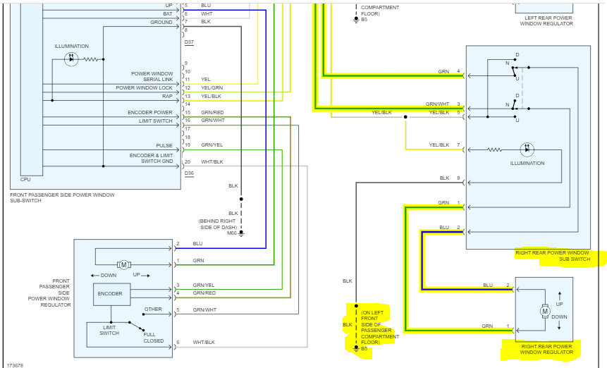
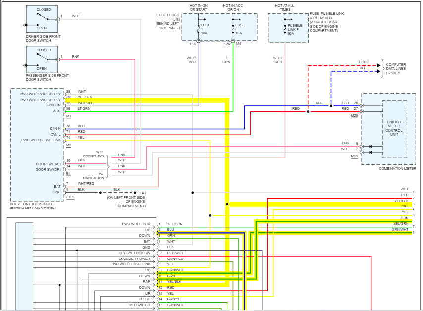
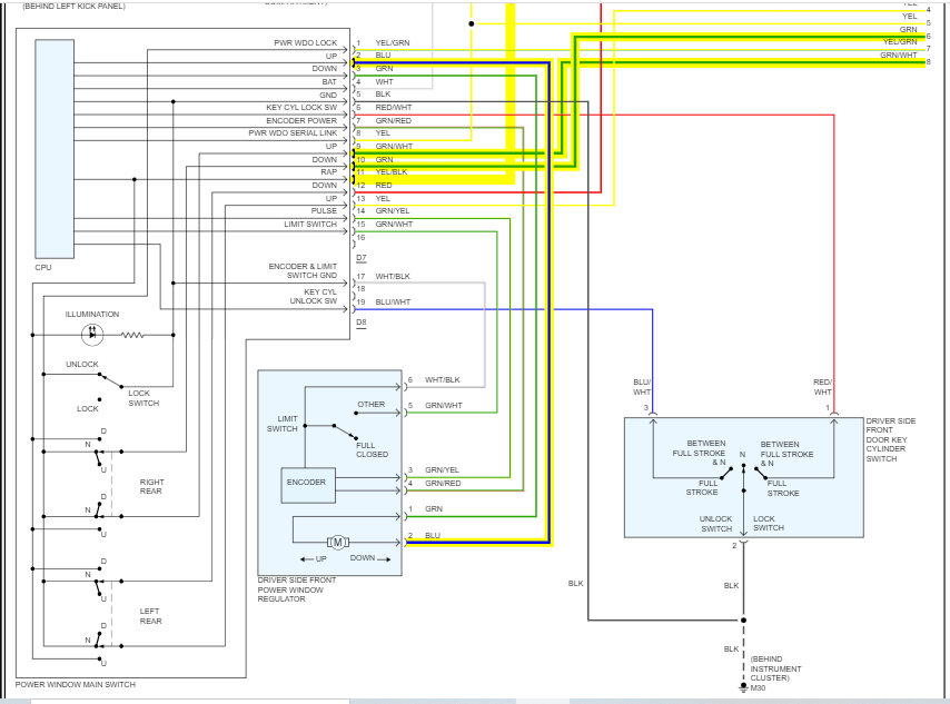
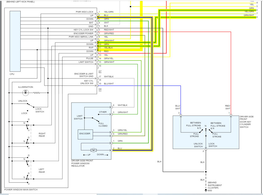
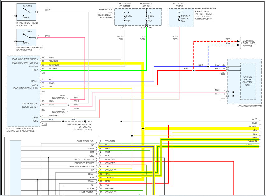
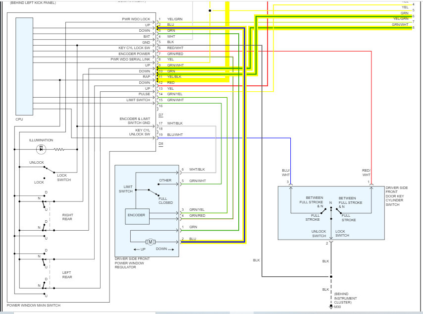
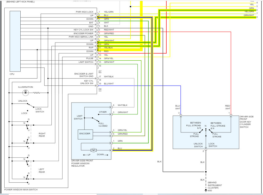
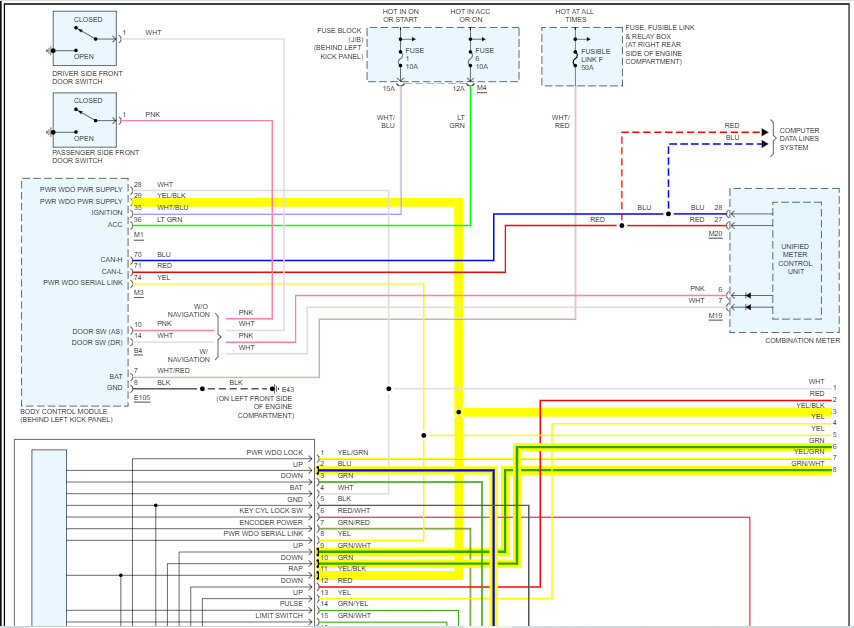
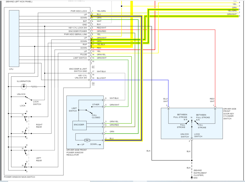
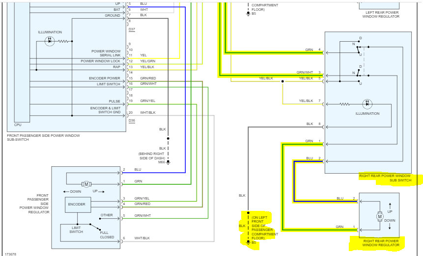
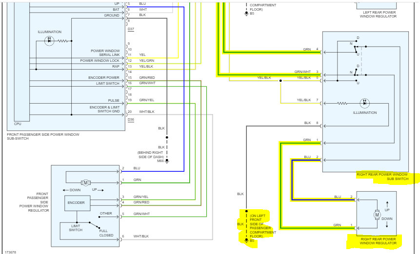
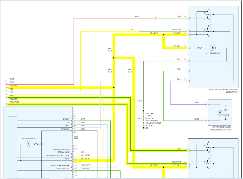
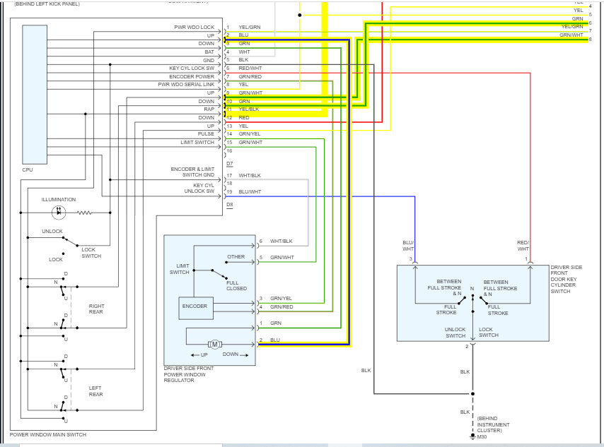
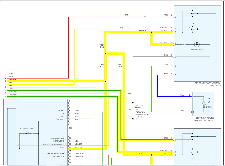
If you haven't been able to resolve the issue, I attached the wiring schematic below for the power windows. As previously mentioned, make sure the connectors are in good condition at the motor. You tried a different switch, so that isn't the issue.

Last, the power to that window comes from the main switch. There could be an issue there as well as far as distributing power. Do me a favor, when the window won't work, check for power at the affected power window sub switch. There are two wires. One is green and the other is green and white. If there is no power, the problem is likely the main driver's door switch. If there is power, then we know it is between the single window switch and the motor.

Let me know what you find.

Joe

See pics below.
Was this
answer
helpful?
Yes
No
Wednesday, March 15th, 2023 AT 9:28 PM
Tiny
PAUL10000
  • MEMBER
  • 3 POSTS
Sorry for not getting back with you sooner. My 40-year-old Radio Shack multimeter stopped working after I checked the good rear right power window wires and the left bad rear side. I never had a chance to check the main switch on the front driver side window. I will order another multimeter.

This is what I have so far:
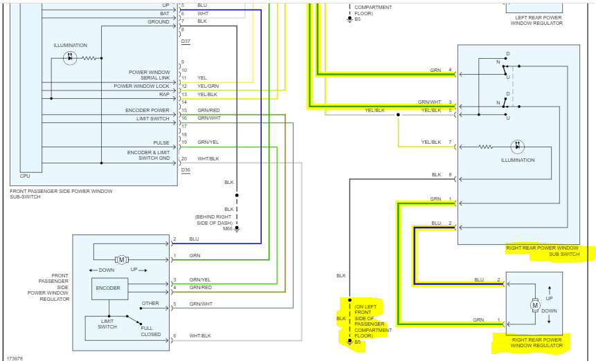
1) The good left rear window switch had power on the green white stripe wire and the green yellow stripe wire.
2) The bad rear window switch had power on the green white stripe wire and no power on the green yellow stripe wire.
I do not have a solid green wire on my window switches as indicated on your wiring diagram. I only have a solid green wire on the main switch on the front driver side window.

Window motor grounds on both sides are good.

I found one interesting thing. I checked continuity on all the wires on both rear window switches when the key is on accessory:
1) When checking the continuity on the green yellow striped wire on the good left rear power window switch, I get clicks coming from the opposite side bad right rear power window switch only.
2) When checking the continuity on the green yellow striped wire on the bad right rear power window switch, I also only get clicks coming from the bad right rear power window switch.
Was this
answer
helpful?
Yes
No
Friday, March 17th, 2023 AT 12:32 PM
Tiny
JACOBANDNICKOLAS
  • MECHANIC
  • 110,192 POSTS
Hi,

The clicks are odd. As far as the two wires at the motor, power can be present on either one based on the switch position. In the down position (according to the schematic) the green wire will have power and the blue will function as a ground. In the up position, the blue will have power, and the green will function as a ground.

When you get the new meter, check power at the motor. Remember, power to the motor is provided by the switch via the wire requested. Basically, all that happens is the polarity is switched causing the motor to turn in different directions.

Let me know what you find. As far as the clicks, I am interested in what we find. If there is a click, something is sending power to that switch. I have a feeling the driver's door switch may be the cause.

Let me know.

Joe
Was this
answer
helpful?
Yes
No
Friday, March 17th, 2023 AT 8:49 PM
Tiny
PAUL10000
  • MEMBER
  • 3 POSTS
I was able to get a used driver's side power window master control switch from one of my friends. The master controller fixed my right rear power window. I never had a chance to check the voltage as you suggested because I have not received my new multimeter. Thank you for your help.
Was this
answer
helpful?
Yes
No
Wednesday, March 22nd, 2023 AT 7:52 PM
Tiny
JACOBANDNICKOLAS
  • MECHANIC
  • 110,192 POSTS
Hi,

Thanks for letting me know. I'm glad that took care of the issue for you. I had a feeling that was going to be where we ended, but I had to go through the process of elimination. LOL

Regardless, thanks for the update and I'm glad it's fixed. Feel free to return any time in the future if you have questions.

Take care,

joe
Was this
answer
helpful?
Yes
No
+1
Wednesday, March 22nd, 2023 AT 8:11 PM
Tiny
MIKE H R
  • MECHANIC
  • 3,094 POSTS
Glad you got it fixed, had figured it was causing it the master control as I first posted or the switch on the window side. The contacts in the switch are small pieces of metal that swivel on a spring back and forth, when they get corroded or worn, they tend to fail. Had replaced ones on our two cars over the years. Glad to hear it is now working.
Mike

If you have any other questions, please let us know.
Was this
answer
helpful?
Yes
No
+1
Thursday, March 23rd, 2023 AT 7:22 AM

Please login or register to post a reply.