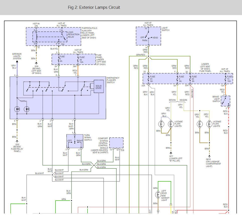
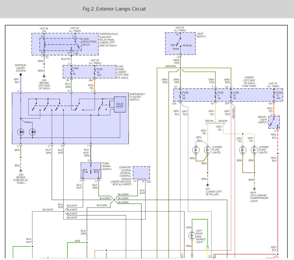
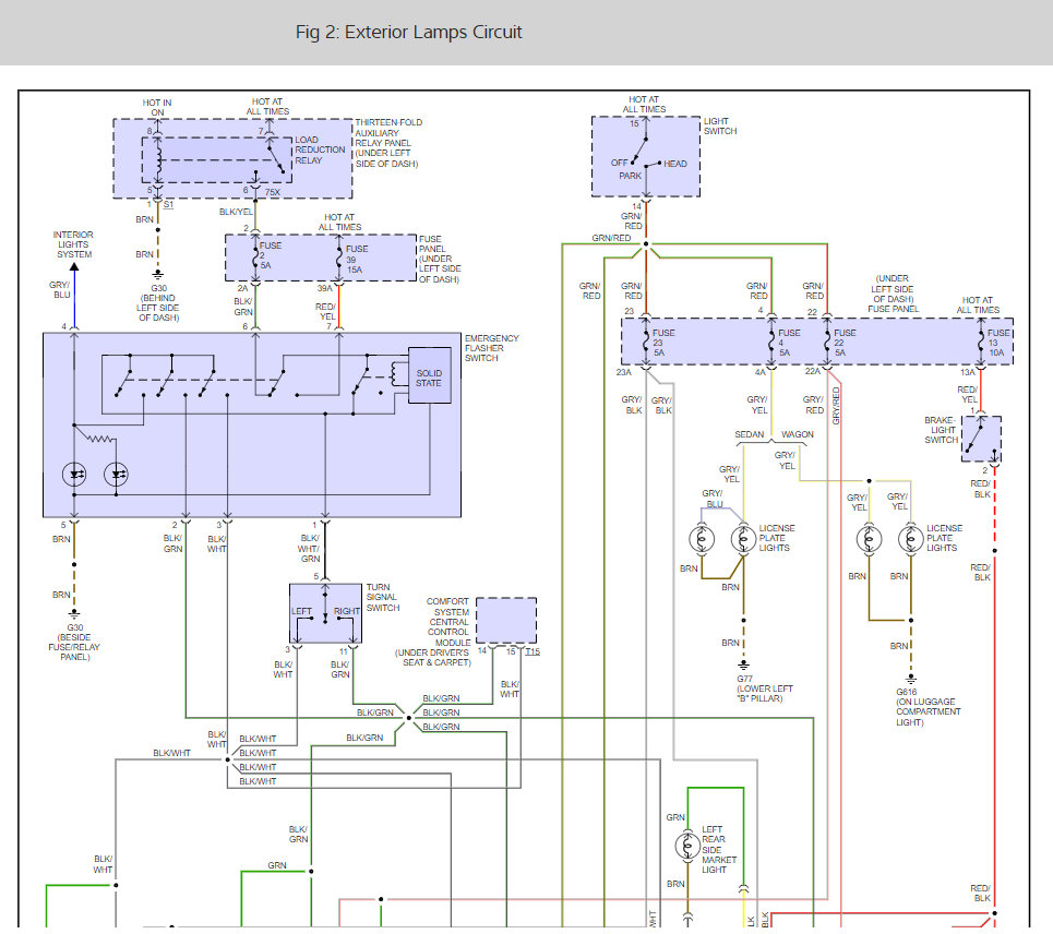
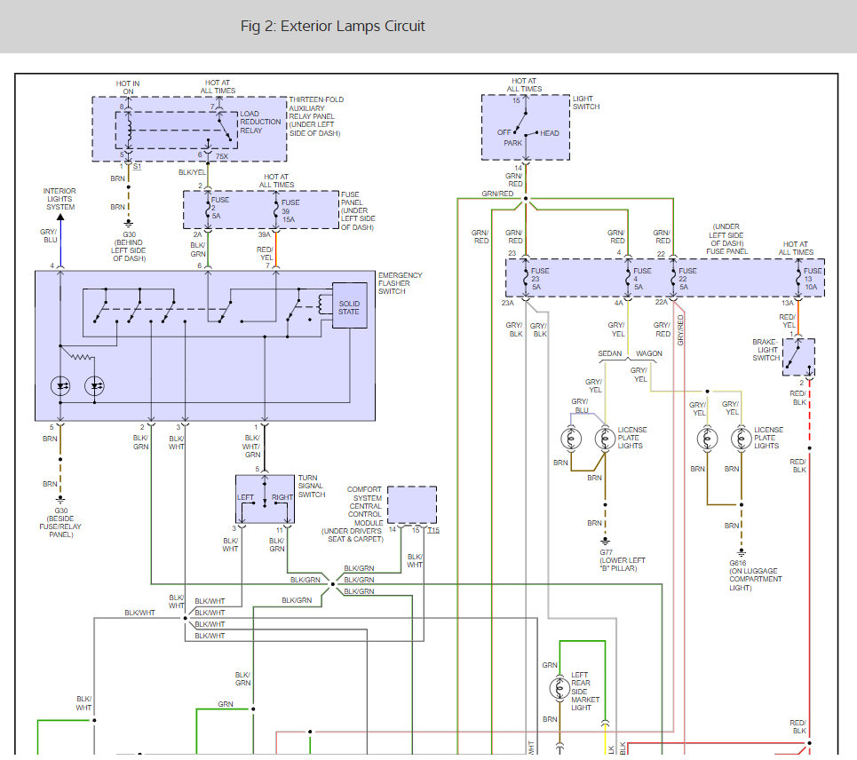
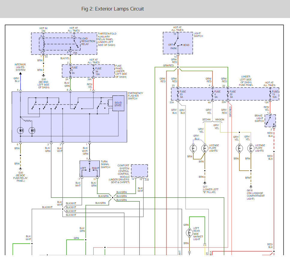
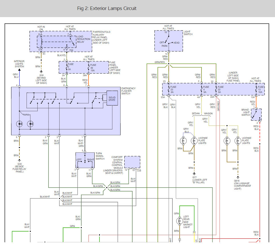
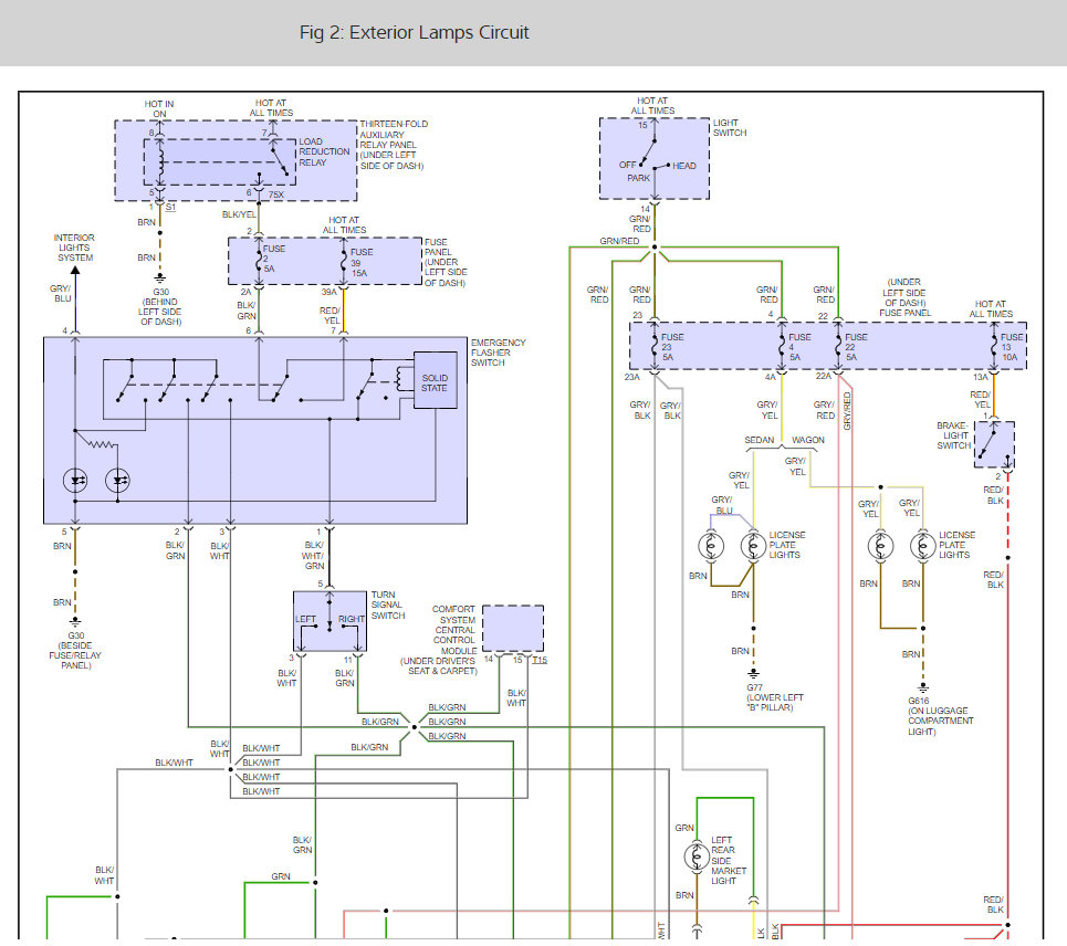
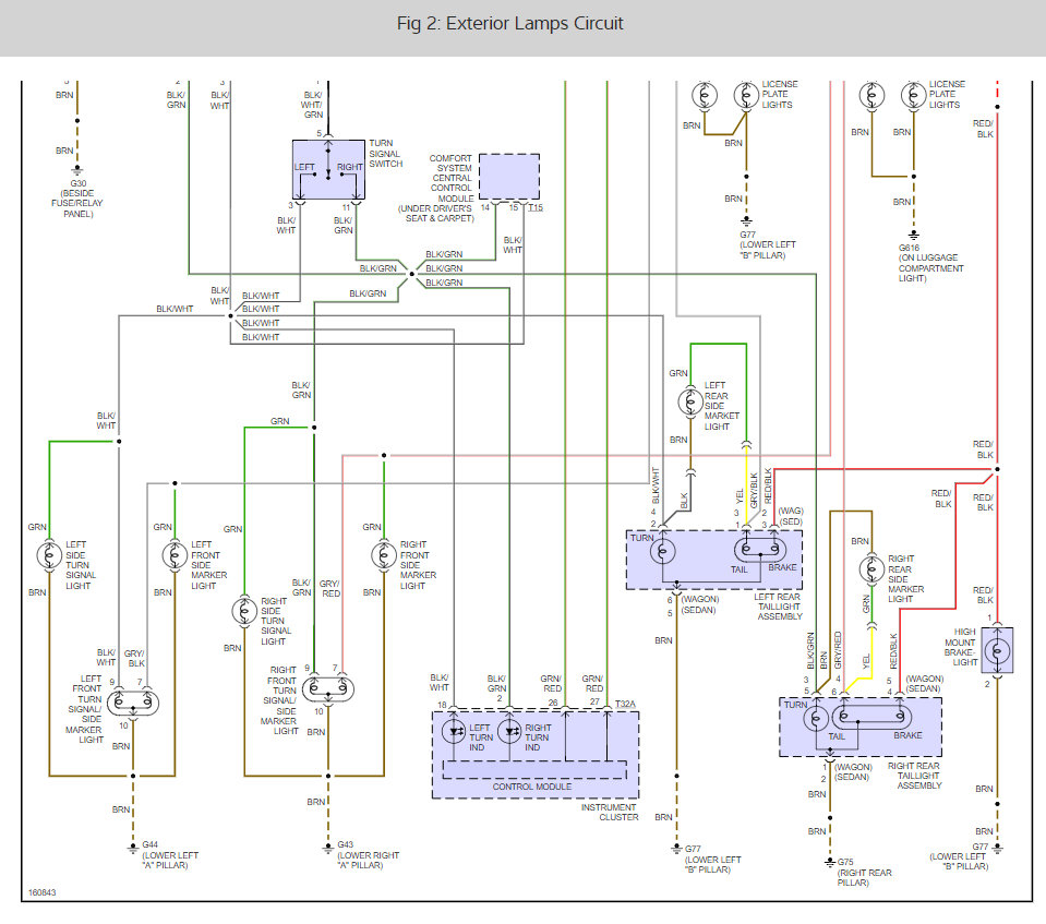
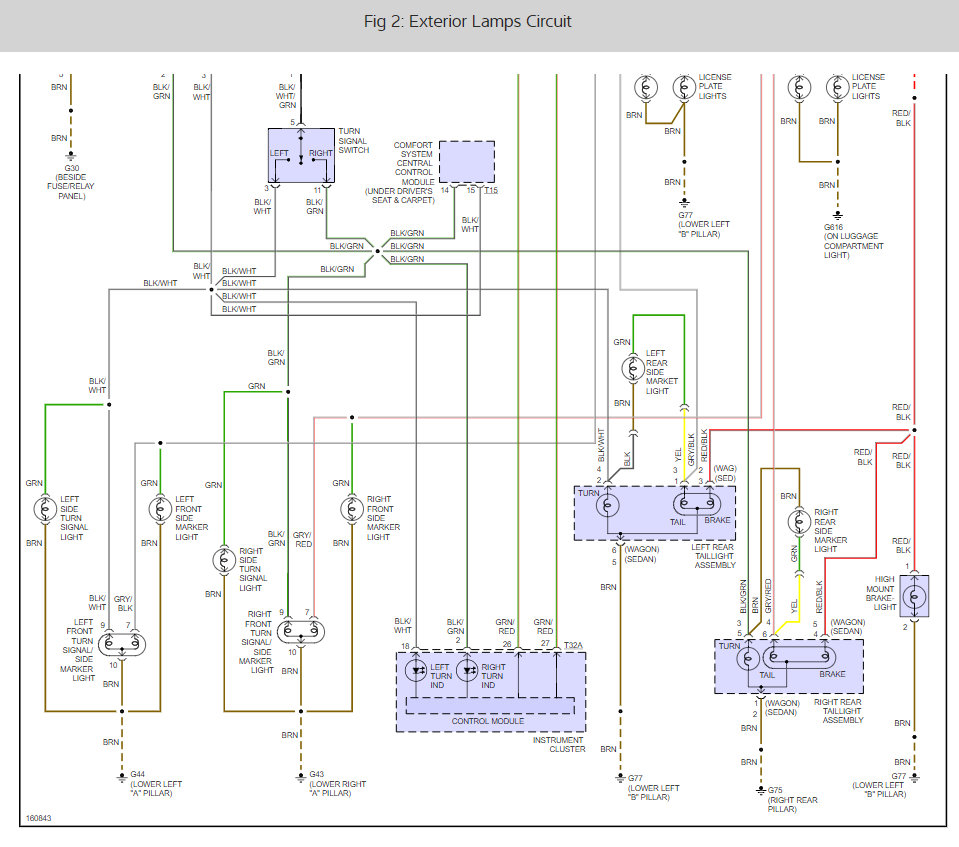
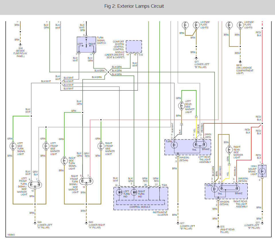
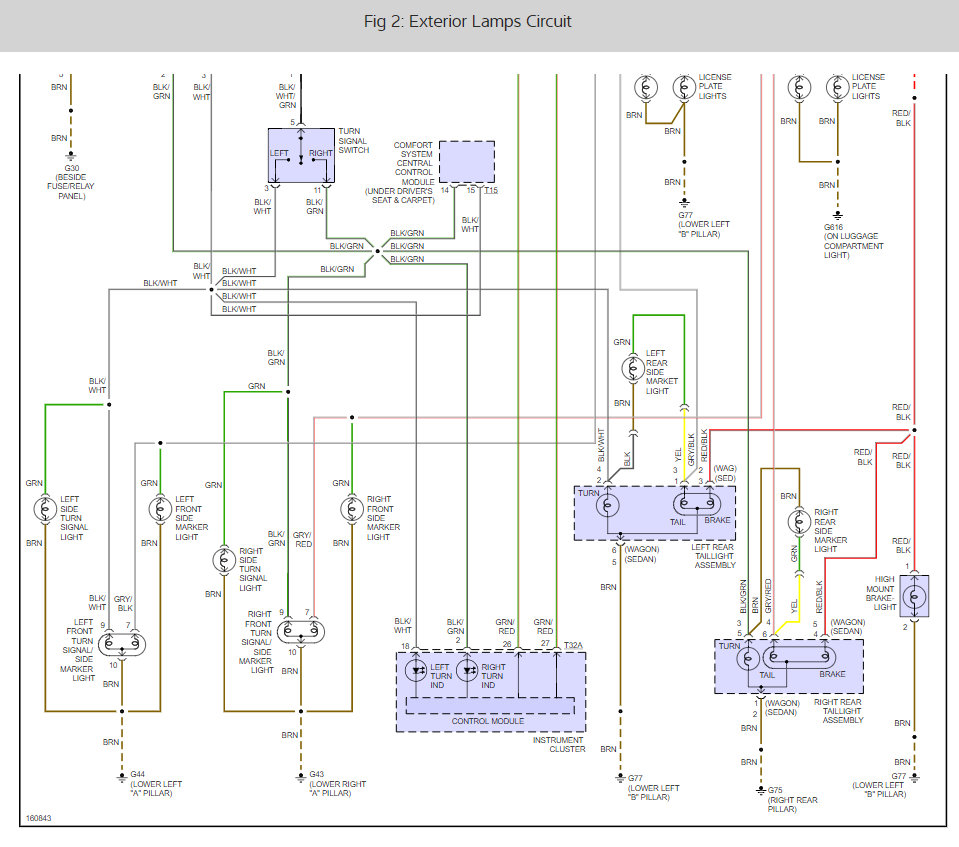
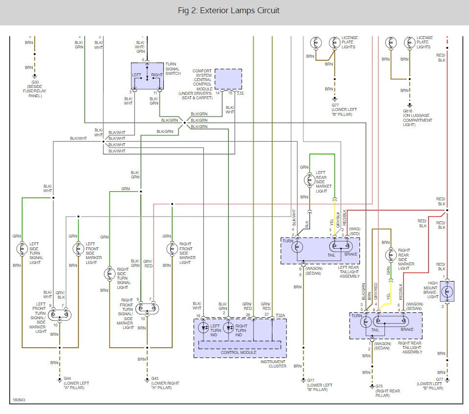
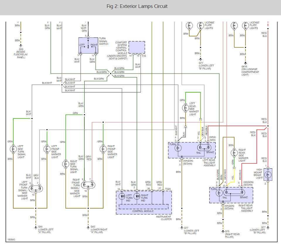
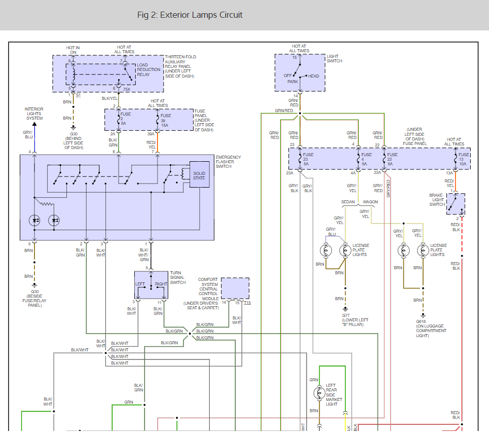
- Dashboard indicator most of the times now flashing very rapidly and irregularly, blinkers themselves not working.
- Replaced bulbs and checked wiring: no change.
- Problem appears with alarm switch as well (i.E. Not just when using he switch on steering wheel).
So, I am thinking it is "something" on the MFE board, do you agree? If so, should I get the relays changed or is there a way to deduct whether it is that or the controller?
Sunday, October 29th, 2017 AT 5:31 AM






