Tuesday, February 25th, 2020 AT 11:54 AM
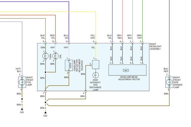
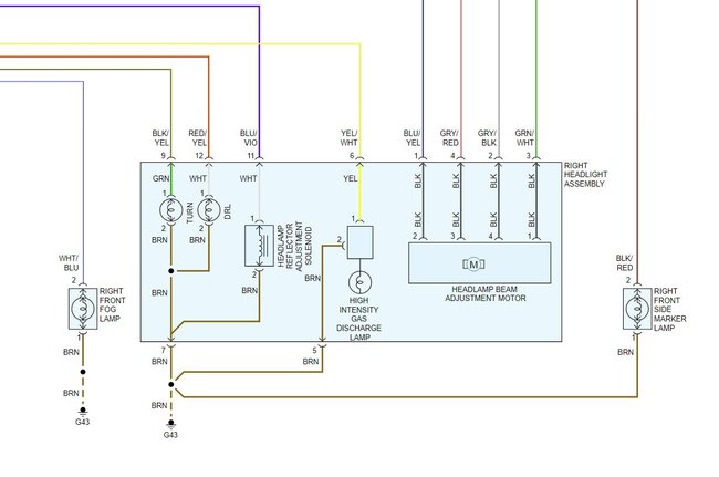
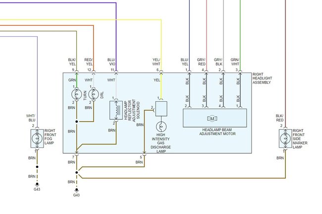
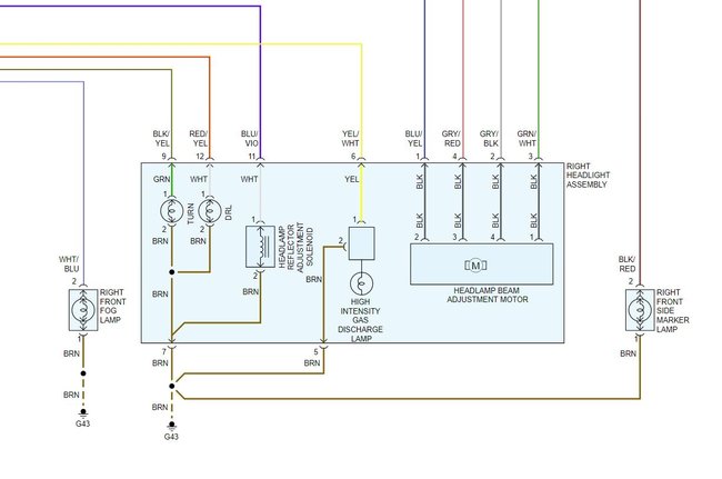
I have been dealing with my right low/high beam headlight not working. I have replaced the bulb, ballast, ignitor and the entire headlight assembly. It still does not work. I have checked the two fuses that I know of. The one on the passage side and the one on the driver's side. Are there more fuses than what I know of?





