Right bottom tail gate light not working

Tiny
BUDDYWAS
  • MEMBER
  • 2008 VOLVO S80
  • 6 CYL
  • 4WD
  • AUTOMATIC
  • 112,235 MILES
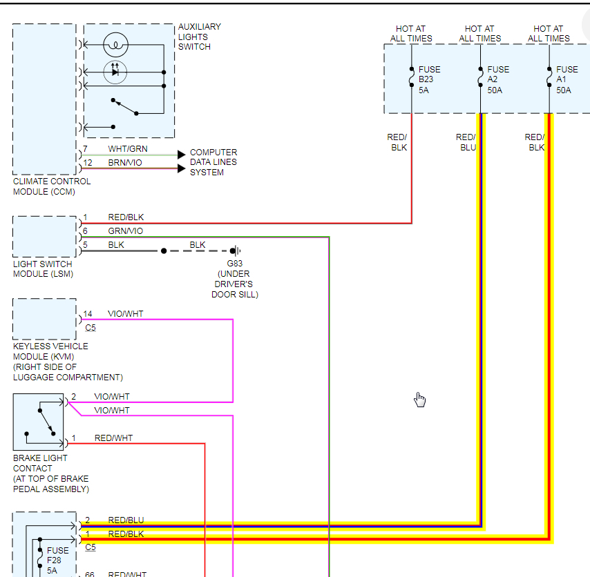
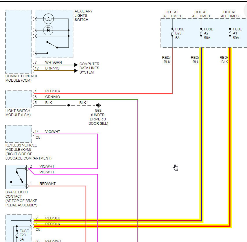
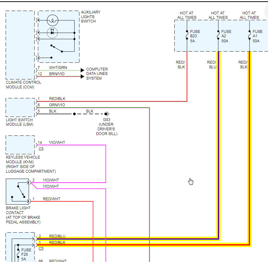
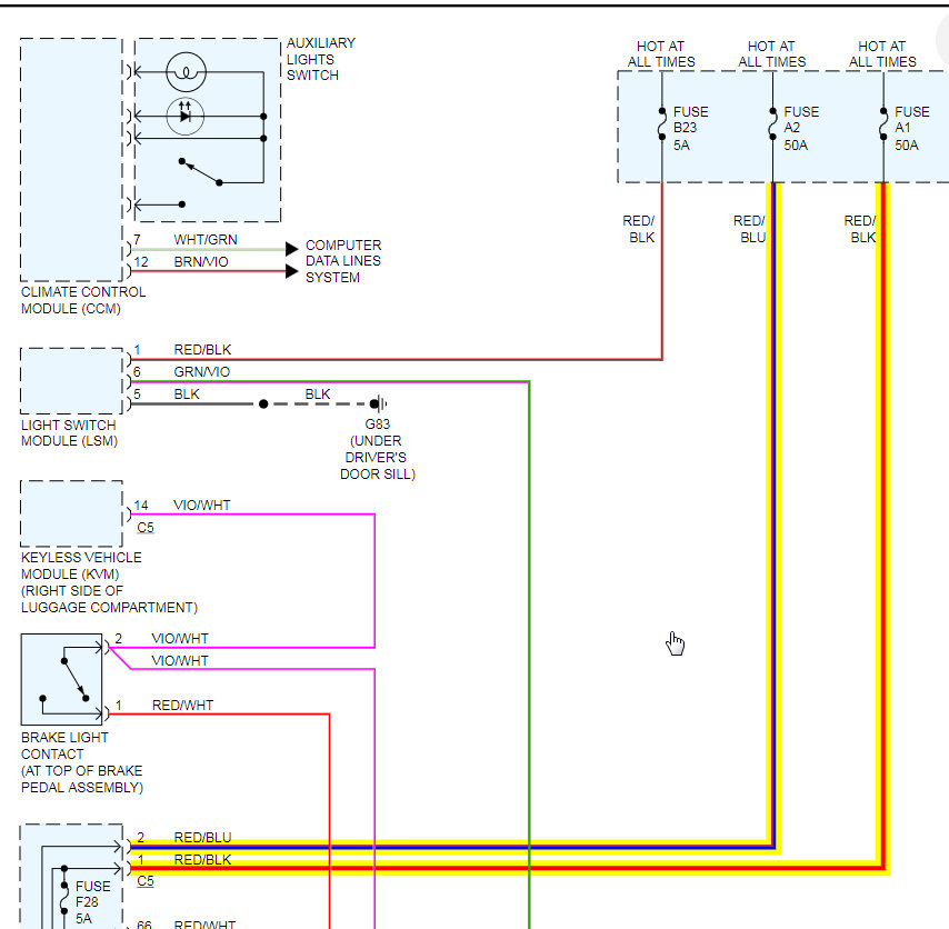
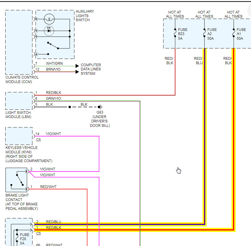
Removed rear light assembly tested bulbs all are good but do not light up. Only right turn signal blinks. Replaced fuses so no right bottom tail gate lights
Where is relay switch located in trunk? What is color of relay switch? Could this be problem?
Friday, December 27th, 2019 AT 9:24 AM

1 Reply

Tiny
KASEKENNY
  • MECHANIC
  • 18,907 POSTS
Unfortunately, there is not a relay for these specific bulbs. This is controlled by the central electronic module. If these are the only lights not working then I suspect the circuit board on the module is the issue. I would suggest checking for power at the module and if you don't have any coming out on these circuits then the module is your issue. If you do then you have a wiring issue to these lights.

Let me know if you have questions. Thanks

https://www.2carpros.com/articles/how-to-check-wiring
Was this
answer
helpful?
Yes
No
Friday, December 27th, 2019 AT 4:43 PM

Please login or register to post a reply.