Right hand park lamp stays on even after pulling fuse and relay?

Tiny
AWBALLANTYNE
  • MEMBER
  • 2013 CHEVROLET SILVERADO
  • 6.0L
  • V8
  • 4WD
  • AUTOMATIC
  • 70,000 MILES
Right hand park lamp stays on even after pulling fuse and relay?
Wednesday, January 18th, 2023 AT 2:22 PM

1 Reply

Tiny
KEN L
  • MASTER CERTIFIED MECHANIC
  • 55,322 POSTS
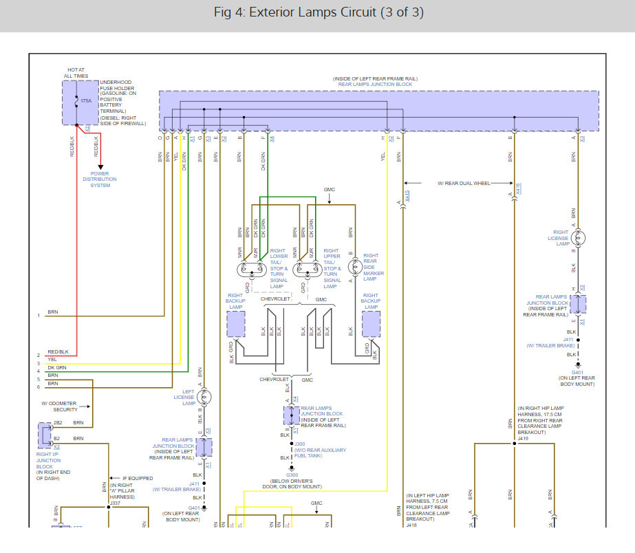
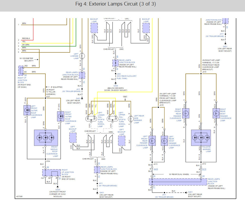
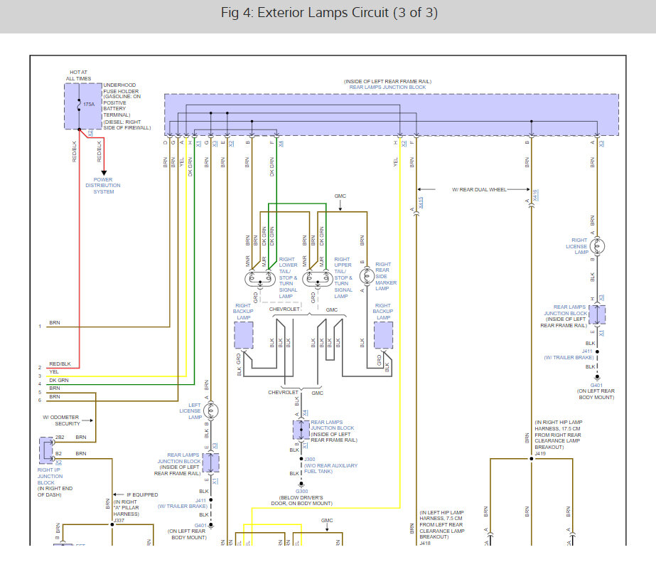
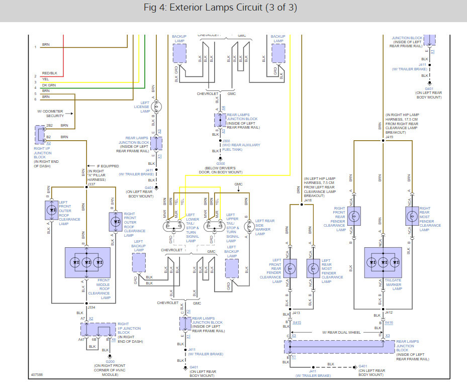
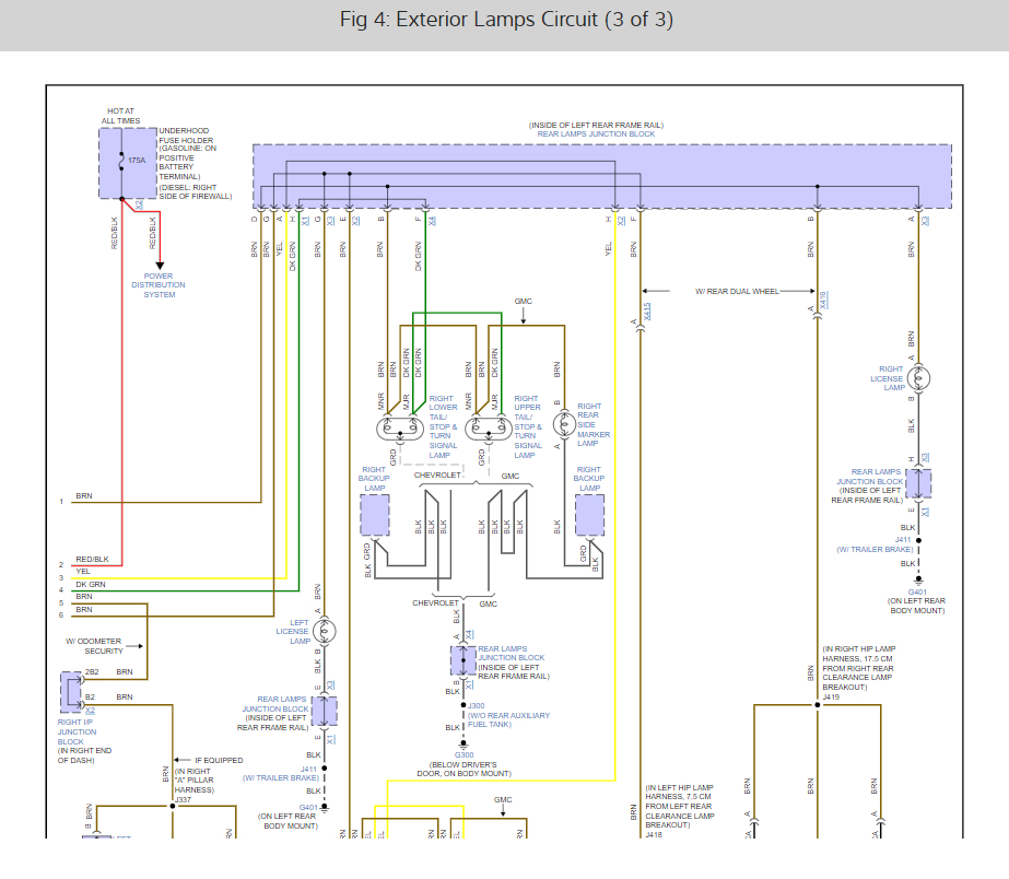
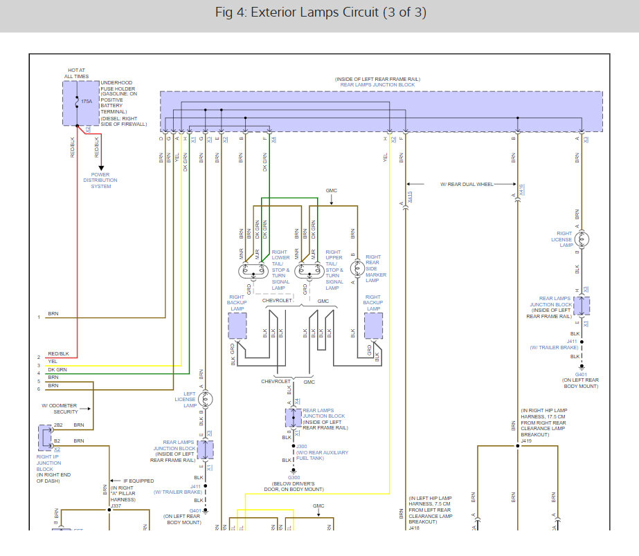
Yep, this is a common problem which happens when the BCM goes out. Here is the parking light wiring diagrams so you can see how the system works and how to replace the BCM which you get a preprogrammed unit by searching Google or Ebay. Check out the images (bBelow). Let us know what happens and please upload pictures or videos of the problem.
Was this
answer
helpful?
Yes
No
Thursday, January 19th, 2023 AT 10:20 AM

Please login or register to post a reply.