Thursday, May 30th, 2013 AT 7:56 PM
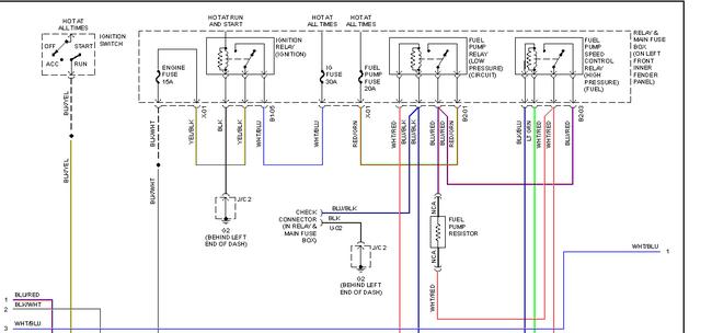
Used 2004 mazda rx-8, I test drove it, inspect the basics and drove fine so I bought it. Not even a week and the car isn't able to go into reverse.I push down on the shift knob but as soon as I put it into the reverse gear the car turns completely off. Battery is good all interior lights work. Notice the ignition fuse was blown so I put another 15a fuse for the ignition fuse and the car started. Once again tried going into reverse and it blow the ignition fuse again. The gears work fine its a manual transmission, it drives, the car runs, but just doesn't want to engage into the reverse position. I have no clue any ideas what the problem could be?

