Backup camera and reverse light stay on all the time, why is that?

Tiny
CORRIE1981
  • MEMBER
  • 2021 FORD TRUCK
  • 100,000 MILES
Reverse lights.
Friday, February 17th, 2023 AT 12:27 PM

1 Reply

Tiny
JACOBANDNICKOLAS
  • MECHANIC
  • 110,194 POSTS
Hi,

Do they stay on if the vehicle is off, and the key is removed? Also, when you shift gears, does the gear indicator indicate the correct gears?

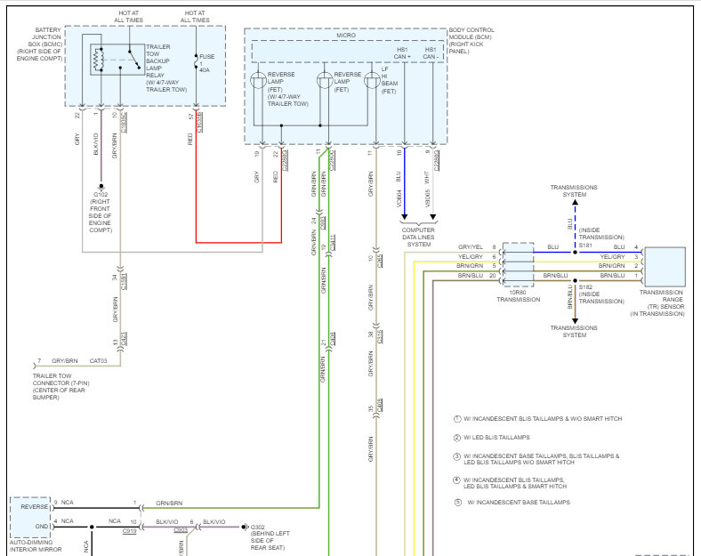
I attached the wiring schematic below for the backup lamps. If you remove fuse 1 in the under-hood fuse box, do the lights and camera turn off?

Let me know.

Joe

See pics below.
Was this
answer
helpful?
Yes
No
-1
Friday, February 17th, 2023 AT 9:30 PM

Please login or register to post a reply.