Airbag Restraints and Safety Systems wiring diagram needed?

Tiny
ABIDZ05
  • MEMBER
  • 2018 CHEVROLET SILVERADO
  • 5.3L
  • V8
  • 2WD
  • AUTOMATIC
  • 66,000 MILES
Hi All,

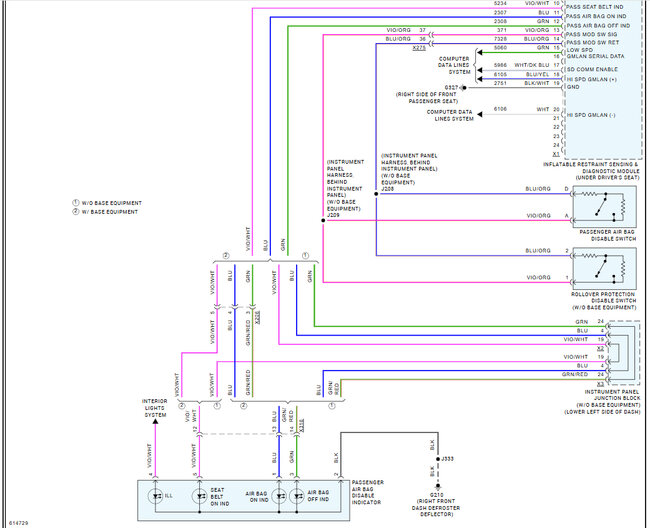
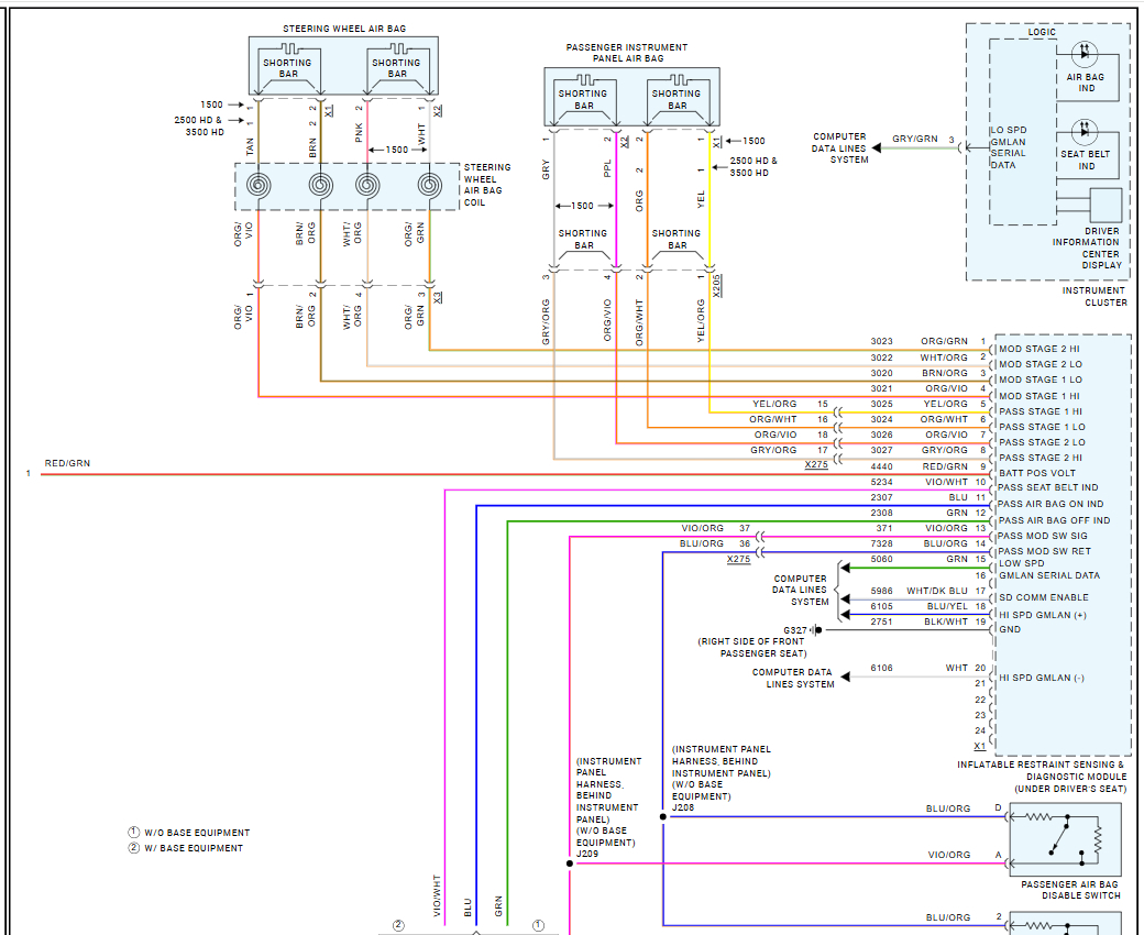
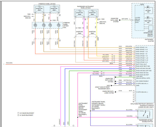
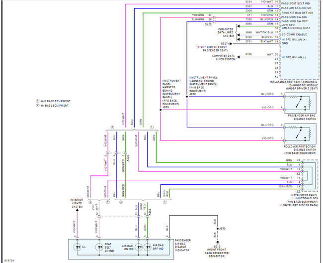
I need the wiring diagram for the Restraints and Safety Systems if possible.

Thank you
Thursday, July 24th, 2025 AT 6:41 PM

6 Replies

Tiny
KEN L
  • MASTER CERTIFIED MECHANIC
  • 55,350 POSTS
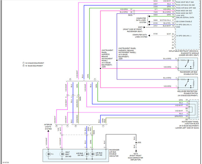
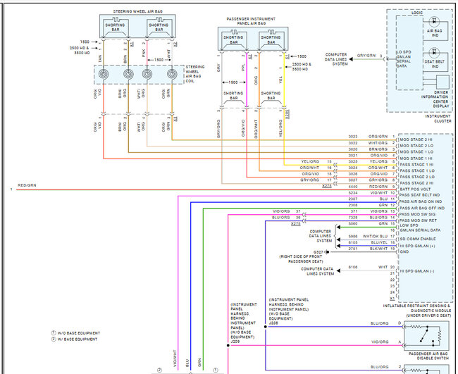
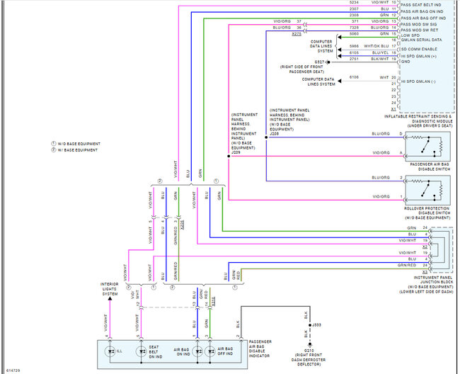
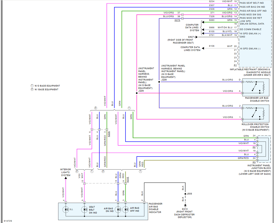
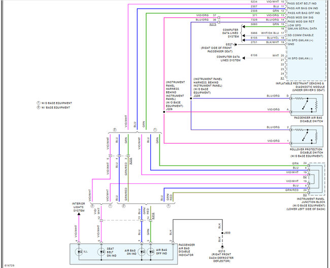
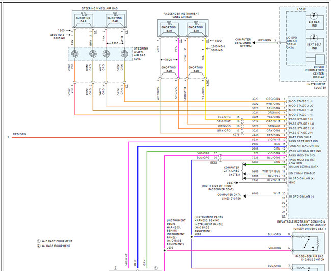
I got you covered, here you go. Check out the images (below). Let us know if you need anything else.
Was this
answer
helpful?
Yes
No
Friday, July 25th, 2025 AT 11:14 AM
Tiny
ABIDZ05
  • MEMBER
  • 7 POSTS
Hi Ken,

Thank you very much for the quick response. I have one question regarding the Passenger presence module and Passenger seat tension sensor. According to the diagram pin 5 and 6 from the Passenger presence module connect to passenger seat belt tension sensor pin 1 and 2 respectively through x320 connector under the seat. My question is does this mean that physical connection between 5, 6 and 1, 2 happen inside the connector x320 according to the diagram?

I have what looks like open circuit pin 2 with code B0071 that I'm trying to troubleshoot.

Thanks
Was this
answer
helpful?
Yes
No
Friday, July 25th, 2025 AT 12:47 PM
Tiny
KEN L
  • MASTER CERTIFIED MECHANIC
  • 55,350 POSTS
This code indicates an issue with the driver seat position sensor. Not a wiring issue.

DTC B0071: Driver Seat Position Sensor Circuit Range/Performance

Here is the location of the sensor. Check out the images (below). Please upload pictures or videos in your response.
Was this
answer
helpful?
Yes
No
+1
Friday, July 25th, 2025 AT 1:00 PM
Tiny
ABIDZ05
  • MEMBER
  • 7 POSTS
Hi Ken,

I checked the seat, and it does not have any position sensor nor wiring for that. I checked the codes inside the Passenger Presence Module, and it has 2 codes;
1-B0071:04 passenger seat belt tension sensor open
2-B0081:11 Passenger presence module high input

Thanks
Was this
answer
helpful?
Yes
No
Saturday, July 26th, 2025 AT 3:18 PM
Tiny
ABIDZ05
  • MEMBER
  • 7 POSTS
Thank you, Ken, for your great assistance. The issue has been resolved. The B0071:04 is a tension sensor circuit open in the passenger seat belt retractor. After fixing the broken wire I was able to do a relearn for the passenger presence module and everything worked just fine.
Was this
answer
helpful?
Yes
No
Saturday, July 26th, 2025 AT 6:21 PM
Tiny
KEN L
  • MASTER CERTIFIED MECHANIC
  • 55,350 POSTS
Glad you could get it fixed, thanks for letting us know. Please use 2CarPros anytime.
Was this
answer
helpful?
Yes
No
Sunday, July 27th, 2025 AT 10:51 AM

Please login or register to post a reply.