Reset immobilizer

Tiny
RUDEDOGGY
  • MEMBER
  • 2007 VOLKSWAGEN PASSAT
  • 2.0L
  • 4 CYL
  • TURBO
  • 4WD
  • AUTOMATIC
  • 154,000 MILES
Got a jump battery was draining while driving and then couldn't turn wheel or accelerate. Made it home but once I turned off wasn't able to turn back on changed radio while car was inoperative.
Monday, November 22nd, 2021 AT 5:17 AM

5 Replies

Tiny
JACOBANDNICKOLAS
  • MECHANIC
  • 110,192 POSTS
Hi,

If the radio is locked, you need the code to unlock it. There are a couple of ways to do this. First, if you have the original owner's manual, it should be listed there. Also, it would have come with a "device card" which will have the info.

Other than that, the code can be retrieved from the central database using a scan tool, but that will require a dealership.

One other thought. There were some that had the codes indicated on a label stuck on the radio housing. You may want to check there as well.

If you look below, I highlighted the relevant info from my manual. I hope something here helps. If you have other questions, let me know.

Take care,

Joe

See pic below.
Was this
answer
helpful?
Yes
No
+1
Monday, November 22nd, 2021 AT 9:08 PM
Tiny
RUDEDOGGY
  • MEMBER
  • 4 POSTS
Immobilizer was activated before I decided to change radio.
Was this
answer
helpful?
Yes
No
Monday, November 22nd, 2021 AT 11:15 PM
Tiny
JACOBANDNICKOLAS
  • MECHANIC
  • 110,192 POSTS
Is the replacement an OEM-type radio or an aftermarket? If it's aftermarket, it is doable. If it is the OEM type, then we need to get the code for the radio.

Let me know. Also, I wish I had an easier answer for you.

Take care,

Joe
Was this
answer
helpful?
Yes
No
+1
Tuesday, November 23rd, 2021 AT 5:11 PM
Tiny
RUDEDOGGY
  • MEMBER
  • 4 POSTS
Aftermarket.
Was this
answer
helpful?
Yes
No
Friday, November 26th, 2021 AT 2:39 AM
Tiny
JACOBANDNICKOLAS
  • MECHANIC
  • 110,192 POSTS
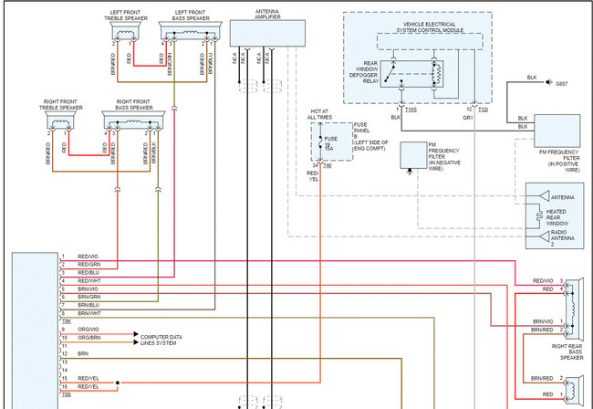
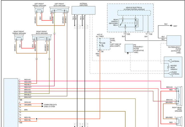
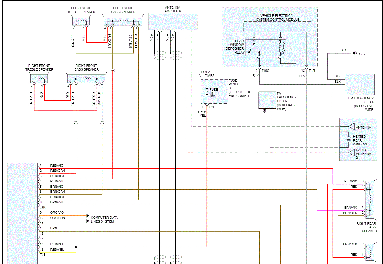
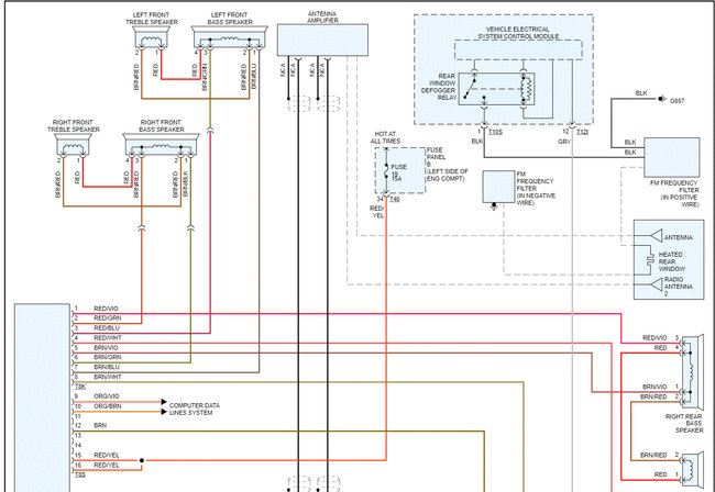
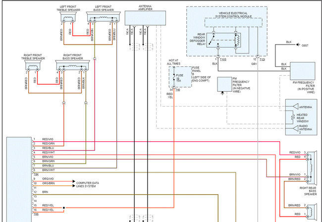
If you have an aftermarket radio, you should be able to simply provide power to it via a separate supply. If you look below, I provided the wiring schematics for the OEM radio. You will need to wire speakers separately to the new radio, get the antenna plugged in, and power the new one. With the schematic, you can see the wire colors for each speaker. Using the schematic that came with the new radio, cross them to the speaker wires listed.

Let me know if this helps or if you have other questions.

Take care,

Joe

See pics below.
Was this
answer
helpful?
Yes
No
Friday, November 26th, 2021 AT 8:37 PM

Please login or register to post a reply.