Replacing TIPM

Tiny
SCR2112
  • MEMBER
  • 2008 DODGE CHARGER
  • 2.7L
  • 2WD
  • AUTOMATIC
  • 158,000 MILES
I have the car listed above SE model. I need to know if 2006 - 2010 parts are interchangeable.
Monday, October 26th, 2020 AT 11:23 AM

1 Reply

Tiny
JACOBANDNICKOLAS
  • MECHANIC
  • 110,194 POSTS
Hi,

No sir. They are different. You will need to get one with the exact same part number as the one presently in the vehicle.

Here are the directions (if needed) for removal and replacement. The attached pics correlate with the directions.

____________________

Removal
2008 Dodge Charger V6-2.7L
Removal
Vehicle Power and Ground Distribution Power Distribution Module Service and Repair Removal and Replacement Integrated Power Module Removal

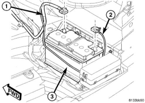
Pic 1

NOTE: A battery reconnect procedure must be performed anytime the battery has been disconnected. See: Battery > Procedures > Battery Reconnection.

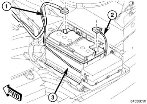
1. Disconnect and isolate the battery negative cable (2).

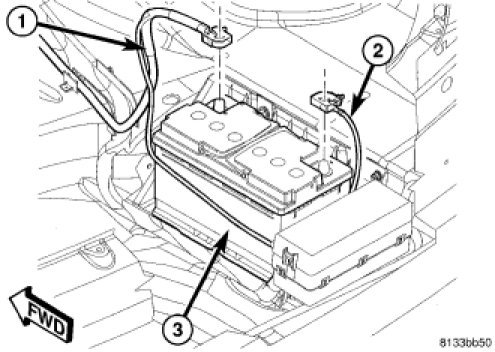
Pic 2

2. Open the battery cable nut cover to expose nut.
3. Remove battery cable nut and battery cable from the Integrated Power Module (IPM).

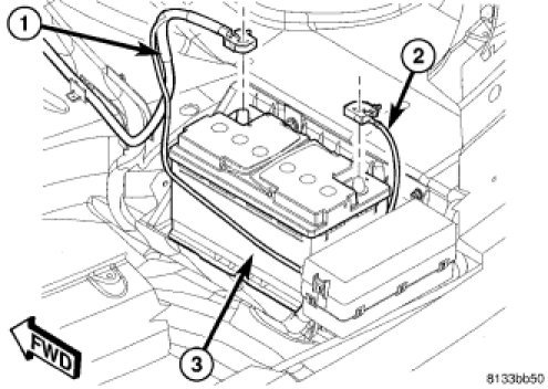
Pic 3

4. Disengage the outboard retaining clip, and rotate the IPM to access wire harness connectors.
5. Disconnect wire harness connectors from IPM.
6. Disengage the two inboard retaining clips.

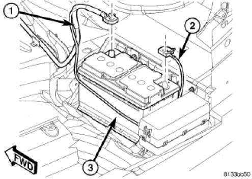
Pic 4

7. Remove IPM from vehicle.

______________________________
Installation
Vehicle Power and Ground Distribution Power Distribution Module Service and Repair Removal and Replacement Integrated Power Module Installation

pic 4

NOTE: A battery reconnect procedure must be performed anytime the battery has been disconnected. See: Battery > Procedures > Battery Reconnection.

1. Position Integrated Power Module (IPM) to vehicle. Engage the three retaining clips.

Pic 5

2. Disengage the outboard retaining clip and rotate the IPM to access wire harness connectors.
3. Connect electrical harness connectors to IPM.

Pic 6

4. Connect battery cable to IPM.
5. Install and tighten retaining nut.
6. Close the battery cable nut cover.

Pic 7

7. Connect battery negative cable (2).

_______________________________

Here are the directions for the battery reconnect.

2008 Dodge Charger V6-2.7L
Battery Reconnection
Vehicle Starting and Charging Battery Service and Repair Procedures Battery Reconnection
BATTERY RECONNECTION
BATTERY RECONNECTION

NOTE: This reconnection procedure is to be performed anytime the battery has been disconnected.

See Pic 8 again

1. Connect the battery negative cable (2) to the battery post and tighten the clamp nut.
2. Install the rear compartment floor trim panel.

CAUTION: Once the battery has been connected, review and perform the following information as applicable.

AUTO UP FRONT WINDOW

If the vehicle is equipped with the auto-up front window feature, once the battery is reconnected the door module needs to be calibrated. The door module requires calibration anytime the battery or door module has been disconnected for any length of time. To calibrate, perform the following:

1. Turn the Ignition to the Run position.
2. Regardless of current window position, move the driver side front window upward until the window stalls in the full up position. Allow the window motor to stall for at least 2 seconds before releasing the switch.
3. Move the driver side front window downward until the window stalls in the full down position. Allow the window motor to stall for at least 2 seconds before releasing the switch.
4. Move the driver side front window upward until the window stalls in the full up position. Allow the window motor to stall for at least 2 second before releasing the switch.
5. Repeat steps 2, 3 and 4 for the passenger side front window.
6. Verify the windows are properly calibrated by operating the express down and up features on the windows. Repeat this procedure if the calibration failed. If unable to properly calibrate after the second attempt, check the Driver's Door Module (DDM) and Passenger's Door Module (PDM) for Diagnostic Trouble Codes (DTCs) and correct as required.

ELECTRONIC STABILITY PROGRAM (ESP)

If the vehicle is equipped with ESP, once the battery is reconnected, the Steering Angle Sensor (SAS) within the Antilock Brake Module (ABM) needs to be calibrated. The SAS requires calibration (initialization) using the scan tool anytime the battery or an ABS (ESP) component has been disconnected for any length of time. If the SAS is not calibrated following battery reconnection, the ESP/BAS indicator lamp will flash continuously with no DTCs.

To calibrate (initialize), perform the following:

1. Position the front wheels straight ahead and center the steering wheel.
2. Connect the scan tool to the vehicle.
3. Follow the directions on the scan tool.

__________________

I hope this helps. Let me know if you have other questions.

Take care,
Joe
Was this
answer
helpful?
Yes
No
Monday, October 26th, 2020 AT 1:02 PM

Please login or register to post a reply.