Does my car have a starter solenoid on the firewall?
2001 MERCURY MOUNTAINEER
140,000 MILES • 0.5L • V8 • 2WD • AUTOMATIC
FRANK TOLBERT
MEMBER
1 POST
FOLLOW
Replacing the starter and I want to see if the solenoid is any good on the firewall that is if it has one.
Jun 13, 2018 at 10:50 AM
Advertisement
Repair Safety Notice:
This information is for general instructional purposes only. Vehicle repair can be dangerous.
Verify all information, follow manufacturer service procedures, use proper tools and safety equipment,
and consult a qualified repair shop when needed.
STEVE W.
AUTOMOTIVE REPAIR CONTRIBUTOR
15,145 POSTS
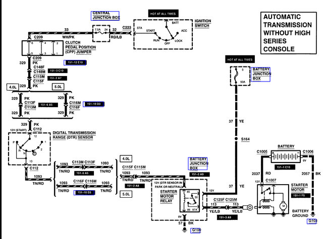
It has a starter relay but not on the firewall, it is in the relay box under the hood. Check out the diagrams (Below). Please let us know if you need anything else to get the problem fixed.