Saturday, July 10th, 2021 AT 4:24 PM
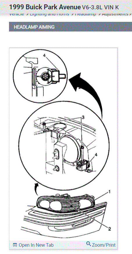
Are there any instructions on replacing the headlamp assembly such as prying or alignment on this job? I am trying to be an indoor wheelchair mechanic trying to help/teach my wife to replace it. A deer decided to run in front and crack open the bulbs to the weather and she has been pulled over twice. Thanks for any help you can give!








