Replacing bearings

Tiny
NADINE30102
  • MEMBER
  • 2002 TOYOTA COROLLA
  • 180,000 MILES
Do I remove CV axle to repair the bearings?
Saturday, November 17th, 2018 AT 12:22 PM

1 Reply

Tiny
JACOBANDNICKOLAS
  • MECHANIC
  • 110,194 POSTS
Hi and thanks for using 2CarPros. Com.

The front wheel bearings on this vehicle are not the simple type to replace. Yes, the axle will need removed as will the steering knuckle. Here are the directions specific to your vehicle for replacement. All attached pictures correlate with these directions.

_____________________________________

DISASSEMBLY AND REASSEMBLY

DISASSEMBLY
1. REMOVE DUST DEFLECTOR
Using a screwdriver, remove the dust deflector.

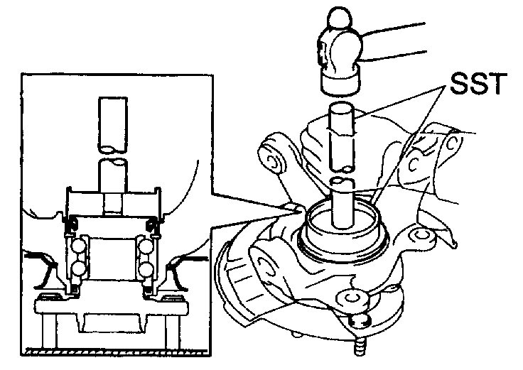
2. REMOVE LOWER BALL JOINT
a. Remove the cotter pin and nut.
B. Using SST, remove the lower ball joint.
SST 09628-62011

3. REMOVE INNER OIL SEAL
Using SST, remove the inner oil seal.
SST 09308-00010
4. REMOVE SNAP RING
Using snap ring pliers, remove the snap ring.
5. REMOVE AXLE HUB

a. Using SST, remove the axle hub.
SST 09520-00031 (09520-00040, 09521-00010, 09521-00020)
b. Remove the inner race (inside).

C. Using SST, remove the inner race (outside) from the axle hub.
SST 09950-40011 (09951-04020, 09952-04010, 09953-04030, 09954-04010, 09955-04061, 09957-04010, 09958-04011), 09950-60010 (09951-00360)
6. REMOVE DUST COVER
Using a torx wrench (T30), remove the 3 bolts and dust cover.

7. REMOVE OUTER OIL SEAL
Using SST, remove the outer oil seal.
SST 09300-00010

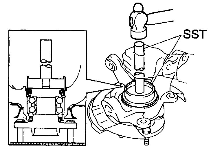
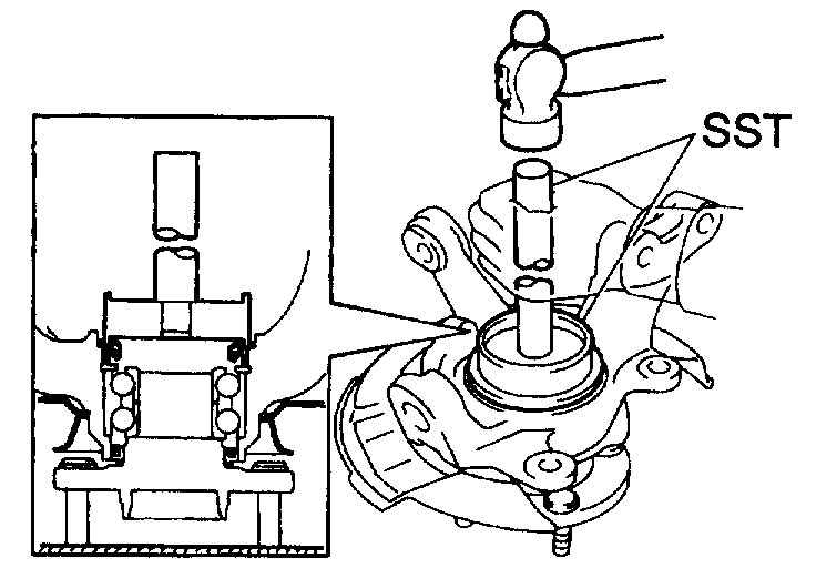
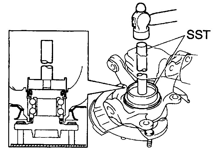
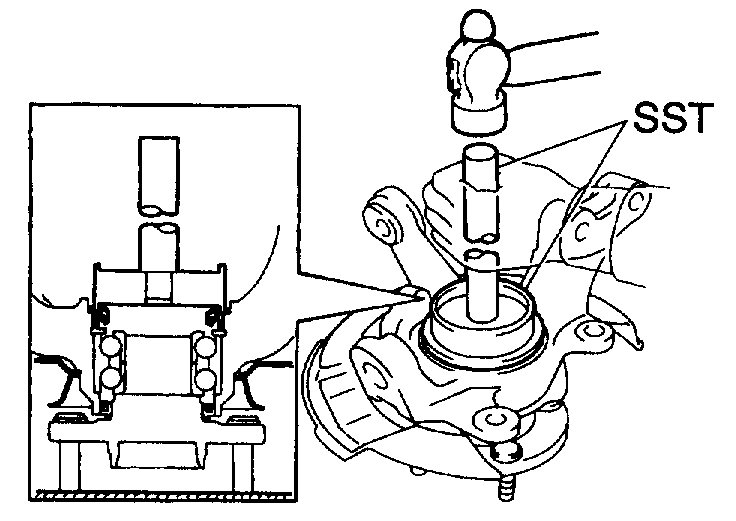
8. REMOVE BEARING FROM STEERING KNUCKLE
a. Place the inner race (outside) on the bearing.
B. Using SST and a press, remove the bearing from the steering knuckle.
SST 09527-17011, 09950-60010 (09951-00650), 09950-70010 (09951-07150)
___________________________
REASSEMBLY

1. INSTALL BEARING
a. Remove the inner races from a new bearing.
B. Using SST and a press, install the bearing to the steering knuckle.
SST 09950-60020 (09951-00710), 09950-70010 (09951-07150)
c. Install the inner races.

NOTICE: If the inner race and balls become loose and come out from the bearing outer race, make sure to install them on the same side as before.

2. INSTALL OUTER OIL SEAL
a. Using SST and a hammer, install a new outer oil seal.
SST 09316-60011 (09316-00011, 09316-00061), 09527-17011
b. Coat MP grease to the oil seal lip.
3. INSTALL DUST COVER
Using a torx wrench (T30), install the dust cover with the 3 bolts.
Torque: 8.3 Nm (85 kgf-cm, 74 inch lbs.)

4. INSTALL AXLE HUB
Using SST and a press, install the axle hub.
SST 09950-60010 (09951-00650), 09950-70010 (09951-07150)

NOTICE: Be careful not to damage the bearing.

5. INSTALL SNAP RING
Using snap ring pliers, install a new snap ring.

6. INSTALL INNER OIL SEAL
a. Using SST and a hammer, install a new inner oil seal.
SST 09608-32010, 09950-70010 (09951-07150)
b. Coat IMP grease to the oil seal lip.
7. INSTALL LOWER BALL JOINT
a. Install the lower ball joint and torque the nut.
Torque: 124 Nm (1,260 kgf-cm, 91 ft. Lbs.)
b. Install a new cotter pin.
If the holes for the cotter pin are not aligned, tighten the nut further up to 60°.

8. INSTALL DUST DEFLECTOR
Using SST and a hammer, install a new dust deflector.
SST 09950-60020 (09951-00890), 09950-70010 (09951-07150)

HINT: Align the hole for the ABS speed sensor in the dust deflector with the one in the steering knuckle.

_______________________________

Let me know if this helps.

Take care,
Joe
Was this
answer
helpful?
Yes
No
Saturday, November 17th, 2018 AT 6:10 PM

Please login or register to post a reply.