Wednesday, May 15th, 2013 AT 9:29 AM
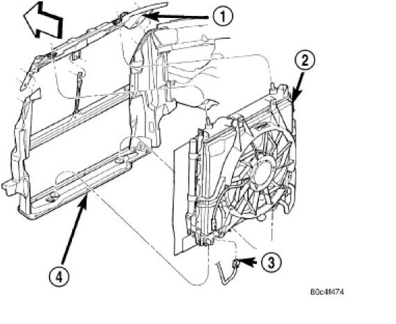
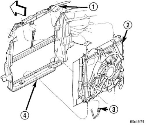
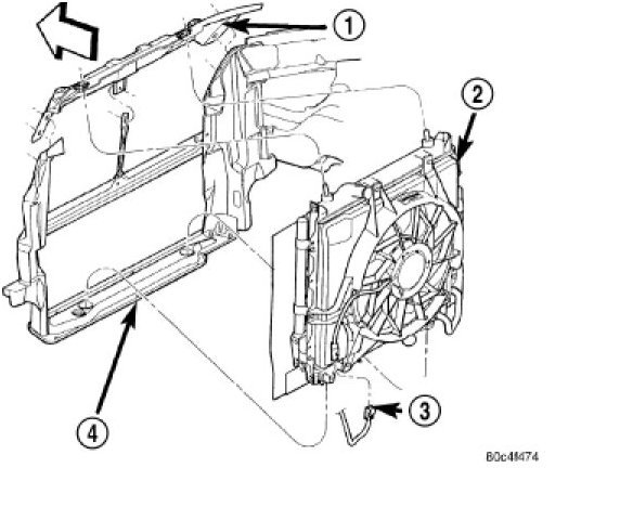
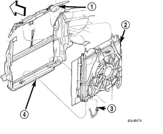
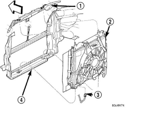
My Daughters car overheated this morning. I went to check it out and noticed the plastic CHEAP! Radiator cap broke in two. It looks like a long hose that connects to the thermostat on the motor itself and to the top left side of the radiator. My problem is I can not see the end of the hose that connects to the radiator. Do I need to remove the fan shroud or any other things to get to this so I can replace the hose? It looks simple enough to do but I am needing to make sure. Thanks for your help!





