Replaced starter, engine not cranking?

Tiny
JAMIEM7
  • MEMBER
  • 2001 FORD EXPLORER SPORT TRAC
  • 4 CYL
  • 2WD
  • AUTOMATIC
  • 200,000 MILES
The car had to constantly be jumped off. Replaced the batter, same thing still. Ran a diagnostic at Advanced Auto and they said it was a bad starter.

Replaced the starter (first time ever doing this). My husband broke the clamp on the ground, so he replaced it with a brass one from Auto Zone.

When we try to crank the car, it clicks once then doesn't turn over. Power for windows, locks, etc, works and the batter is testing good.
Thursday, December 15th, 2022 AT 1:49 PM

1 Reply

Tiny
JACOBANDNICKOLAS
  • MECHANIC
  • 110,194 POSTS
Hi,

The most common cause of this type of problem is a loose or corroded battery terminal. First, make sure they are both clean and tight. Also, if I understand correctly, the negative battery terminal was replaced. Try this. Have a helper try to start the engine while you watch for any sparks at the battery terminals or the ground that runs to the engine block.

If that all checks good, then see if there is a change when the vehicle is placed in neutral. If there is no change, we need to check for power at the starter.

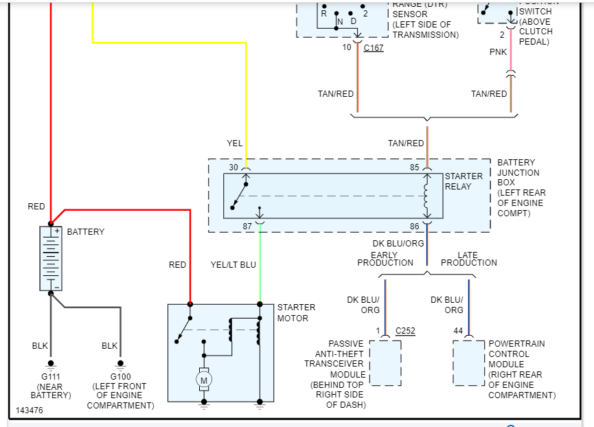
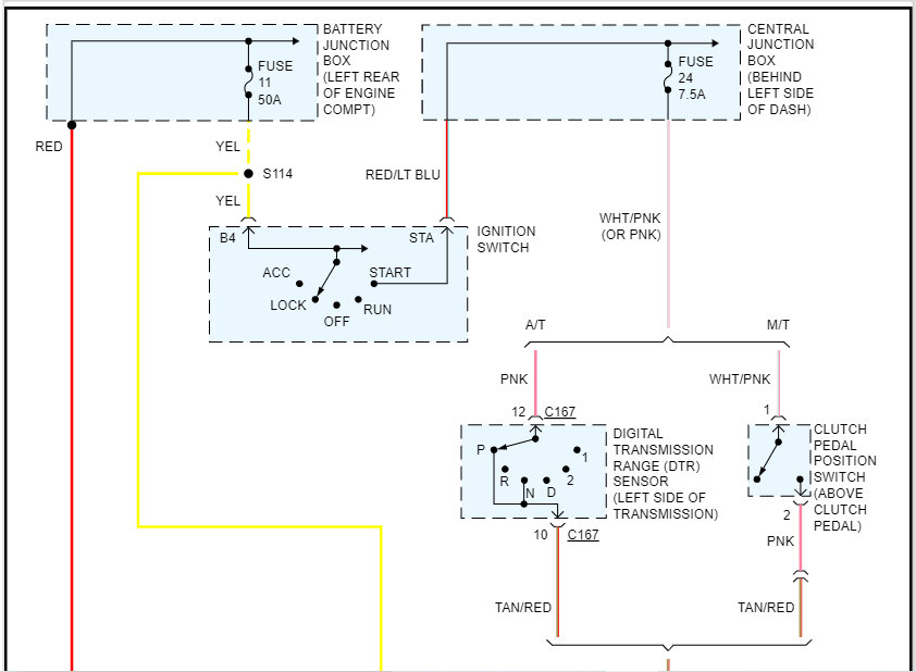
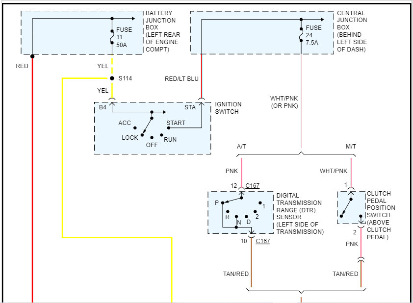
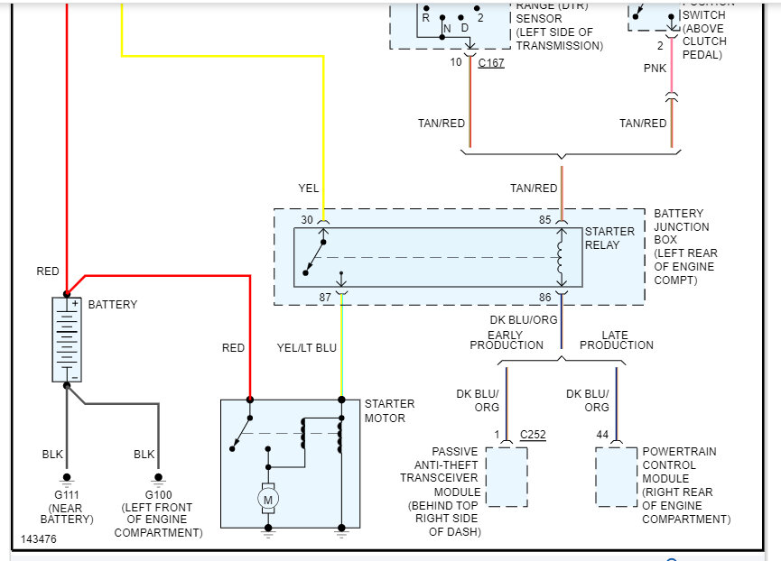
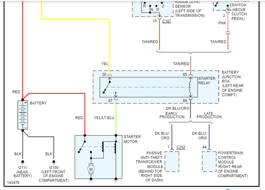
If you look below, I attached the starter circuit wiring schematic for you as a reference. At the starter, there are two wires. One is a much heavier gauge wire which is red in color. That should be tight and have power at all times.

There will also be a smaller gauge yellow wire with a light blue tracer. That is the one of interest. In all key positions other than the start position, the yellow/light blue wire will not have power. However, when you turn the key to the start position, it should. So, I need to have you confirm that for me. Have a helper turn the key to the start position while you check for power at that wire.

Here is a link you may find helpful:

https://www.2carpros.com/articles/starter-not-working-repair

Let me know what you find or if you have other questions.

Take care,

Joe

See pics below.
Was this
answer
helpful?
Yes
No
Thursday, December 15th, 2022 AT 8:27 PM

Please login or register to post a reply.