Replaced heater core now gauges dont work correctly

Tiny
K07032004
  • MEMBER
  • 1999 JEEP CHEROKEE
  • 264,000 MILES
Engine runs fine but gauges come on for a second the tach dies after a few seconds and the other gauges don't read correctly when I turn the light on all the gauges die and the turn signal indicator lights both come on and stay on I have checked connections and fuses and still no luck
Sunday, June 9th, 2013 AT 12:38 PM

3 Replies

Tiny
CJ MEDEVAC
  • MECHANIC
  • 11,005 POSTS
IT RUNS?

HAVE YOU HAD TO JUMP START IT. RECENTLY?

THE MEDIC
Was this
answer
helpful?
Yes
No
+1
Sunday, June 9th, 2013 AT 6:37 PM
Tiny
K07032004
  • MEMBER
  • 2 POSTS
Yes it runs

No have not had to jump start it at all
Was this
answer
helpful?
Yes
No
Sunday, June 9th, 2013 AT 7:45 PM
Tiny
CJ MEDEVAC
  • MECHANIC
  • 11,005 POSTS
JUST FOR GIGGLES, HAVE YOUR BATTERY TESTED AT A POPULAR AUTO PARTS STORE. THIS IS USUALLY A FREE SERVICE. NOTHING LIKE SOMETHING TOTALLY UNRELATED MESSING YOU UP

. SOMETIMES, JUST DISCONNECTING IT MIGHT RESET STUFF

YOU MAY NOT HAVE GOT A GROUND BACK IN PLACE, OR TIGHT

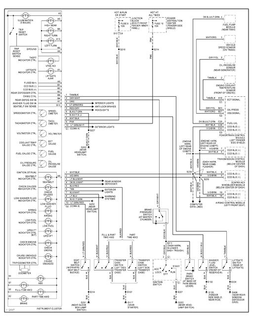
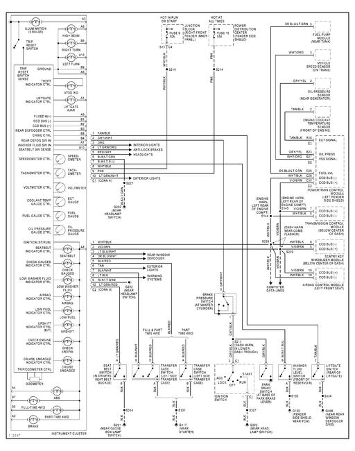
WITHOUT CORRECT NOMENCLATURE AND ENGINE SIZE.I JUST GUESSED, AND GRABBED THIS DIAGRAM OUT OF "MITCHELL I"

THIS ONE IS "INSTRUMENTS" FOR A '99 CHEROKEE LIMITED (CORRECT ME IF I GUESSED WRONG.I HAD 4 CHOICES ON MODEL) SOMETIMES THE "COMMON STUFF" DIAGRAMS ARE THE SAME DIAGRAM AS FOR THE OTHER MODELS

LOOK FOR THE "GROUNDS" IN THE DIAGRAM. NORMALLY A LOCATION IS GIVEN FOR THEM

LEMME KNOW THE DEAL

I WORK. WILL GET BACK WITH YOU WHEN I GET BACK ON. IF YOU SHOULD RESPOND

THE MEDIC
Was this
answer
helpful?
Yes
No
Sunday, June 9th, 2013 AT 9:01 PM

Please login or register to post a reply.