Monday, January 27th, 2020 AT 6:00 PM
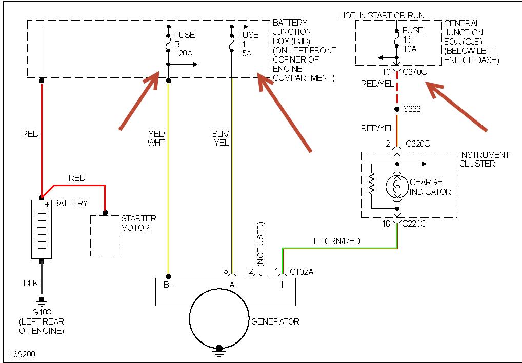
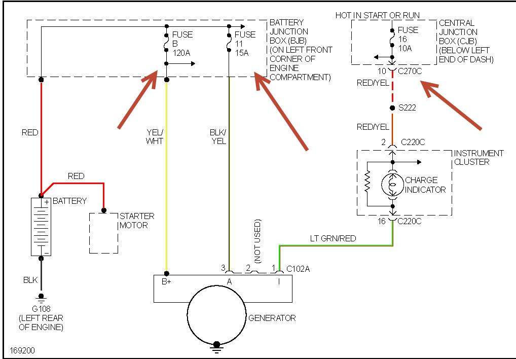
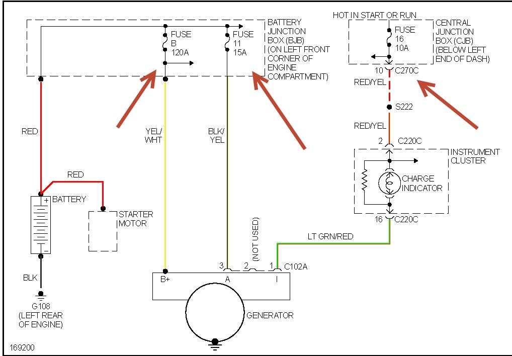
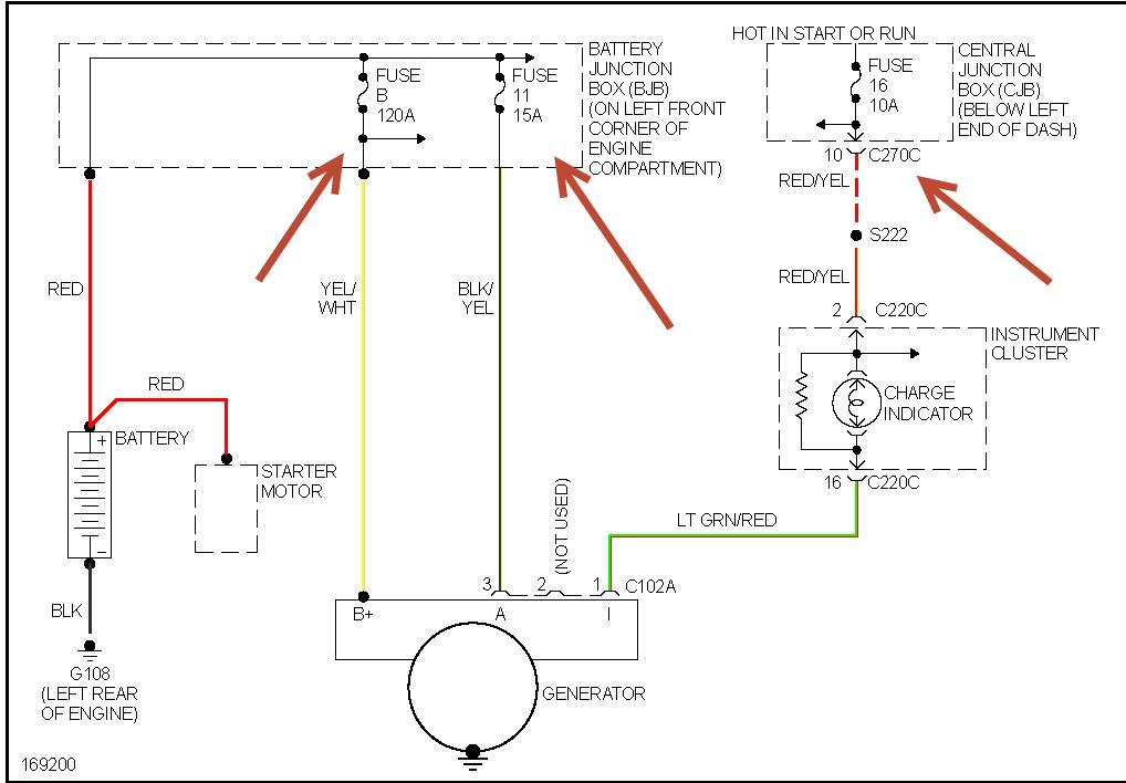
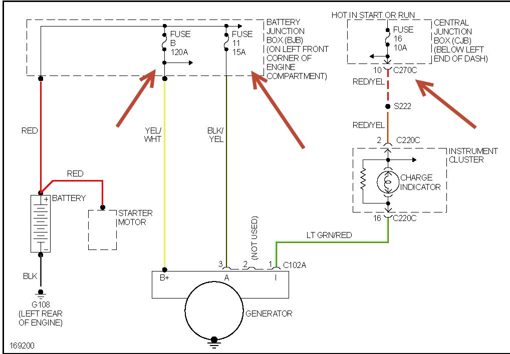
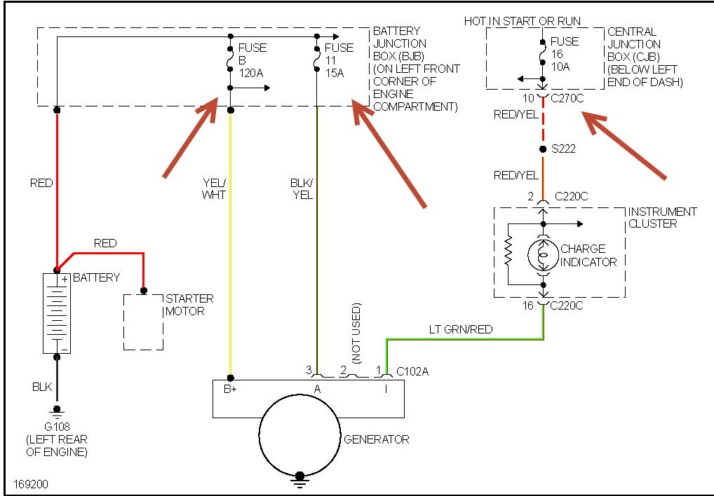
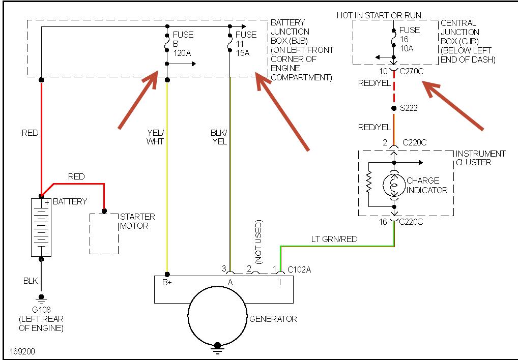
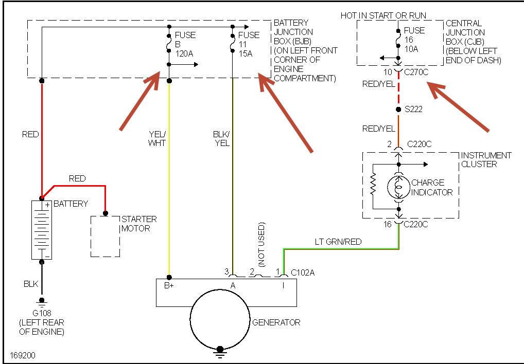
I replaced my alternator and now all my lights and electrical is going nuts. Battery was dead, jumped battery to get it started and as long as I leave the charger boosting the battery my car runs fine, but when I disconnect the charger everything goes crazy. Do I maybe need a new battery, did I do the job right can you help me make sure?





















