Need a guide to help me figure out why the vehicle does not turn on?

2007 CADILLAC CTS
200,000 MILES • 2.8L • V6 • 2WD • AUTOMATIC
Avatar
LEYNA07830
  • MEMBER
  • 6 POSTS
If you could please help me with a repair manual.
Jun 11, 2023 at 8:46 AM
Repair Safety Notice: This information is for general instructional purposes only. Vehicle repair can be dangerous. Verify all information, follow manufacturer service procedures, use proper tools and safety equipment, and consult a qualified repair shop when needed.
Advertisement
Avatar
CARADIODOC
  • CAR REPAIR CONTRIBUTOR
  • 34,308 POSTS
Start by looking on eBay, but I would shy away from Haynes and Chilton manuals because they don't get very involved with electrical stuff. By far my favorite is paper factory manuals because you can put in bookmarks, add notes, and have multiple pages open at once. Next would be a factory manual on CD or DVD.

You can also buy a subscription to "AllData". That's the online service we use. Last time I checked, access to your one model cost around $27.00 for one year or around $48.00 for five years.

If you have specific needs, we can post some diagrams, but it takes considerable time to copy and format them for uploading. It's not practical to format an entire service manual because there's well over a thousand diagrams and photos, plus a real lot of text.

If you want to list the symptoms, I can try to help, but it's likely we'll have to get one of the other experts involved. Let me know how you'd like to proceed.
Jun 11, 2023 at 9:28 AM
Advertisement
Avatar
LEYNA07830
  • MEMBER
  • 6 POSTS
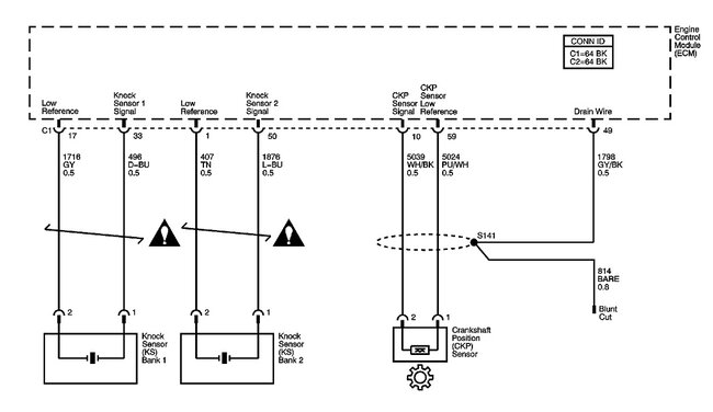
I know it's something to do with either crankshaft sensor or not getting spark. I've tried several battery replacements, but still not getting it to start, it cranks. I've replaced the alternator already, it worked fine one day and next day nothing.
Jun 11, 2023 at 9:29 AM
Avatar
CARADIODOC
  • CAR REPAIR CONTRIBUTOR
  • 34,308 POSTS
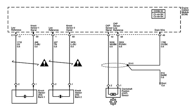
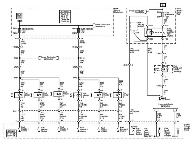
Crankshaft position sensor would cause no spark, no fuel injector pulses, and no fuel pump, but the starter will crank the engine just fine. This has nothing to do with the battery or generator.

When you list the battery and generator, I'm thinking the starting system is dead.

"I've replaced alternator already it worked fine one day and next day nothjng". "Nothing" doesn't tell me anything, hence my confusion. Ya gotta list specific symptoms, observations, or clues to keep me on track.

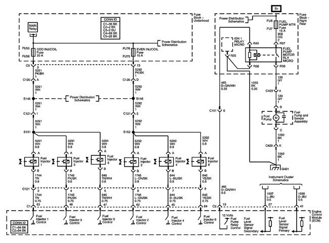
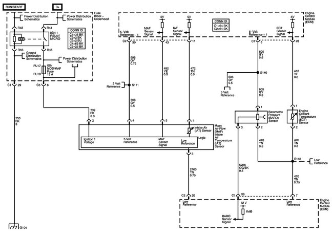
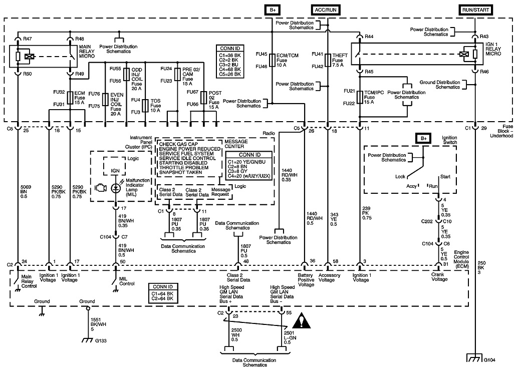
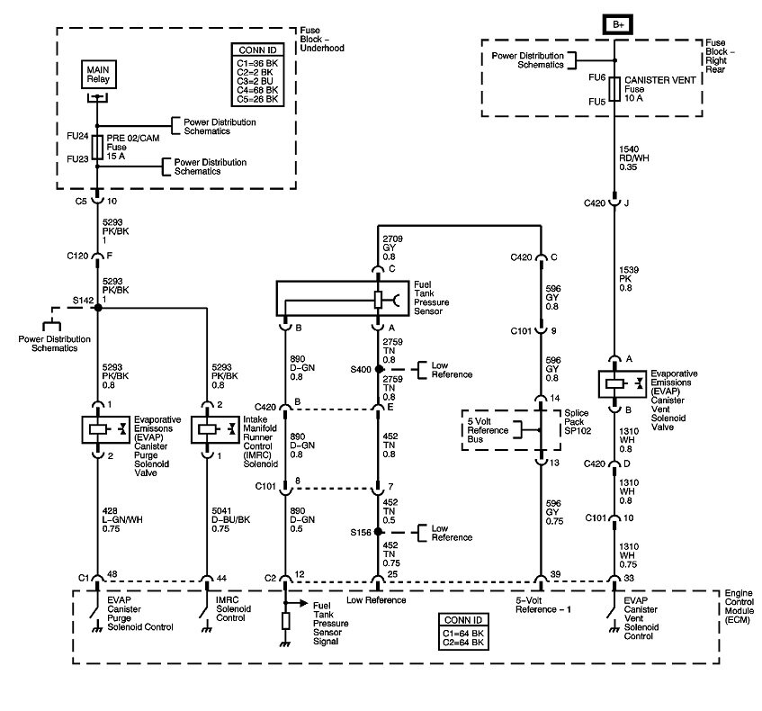
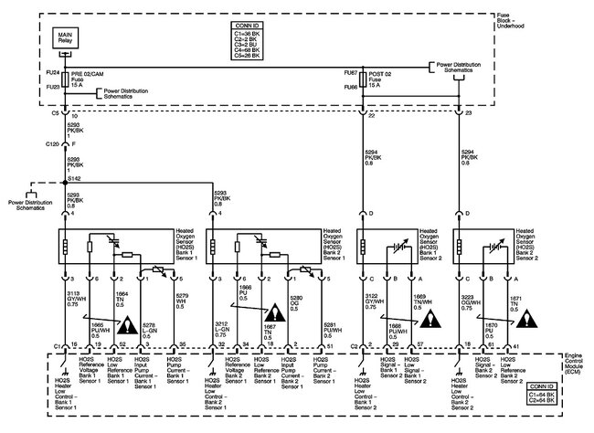
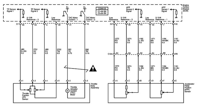
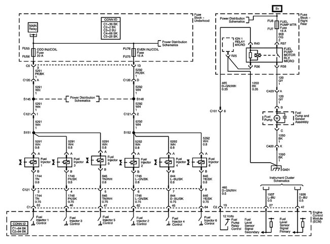
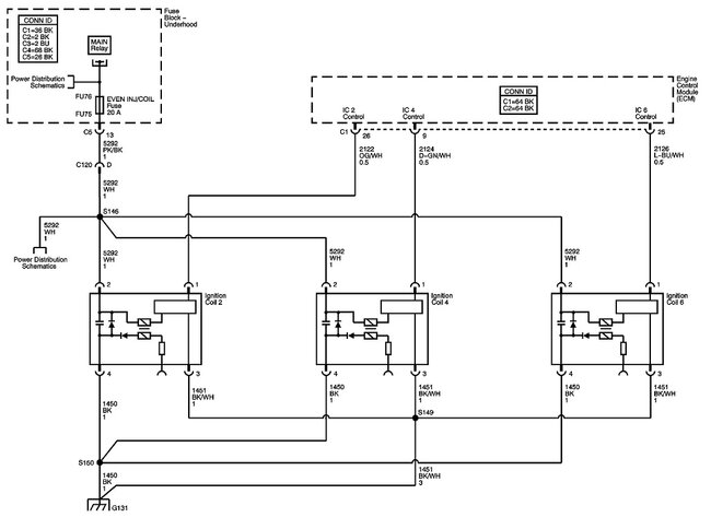
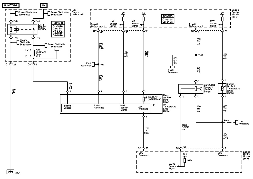
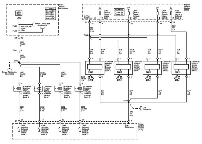
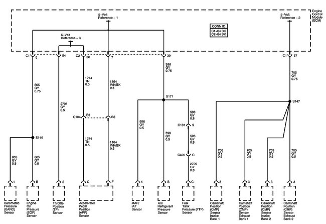
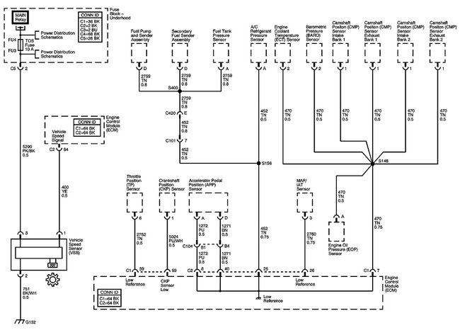
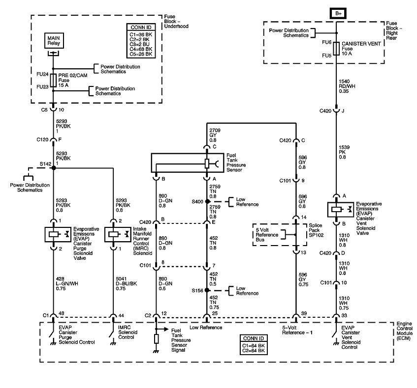
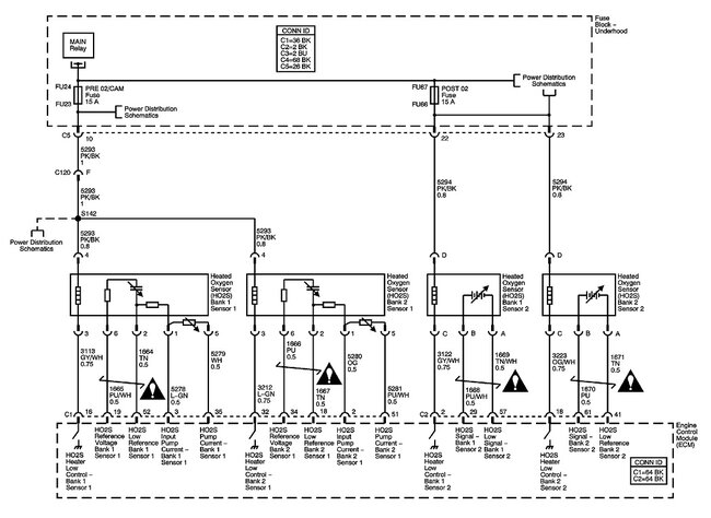
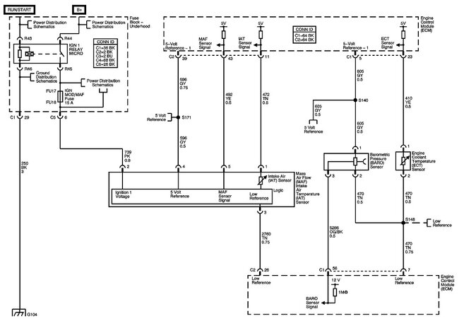
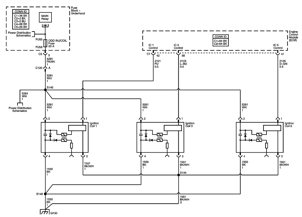
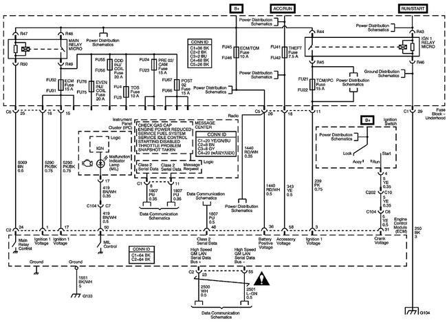
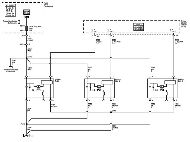
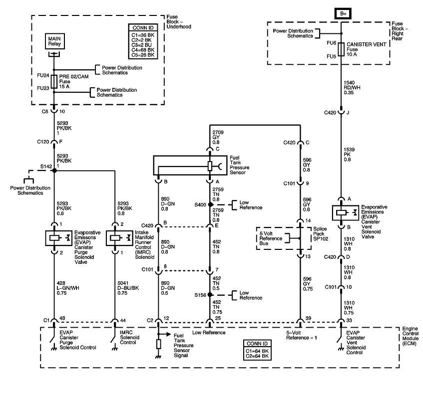
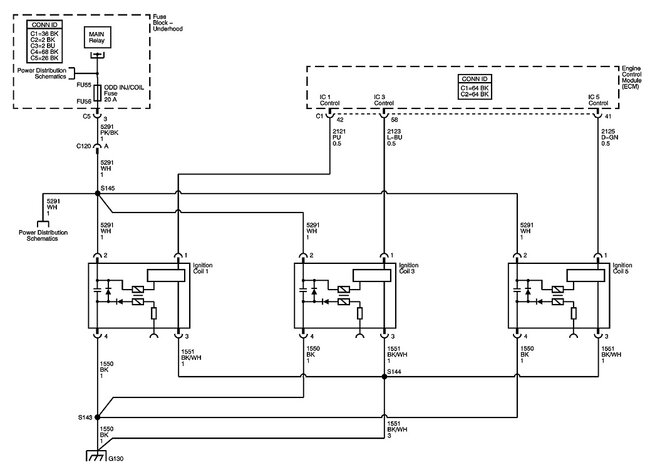
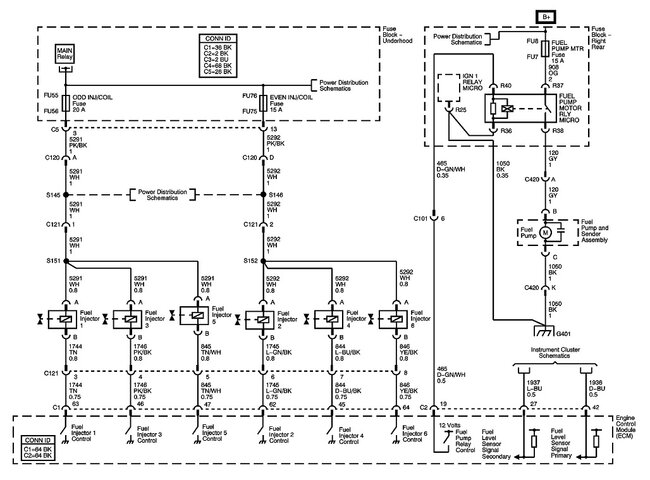
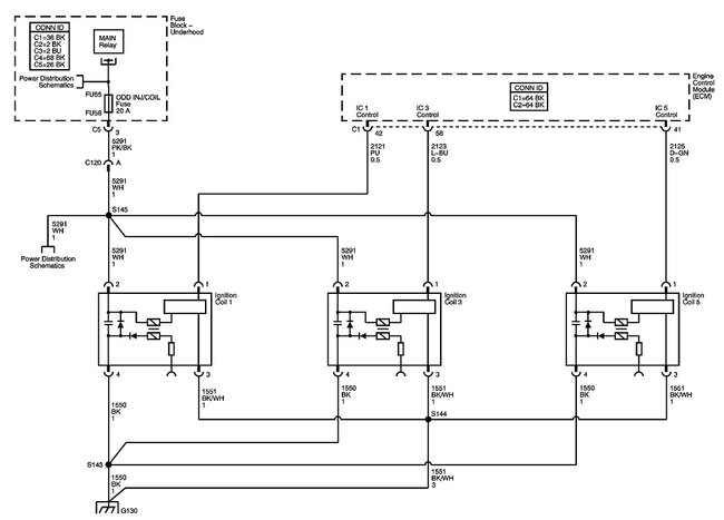
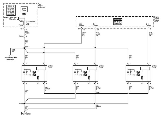
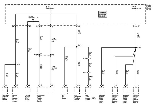
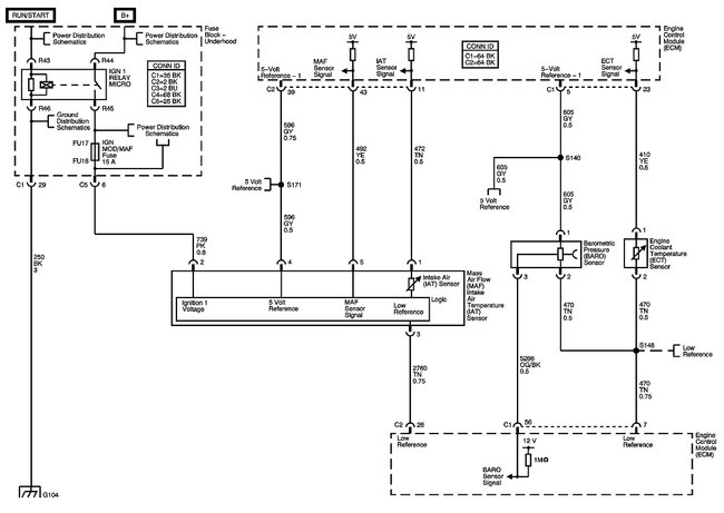
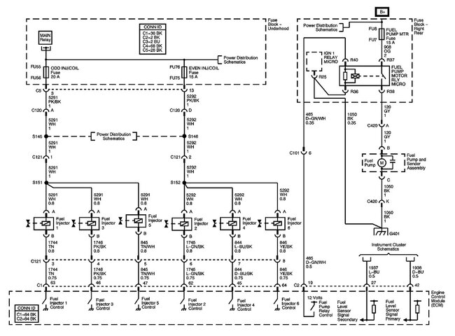
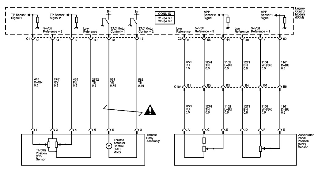
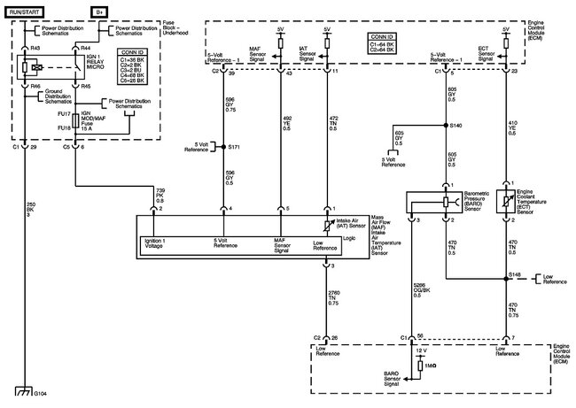
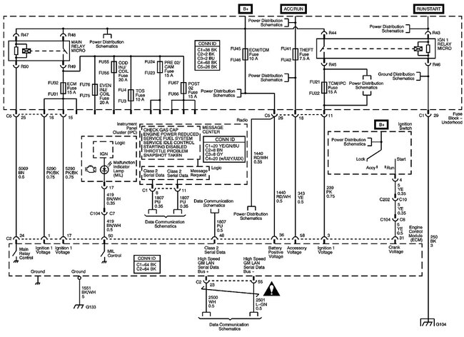
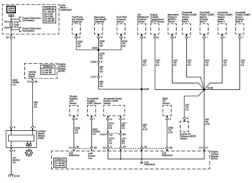
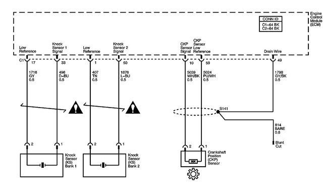
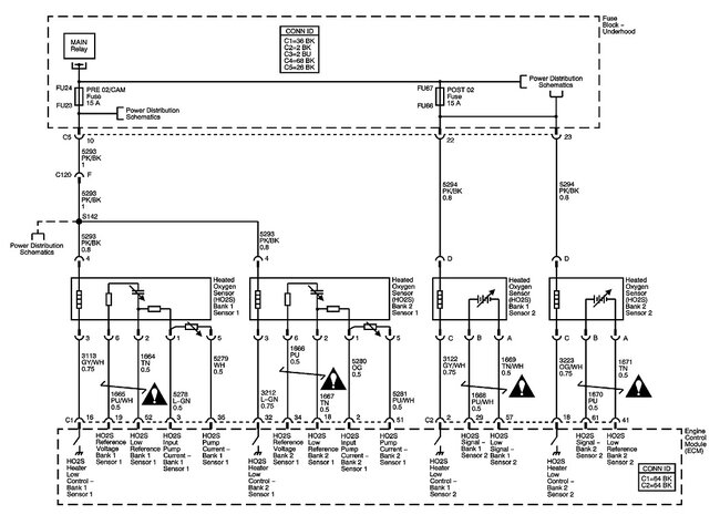
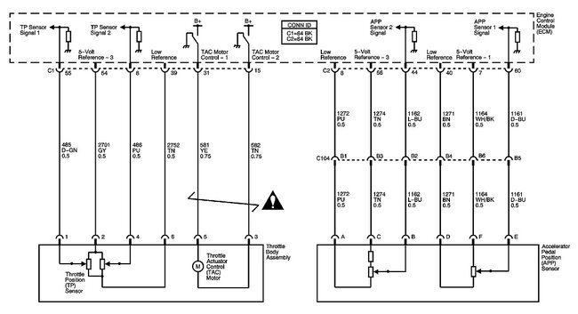
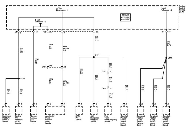
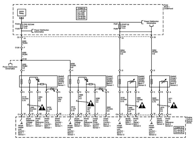
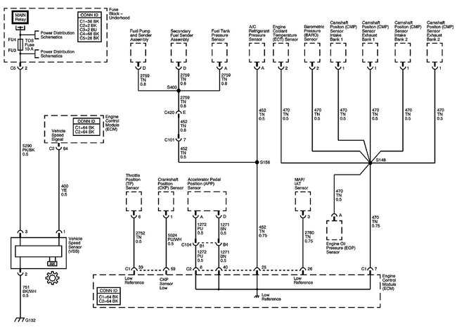
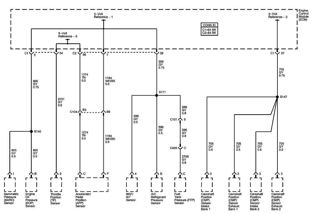
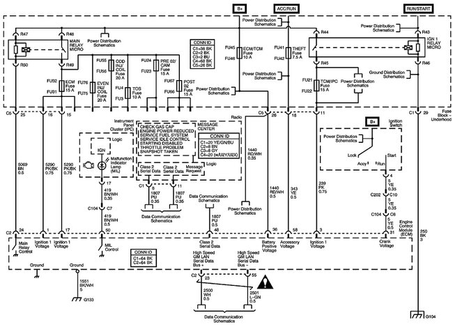
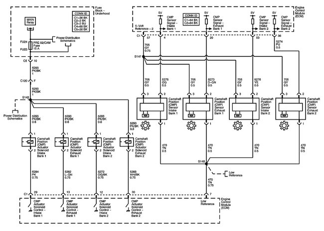
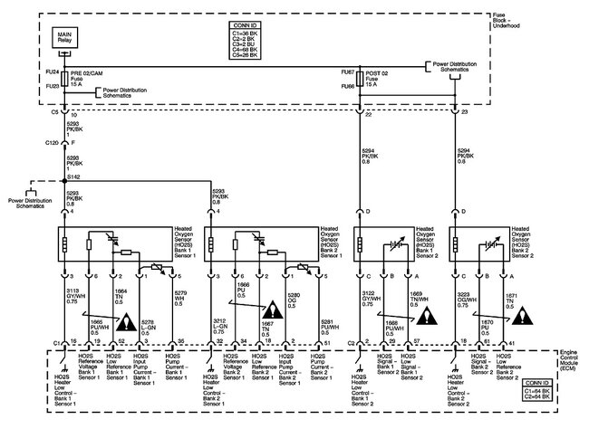
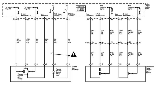
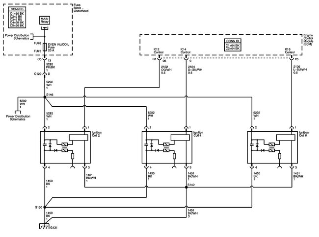
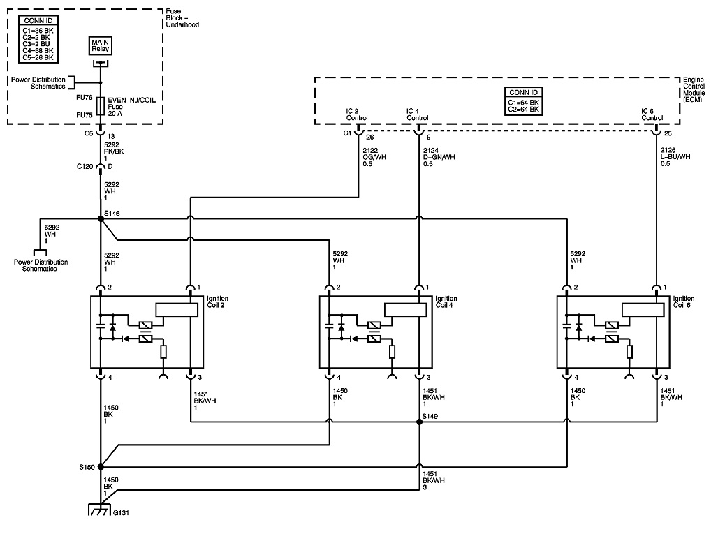
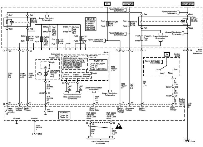
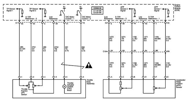
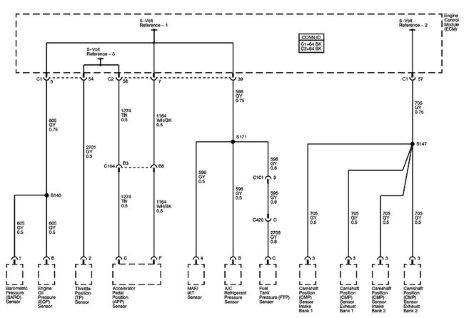
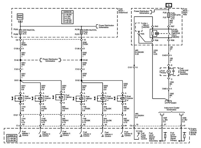
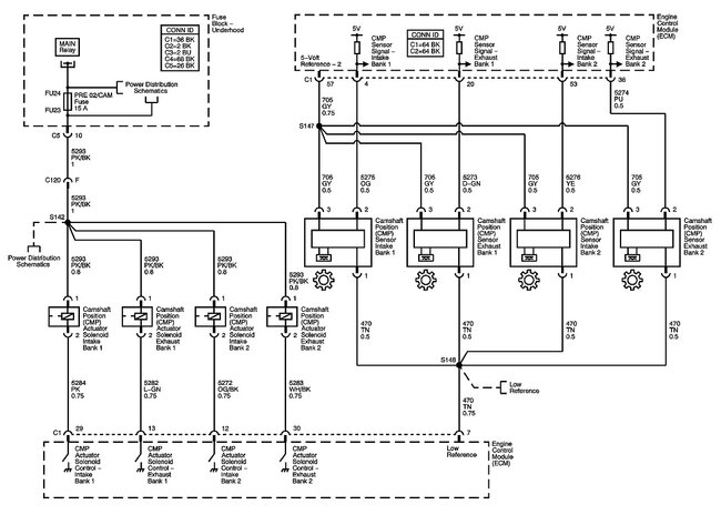
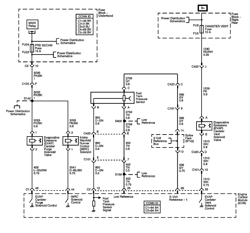
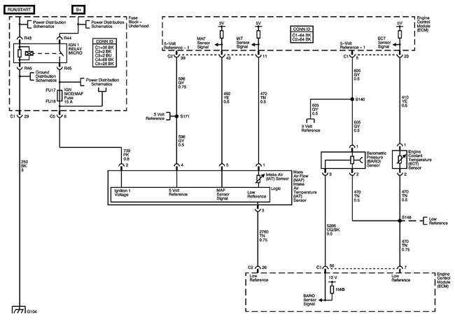
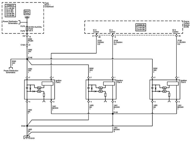
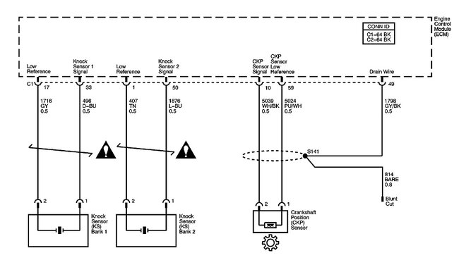
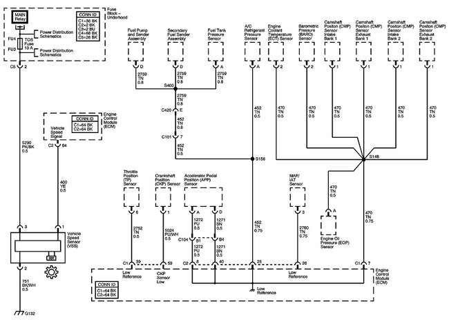
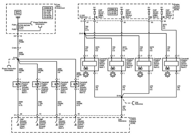
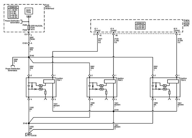
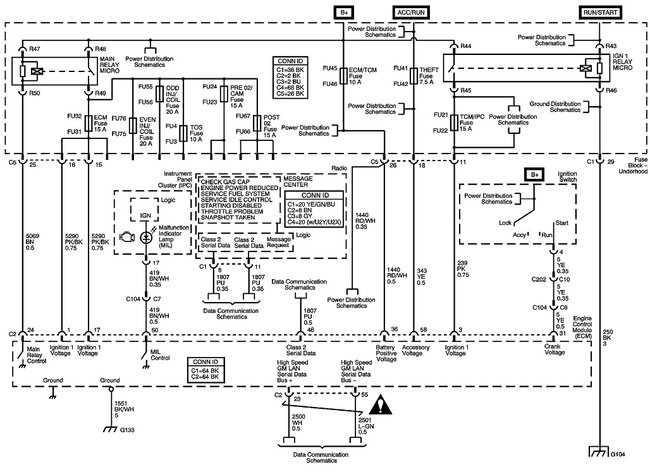
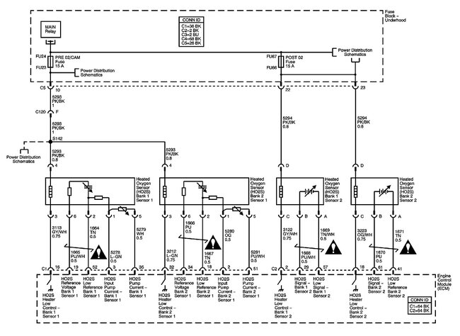
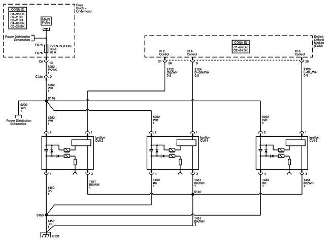
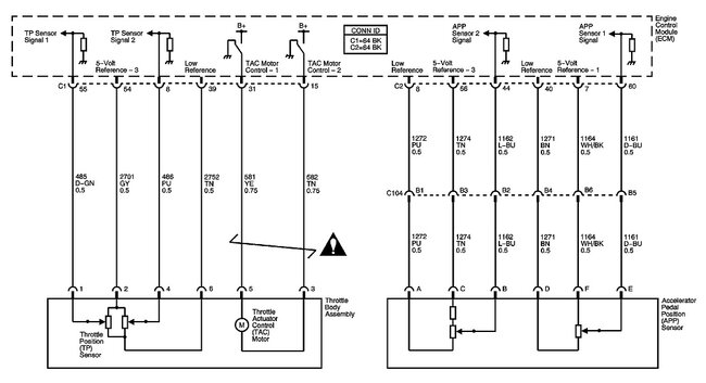
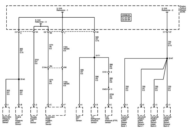
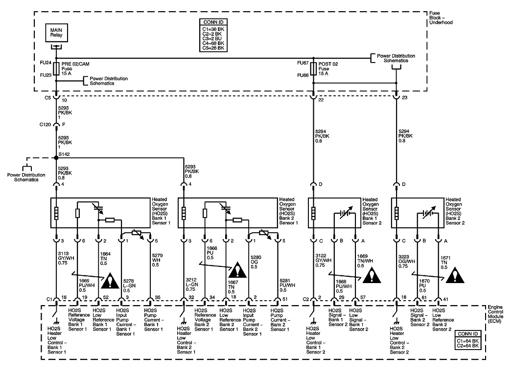
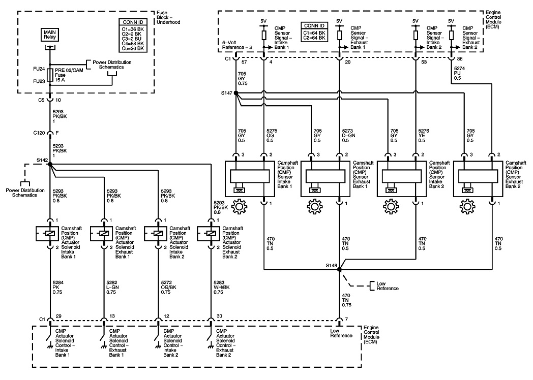
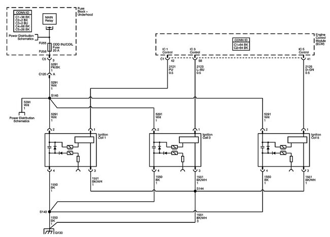
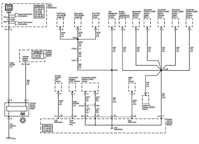
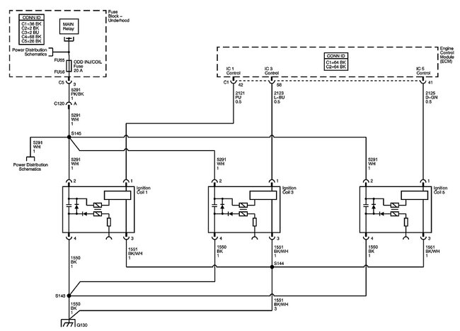
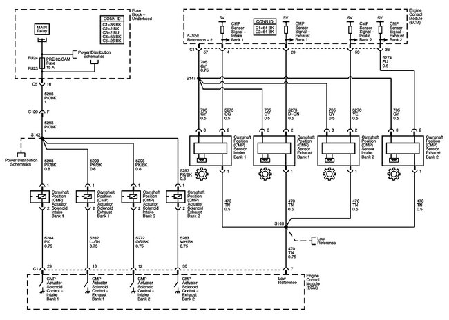
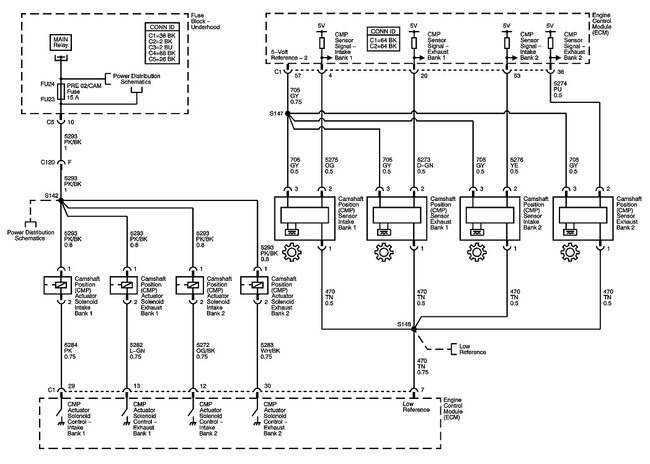
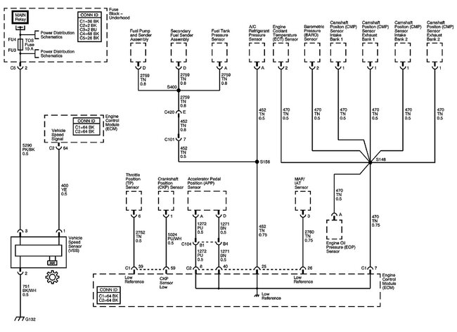
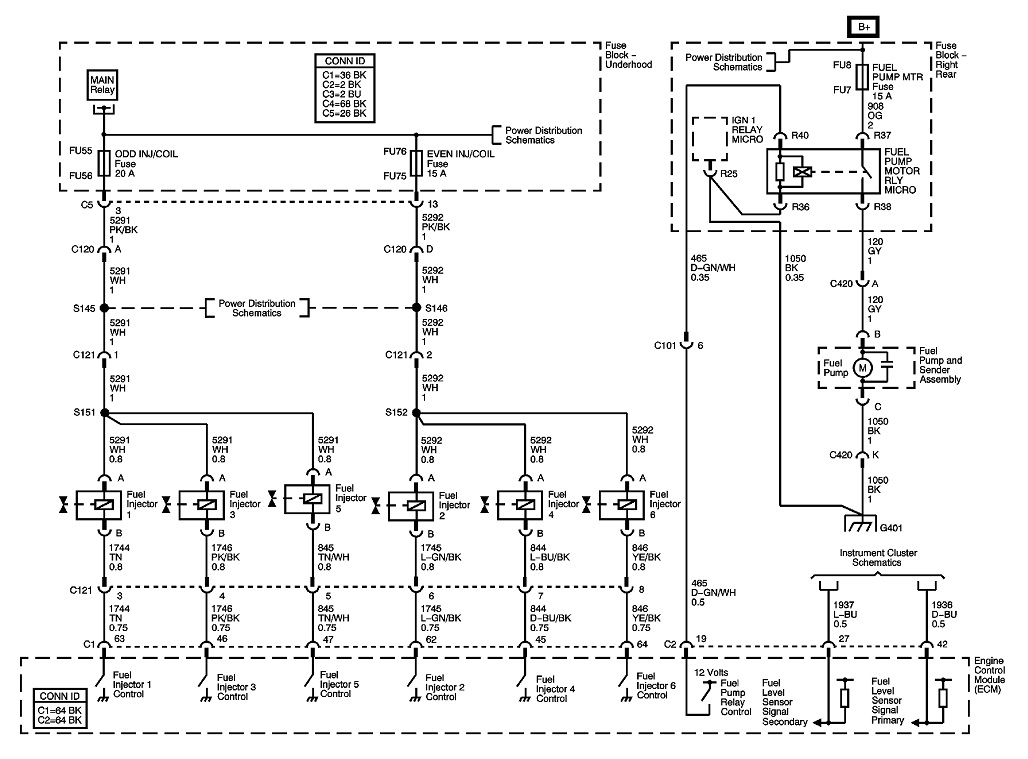
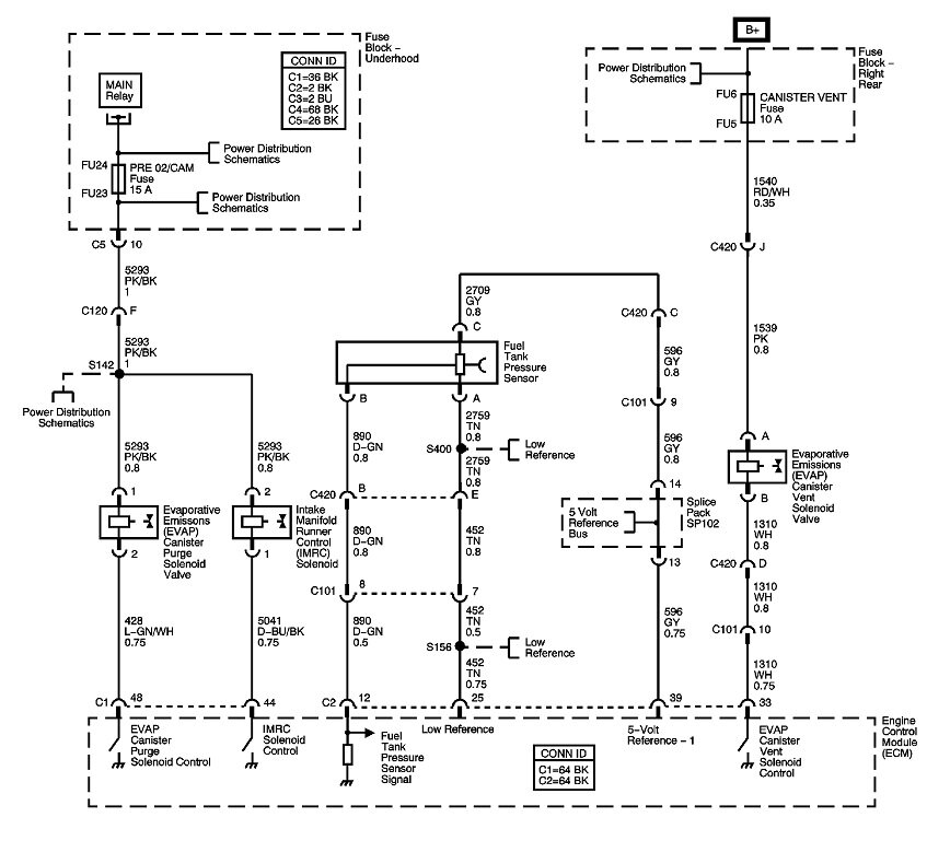
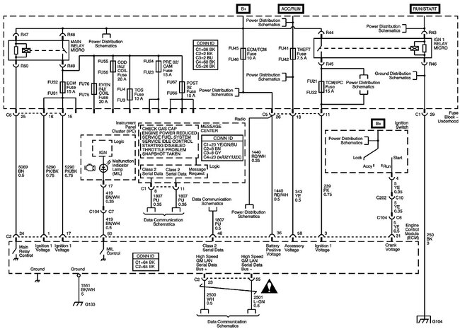
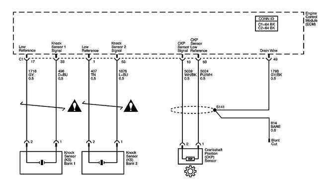
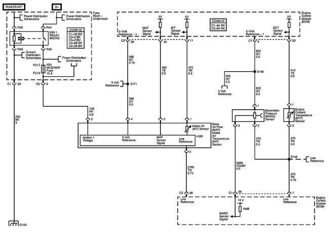
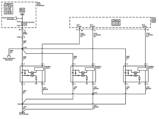
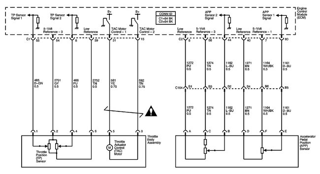
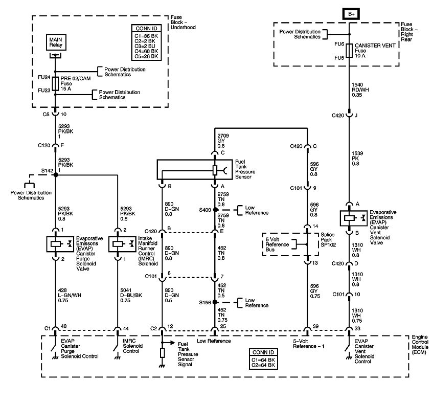
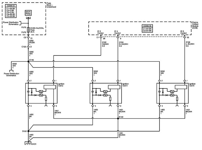
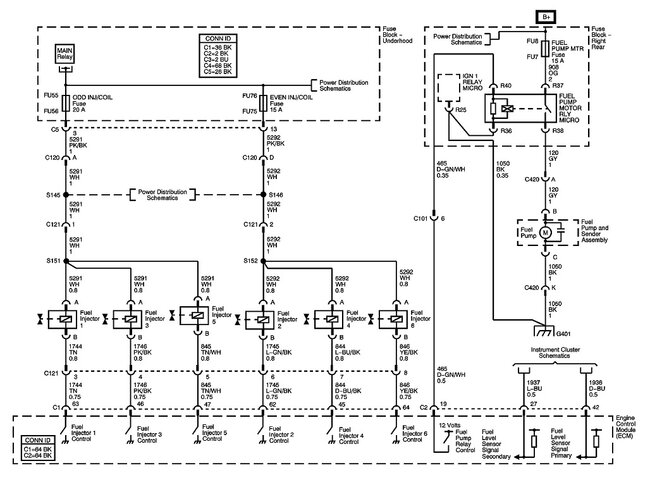
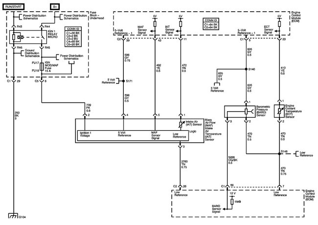
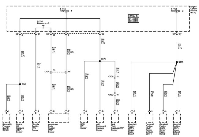
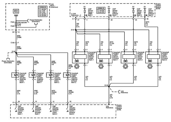
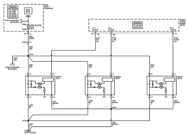
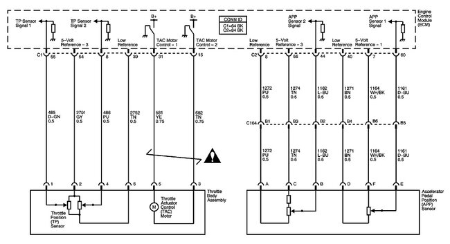
Since you've already worked your way to the crankshaft position sensor, I put these diagrams together for "Powertrain Management". See how far these get you. If they are too small to read, first try to copy one and paste it into a typing program such as MS Word where they can be expanded, otherwise let me know which ones you need and I'll cut them into pieces that I can expand for you.
Jun 11, 2023 at 10:29 AM
Avatar
LEYNA07830
  • MEMBER
  • 6 POSTS
I'm checking camshaft sensors and they seem to be very dirty.
Jun 11, 2023 at 10:35 AM
Avatar
LEYNA07830
  • MEMBER
  • 6 POSTS
When I start car, it cranks but no start. I have headlights, bright dash lights come on. now I know on my spark plug the coil boot I believe it's called that has a spring well not sure if spark plug is sitting in correctly, due to the way it sounds when you pull out spark plug from one boot that works fine doesn't seem to be as tight on spark plug number 6 would and like I said in checking camshaft sensors all that I've have checked. not yet done when taking them out all have needed to be cleaned they seem fine other than dirty with oil I'm assuming because it's dark in color with buildup was wanting repair on starting symptoms on what to check that would be causing no start also times I have cranked it's made weird noises once something like a whining whistle then other time like as if something fell inside that rattles but hasn't done it anymore.
Jun 11, 2023 at 10:41 AM
Avatar
CARADIODOC
  • CAR REPAIR CONTRIBUTOR
  • 34,308 POSTS
Cam and crank sensors shouldn't be affected by oil or dirt, but they do have magnets inside them and rust or metal particles can stick to the end and interfere with the signals they develop. We rarely run into that, but we always include it in the discussion.

One important detail I haven't seen reference to yet has to do with reading and recording any diagnostic fault codes. Those never say to replace a part or that one is bad, but they identify the circuit that needs further diagnosis. That is the place to start. Code readers that can only access the Engine Computer are very inexpensive. The people at most auto parts stores will often read the codes for you for free, but you have to get the car there.

If you can read those codes and get the exact number(s), you can go here:

https://www.2carpros.com/trouble_codes/obd2

to see the definitions, or I can interpret them for you.
Jun 11, 2023 at 11:19 AM