Brake light switch replacement previous owner put it on wrong

Tiny
RAYCLAIRE425
  • MEMBER
  • 2000 CHEVROLET SILVERADO
  • 4.8L
  • V8
  • 4WD
  • AUTOMATIC
  • 100,000 MILES
We think the previous owner put it on wrong and can't find any information on how to get it off. Help please.
Friday, August 2nd, 2019 AT 4:03 PM

13 Replies

Tiny
JACOBANDNICKOLAS
  • MECHANIC
  • 110,192 POSTS
Welcome to 2CarPros.

Here are the directions specific to your vehicle for brake light switch replacement. The attached pictures correlate with the directions.

__________________

2000 Chevy Truck K 1500 Truck 4WD V8-4.8L VIN V
Stoplamp Switch Replacement
Vehicle Sensors and Switches Sensors and Switches - Lighting and Horns Brake Light Switch Service and Repair Procedures Stoplamp Switch Replacement
STOPLAMP SWITCH REPLACEMENT
Removal Procedure

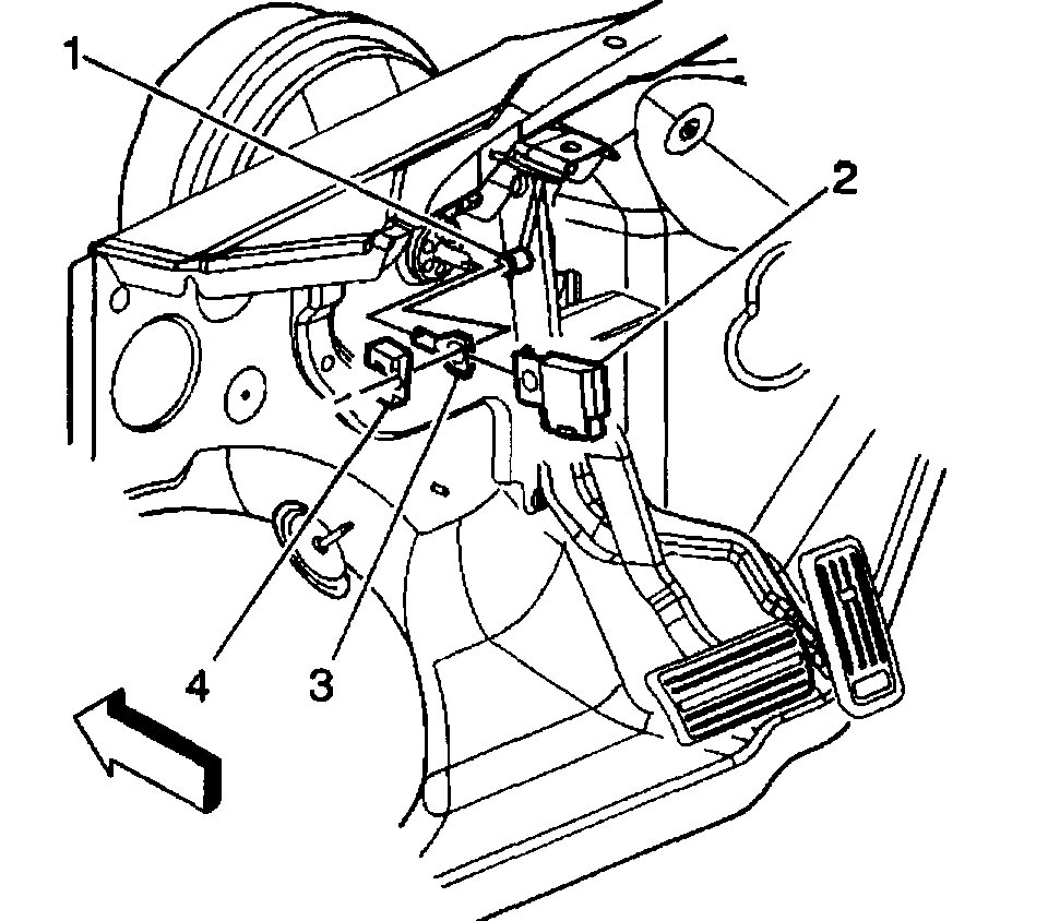
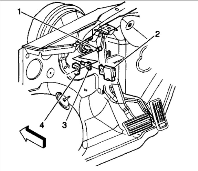
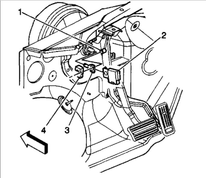
pic 1

1. Disconnect the electrical connection from the stoplamp switch (2).
2. Remove the pushrod retaining clip (4).
3. Remove the stoplamp switch (2).

Installation Procedure

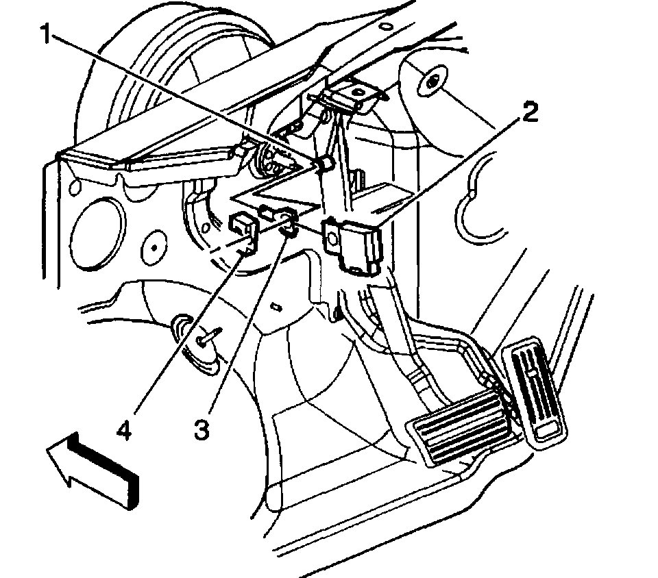
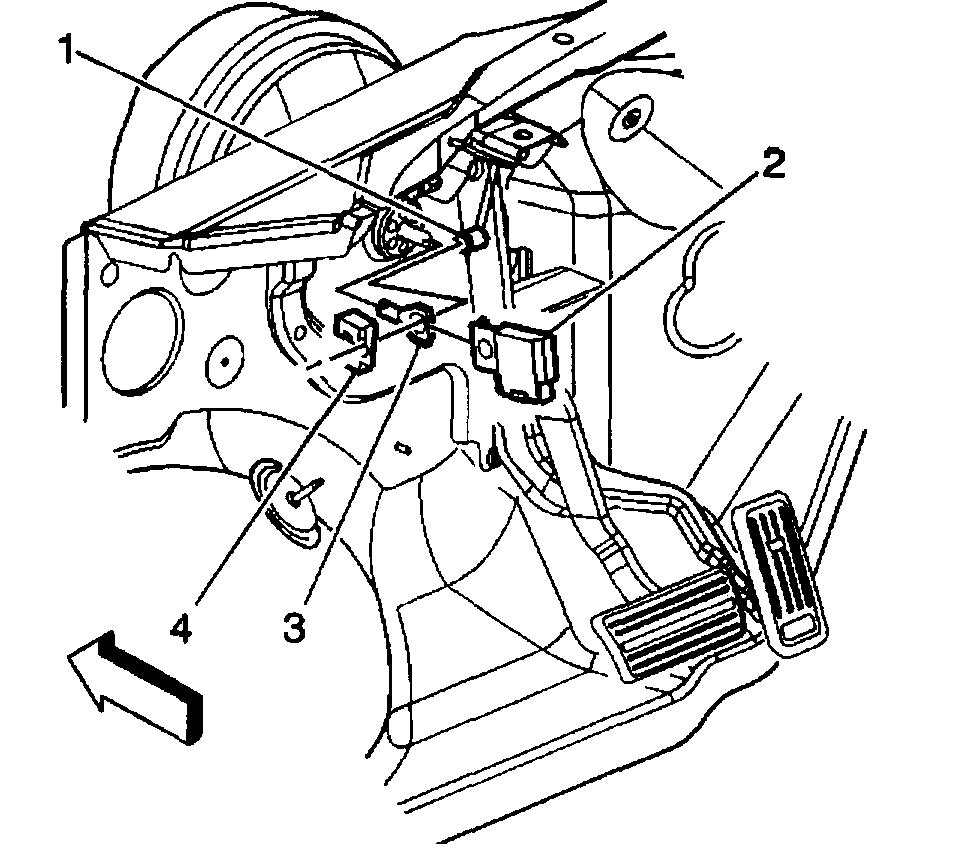
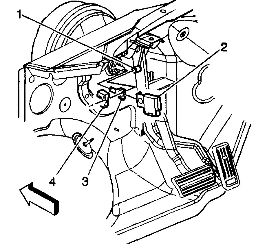
pic 2

1. Install the stoplamp switch (2).
2. Install the pushrod retaining clip (4).
3. Connect electrical connection to the stoplamp switch (2).

_________________________

Let me know if this is what you needed or if you have other questions.

Take care,
Joe
Was this
answer
helpful?
Yes
No
+1
Friday, August 2nd, 2019 AT 8:59 PM
Tiny
FIREMEDIC447
  • MEMBER
  • 1 POST
  • 1998 CHEVROLET SILVERADO
  • V8
  • 2WD
  • AUTOMATIC
  • 306,000 MILES
Brake lights are constantly on. Figure it's the switch on the brake pedal. Obtained new switch from dealer. Here's the fun part: How do I get TO it? It's on top of the column, steel column and pedal supports on left & right. Only thing I can figure is that it was put in before the instrument panel was installed! Any ideas would be welcome!
Was this
answer
helpful?
Yes
No
Friday, February 26th, 2021 AT 11:08 AM (Merged)
Tiny
BLUELIGHTNIN6
  • MECHANIC
  • 16,542 POSTS
On the brake pedal under the dash there will be a king pin pull it out and remove the stud and the switch should come right out then disconnect the wiring harness and replace switch.

Some model does not have a removable pin that goes thru the brake pedal for the booster actuator rod. It is permanent a fixed to the brake pedal. You have to remove the clip on the end then the brake light switch will come off the pin.

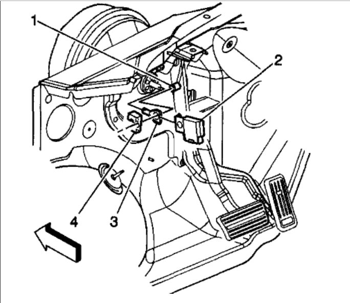
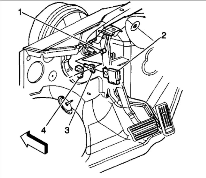
Check out the diagrams (Below). Please let us know if you need anything else to get the problem fixed.

Cheers
Was this
answer
helpful?
Yes
No
-1
Friday, February 26th, 2021 AT 11:08 AM (Merged)
Tiny
LNORSIGIAN
  • MEMBER
  • 1 POST
  • 1996 CHEVROLET SILVERADO
  • 111,000 MILES
How to replace brake light switch on brake pedal. It is located above the steering wheel shaft and hard to get to.
Was this
answer
helpful?
Yes
No
Monday, March 8th, 2021 AT 6:14 PM (Merged)
Tiny
KHLOW2008
  • MECHANIC
  • 41,814 POSTS
Get the new switch and look at it. You have to release the switch from the pedal assembly and install the new one.

Here is directions.

STOPLAMP SWITCH

Removal & Installation

Disconnect negative battery removal. Remove retainer clip from brake pedal pin. Remove switch by unsnapping from pushrod. Remove electrical connector from switch. To install, reverse removal procedure.

Check the image below
Was this
answer
helpful?
Yes
No
+2
Monday, March 8th, 2021 AT 6:14 PM (Merged)
Tiny
ROADHOUSE
  • MEMBER
  • 3 POSTS
  • 1994 CHEVROLET SILVERADO
  • V8
  • 4WD
  • AUTOMATIC
  • 24,300 MILES
I need to replace my brake switch in my 1994 chevy 2500 but do not know were it is located
Was this
answer
helpful?
Yes
No
Monday, March 8th, 2021 AT 6:14 PM (Merged)
Tiny
DOCFIXIT
  • MECHANIC
  • 18,828 POSTS
Brake light switch is located at top of brake pedal
Was this
answer
helpful?
Yes
No
-2
Monday, March 8th, 2021 AT 6:14 PM (Merged)
Tiny
ROADHOUSE
  • MEMBER
  • 3 POSTS
I found the brake clip thank you it was very helpful, now ther is a silver clip that holds the assembly to the brake pedel how do I get the clip off?
Was this
answer
helpful?
Yes
No
-1
Monday, March 8th, 2021 AT 6:15 PM (Merged)
Tiny
DOCFIXIT
  • MECHANIC
  • 18,828 POSTS
One side should have a cut out. Rotate up and switch should pull out. If needed pry out the cutout side.
Was this
answer
helpful?
Yes
No
-1
Monday, March 8th, 2021 AT 6:15 PM (Merged)
Tiny
ROADHOUSE
  • MEMBER
  • 3 POSTS
My brake lights don't come on when I apply the brake, the fuse is good I replaced the brake switch and the bulbs are good any recommendations?
Was this
answer
helpful?
Yes
No
+5
Monday, March 8th, 2021 AT 6:15 PM (Merged)
Tiny
DOCFIXIT
  • MECHANIC
  • 18,828 POSTS
Circuit runs through turn signal switch because the element in bulb does brake and turn. So you need a new switch.
Sorry to be the bearer of bad news.
Was this
answer
helpful?
Yes
No
-1
Monday, March 8th, 2021 AT 6:15 PM (Merged)
Tiny
BWOODING
  • MEMBER
  • 1 POST
  • 1994 CHEVROLET SILVERADO
  • 5.7L
  • V8
  • 4WD
  • AUTOMATIC
  • 117,000 MILES
I have installed 3 brake light switches with the last one being an OEM switch. When the brake pedal is pressed, the switch slides down the brake push rod shaft and does not move the metal clip in the switch to activate the brake light switch. I've also had an ASE Certified Automotive Instructor look at it and he too cannot find anything wrong other than the switch will work when manually pressed. I don't know if the previous owner had replaced the brake power booster. From what I've read so far, there is a difference between a GMC and Chevrolet brake booster which resolved someone else's problem.

Have you come across any other trucks with this problem?
Was this
answer
helpful?
Yes
No
Monday, March 8th, 2021 AT 6:15 PM (Merged)
Tiny
KEN L
  • MASTER CERTIFIED MECHANIC
  • 55,297 POSTS
The brake light switch needs to be clipped using a retainer clip by the brake arm lever, here is a diagram (below) that shows what I am talking about and should help you get it properly mounted. The pedal arm activates the switch pressure sensitive.
Was this
answer
helpful?
Yes
No
-3
Monday, March 8th, 2021 AT 6:15 PM (Merged)

Please login or register to post a reply.