Remote start battery location?

Tiny
PCAVINEE
  • MEMBER
  • 2019 FORD ESCAPE
  • 60,000 MILES
This is my son's vehicle, and his car is equipped with a battery that the dealer said is under the dash that needs replaced. Do you have any pictures or info on this?
As always thank you. Mark
Saturday, March 2nd, 2024 AT 5:05 PM

3 Replies

Tiny
JACOBANDNICKOLAS
  • MECHANIC
  • 110,194 POSTS
Hi Mark,

I'm not sure I heard of such a battery. The remote (fob) has a battery, but it doesn't sound like that is what they are referring to.

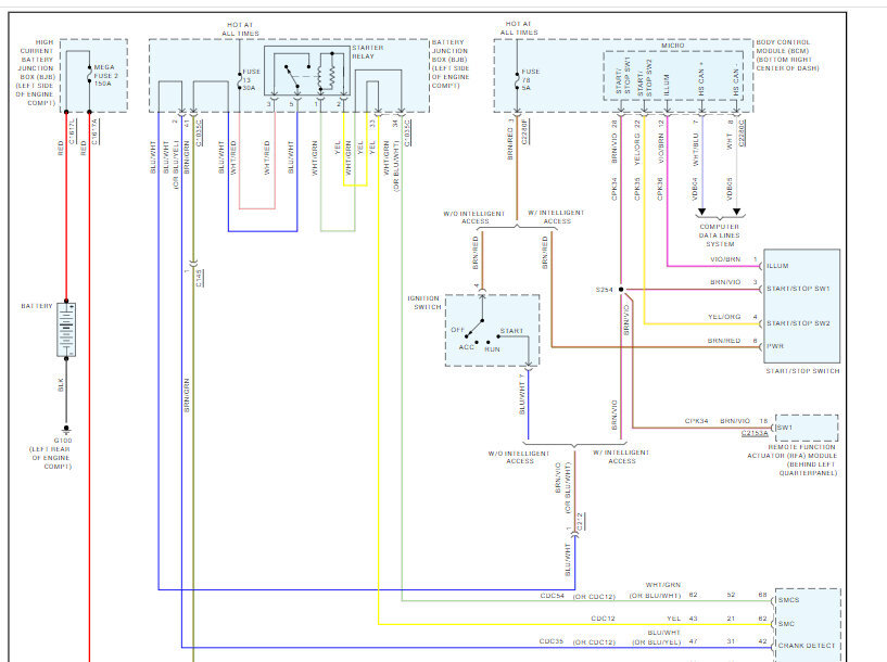
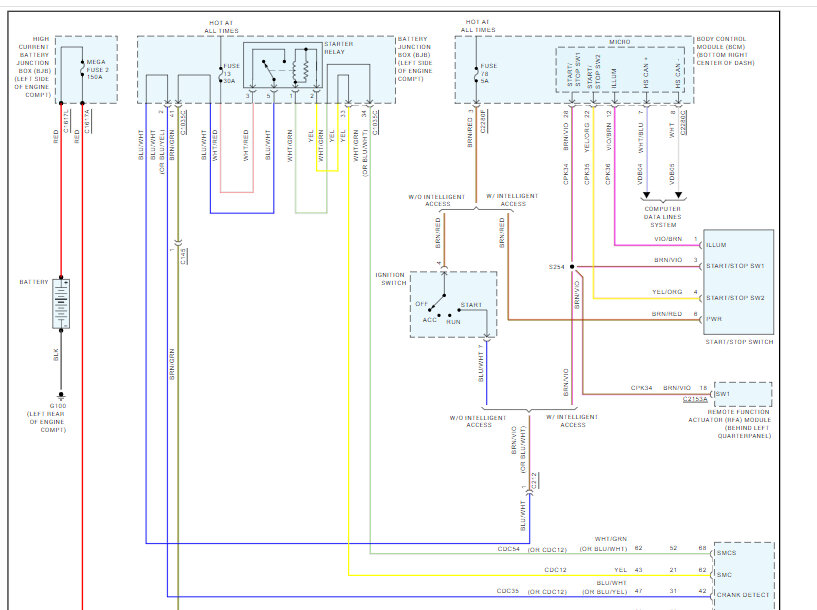
I attached three pics below. Pic 1 shows the location of the remote function actuator module, but I don't believe there is a separate battery for it. Keep in mind, that is for all remote functions.

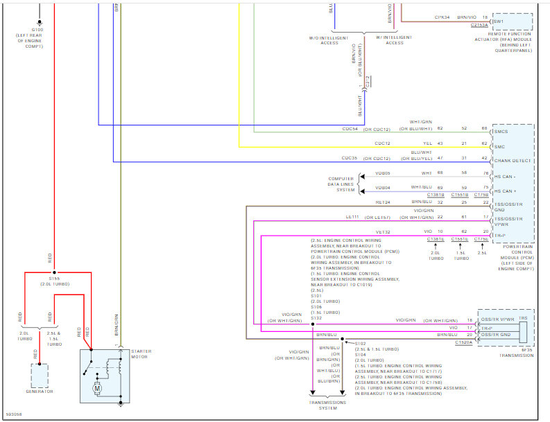
Pics 2 and 3 are the wiring schematic for the starting system. I read through it a few times and don't see anything indicating a separate power supply.

Let me know what symptoms your son is experiencing and if they provided any diagnostic trouble codes that may help me narrow things down.

Take care,

Joe

See pics below. Note: The wiring schematic was one page. I had to cut it in half to make it readable for you. I did overlap the two so you can follow from one to the next.
Was this
answer
helpful?
Yes
No
Saturday, March 2nd, 2024 AT 10:50 PM
Tiny
PCAVINEE
  • MEMBER
  • 31 POSTS
Thanks for your reply. The car has a special function where the car actually shuts off while at a red light according to my son. The dealership told him that there is a battery separate from the main battery that operates that remote section. I was just trying to see if it was something we could change out. Dealerships are expensive. I will call the dealership and see exactly what they are talking about. Thanks for your reply as always.
Was this
answer
helpful?
Yes
No
Sunday, March 3rd, 2024 AT 8:01 AM
Tiny
JACOBANDNICKOLAS
  • MECHANIC
  • 110,194 POSTS
Hi,

I know there is what is called a PCM wake up signal, but I thought it used the battery under the hood.

Do me a favor. Let me know if this has the 1.5L Turbo or the 2.0L Turbo. I'll do some digging for you.

Take care,

Joe
Was this
answer
helpful?
Yes
No
+1
Sunday, March 3rd, 2024 AT 8:40 PM

Please login or register to post a reply.