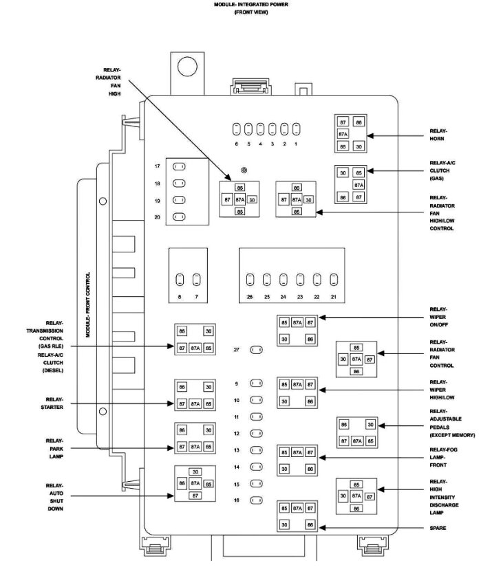
What is the difference between the relays that are labeled with the A1 and b1 on them?

Tiny
RYAN LEVINGSTON
  • MEMBER
  • 2007 DODGE CHARGER
  • 3.5L
  • V6
  • 2WD
  • AUTOMATIC
  • 317,000 MILES
Hey guys, I’m back again with another question. Can I use them wherever or are they designed for specific spots? And how do I know if all my relays are correct or if I’m missing any? Thank you in advance.
Sunday, August 20th, 2023 AT 4:23 PM

1 Reply

Tiny
KEN L
  • MASTER CERTIFIED MECHANIC
  • 55,512 POSTS
It looks like there is a size difference and it could be a terminal configuration difference as well. Here is the location of the relays so you can confirm the placements. Check out the images (below). Please let us know if you need anything else to get the problem fixed.
Was this
answer
helpful?
Yes
No
Monday, August 21st, 2023 AT 12:00 PM

Please login or register to post a reply.

Related General Content