Relay box diagram needed

Tiny
LETSGO69
  • MEMBER
  • 2009 DODGE CALIBER
  • 2.0L
  • 4 CYL
  • 2WD
  • AUTOMATIC
  • 100,000 MILES
I need a color coded wiring diagram for the four relays that are behind the head lights.
Thursday, October 3rd, 2019 AT 6:11 AM

9 Replies

Tiny
SCGRANTURISMO
  • MECHANIC
  • 4,897 POSTS
Hello,

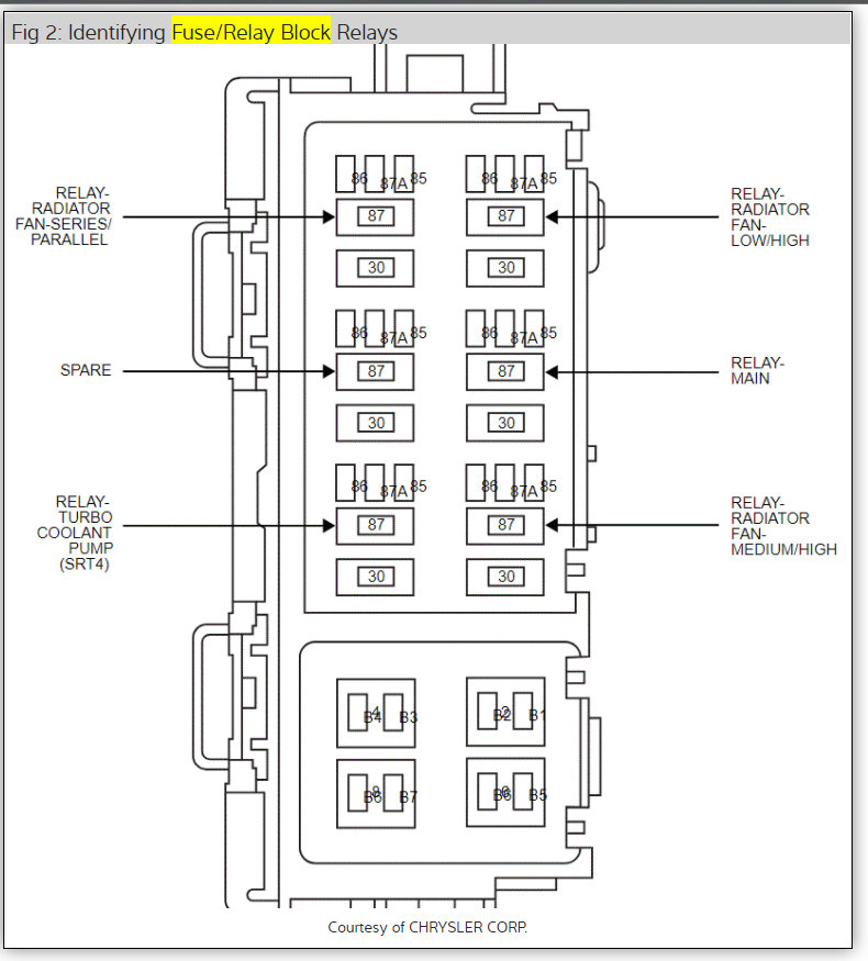
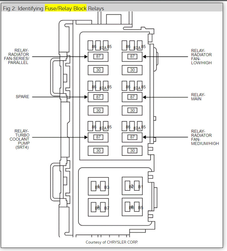
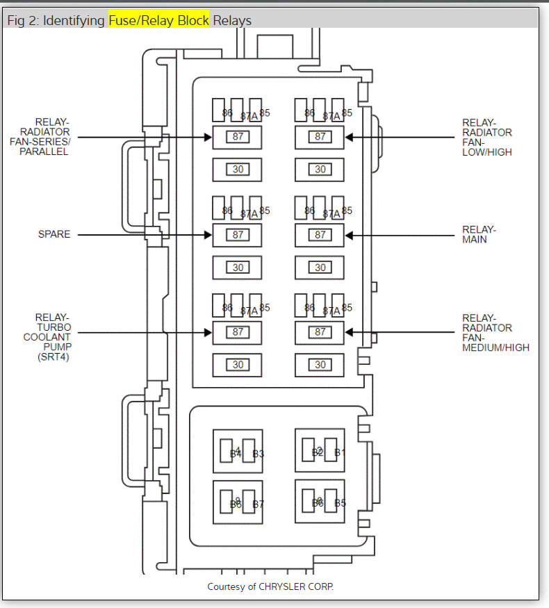
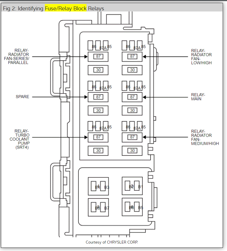
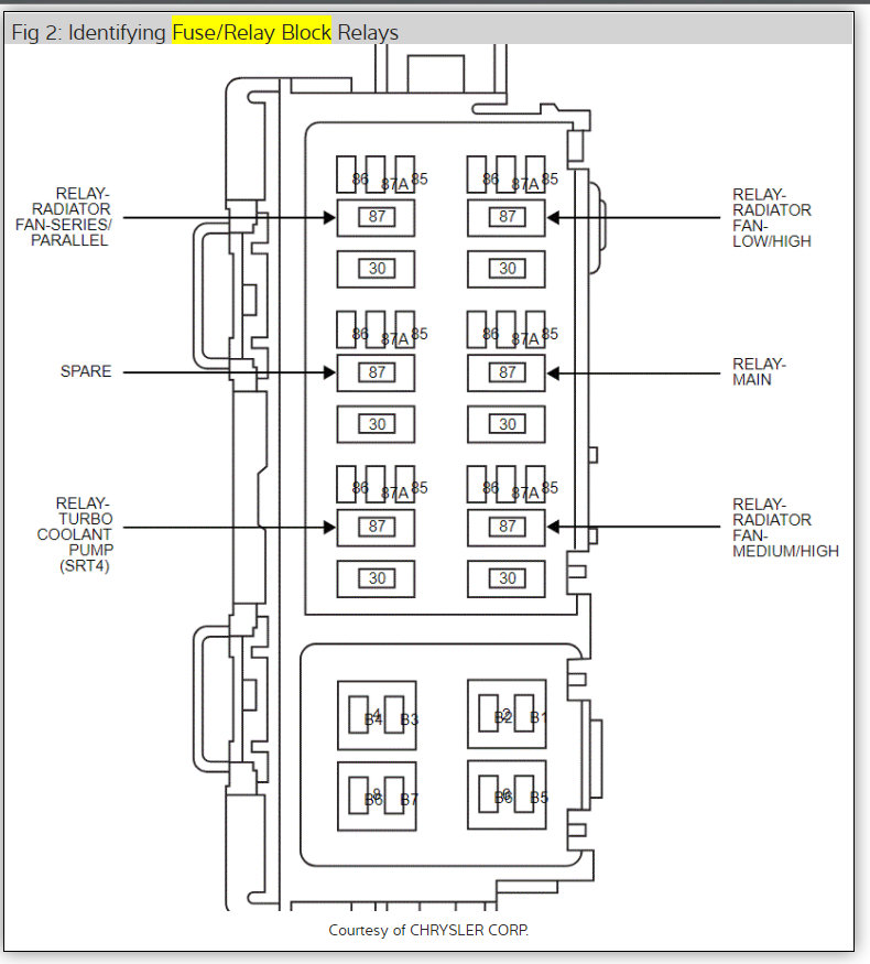
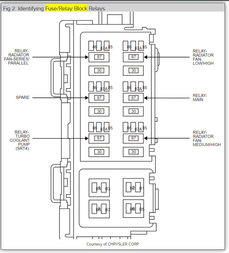
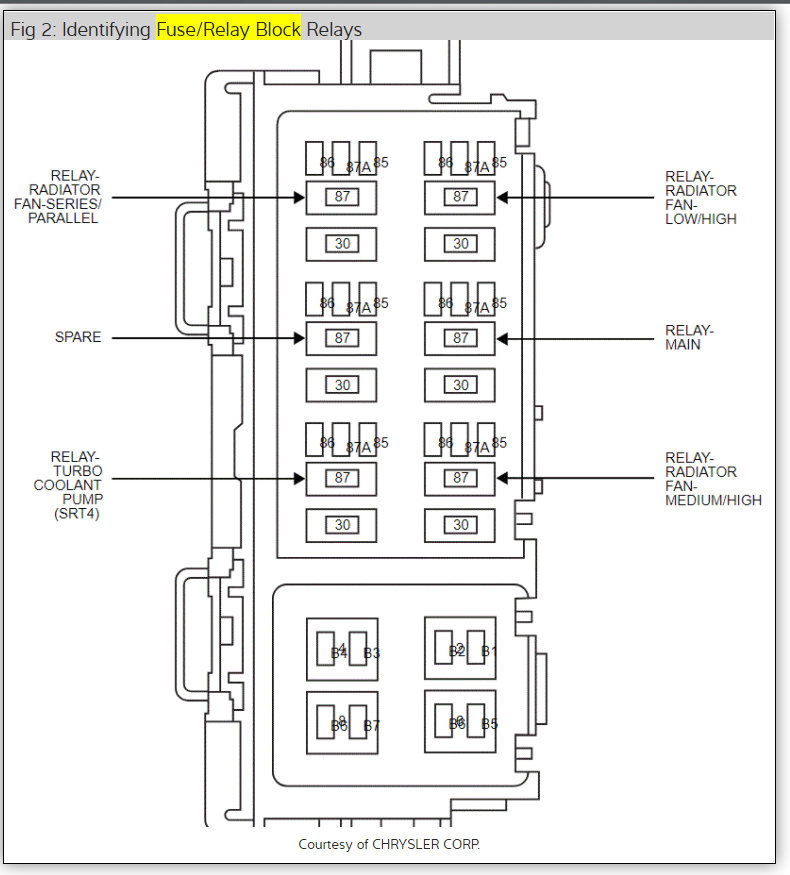
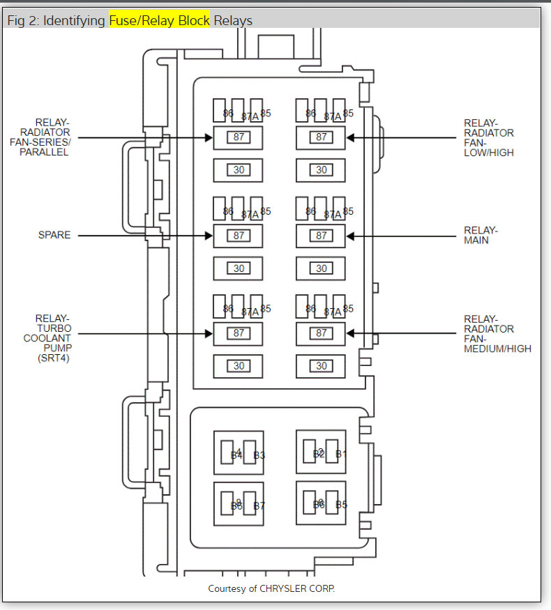
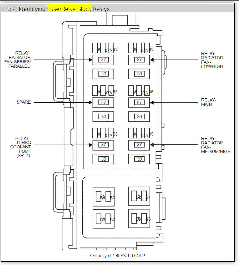
In the diagrams down below I have included the wiring diagrams for your vehicle's headlights as well as the location, diagram, callout, and connector end views for your vehicle's Totally Integrated Power Module (TIPM). I hope this helps, and please get back to us with how everything turns out.

Thanks,
Alex
2CarPros
Was this
answer
helpful?
Yes
No
-1
Thursday, October 3rd, 2019 AT 10:12 AM
Tiny
BUTTERFLYGRL17250
  • MEMBER
  • 5 POSTS
  • 2007 DODGE CALIBER
  • 4 CYL
  • FWD
  • AUTOMATIC
  • 54,000 MILES
I have a 2007 Dodge Caliber and I recently took it to the shop because I had a headlight out and the headlight was not blown. They told me that I had a circuit blown in my fuse box that controlles the low beam to my headlight and they would have to replace the whole box and they could not just fix the circuit that had blown. They informed me that the part would be $745. Is it true that they cannot fix the circuit or am I just getting ripped off?
Was this
answer
helpful?
Yes
No
-1
Wednesday, December 16th, 2020 AT 8:12 AM (Merged)
Tiny
ERNEST CLARK
  • MECHANIC
  • 1,730 POSTS
It can definitely be fixed, but most shops won't have the expertise to do that.

You can hunt one down, though it may take a little time.
Was this
answer
helpful?
Yes
No
Wednesday, December 16th, 2020 AT 8:12 AM (Merged)
Tiny
BUTTERFLYGRL17250
  • MEMBER
  • 5 POSTS
Thanks so much. I will definantly check around to see if I can get a better deal.
Was this
answer
helpful?
Yes
No
Wednesday, December 16th, 2020 AT 8:12 AM (Merged)
Tiny
NELSON_VA
  • MEMBER
  • 3 POSTS
This is interesting because I have the exact same problem. My passenger low beam doesn't light.
I didn't take it to the shop, but I traced the circuit all the way to the fuse box. I removed the entire fuse block from the car and disassembled it to the circuit board, then traced the connector to an integrated circuit chip. It's apparent that the chip that controls it is defective.

I'm going to search the internet and see if this is becoming an issue on these vehicles, which should also include the Jeep Compass and maybe the Patriot.

I work for BBB and will also search our records. Don't give up yet!
Was this
answer
helpful?
Yes
No
+3
Wednesday, December 16th, 2020 AT 8:12 AM (Merged)
Tiny
LBADGLEY
  • MEMBER
  • 1 POST
Please let me know what you find out. My car has 77k miles and the passenger side headlight went out 2 months ago. Found out today the totally intergrated power modual needs to be replaced (quoted $795). I read the thread about the guy who bought a used one from a junk yard and had issues (ended up putting the original back in).

Question I have is-are there mechanics that can fix the path the this modual (reprogram it) or is it something that when it goes out, it needs to be replaced similar to a hard drive in a computer?
Was this
answer
helpful?
Yes
No
+1
Wednesday, December 16th, 2020 AT 8:12 AM (Merged)
Tiny
FELIX POCHIE
  • MEMBER
  • 1 POST
  • 2007 DODGE CALIBER
  • 4 CYL
  • FWD
  • AUTOMATIC
  • 70,000 MILES
Where is the fuse for headlights?
Was this
answer
helpful?
Yes
No
+1
Wednesday, December 16th, 2020 AT 8:12 AM (Merged)
Tiny
BLUELIGHTNIN6
  • MECHANIC
  • 16,542 POSTS
If both headlights are out and bulbs are good then it is either the headlamp switch, wiring of the headlamp circuit or a faulty totally integrated power module (TIPM)

Here is a guide to help you test for power at the fuses

https://www.2carpros.com/articles/how-to-use-a-test-light-circuit-tester

Check out the diagrams (Below). Please let us know what you find.
Was this
answer
helpful?
Yes
No
Wednesday, December 16th, 2020 AT 8:12 AM (Merged)
Tiny
LEVIDJONES
  • MEMBER
  • 1 POST
It was my fuse, I replaced the TIPM now everything works!
Was this
answer
helpful?
Yes
No
+2
Wednesday, December 16th, 2020 AT 8:12 AM (Merged)

Please login or register to post a reply.