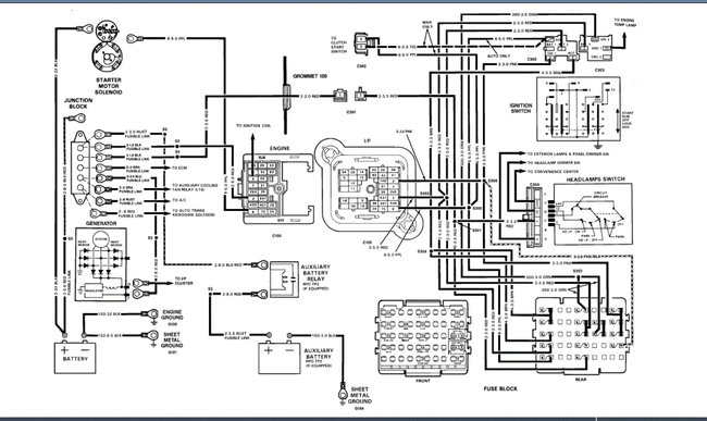
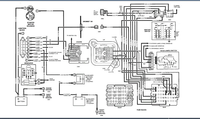
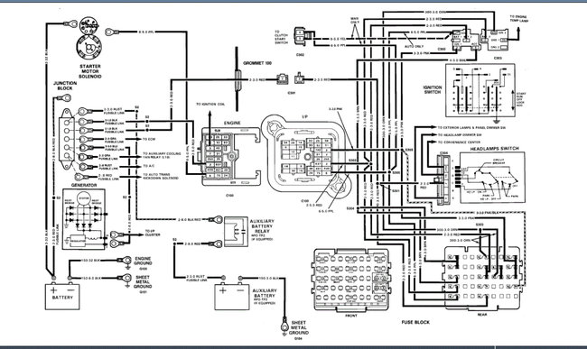
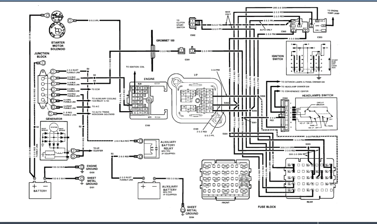
Friday, October 9th, 2020 AT 8:39 AM
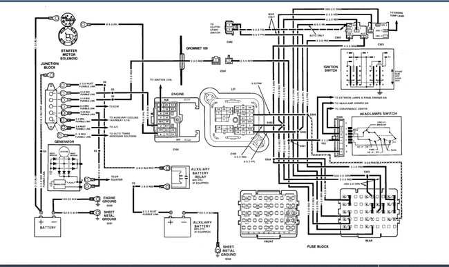
Does anyone have a list or diagram of all the relays and switches under the dashboard where the steering column is? Trying to figure out what this one is. I found it taped to a wire harness leading to the fire wall, it has a orange, green, black, and either white or tan wire plugged into the back of it.







