Friday, May 4th, 2018 AT 2:24 PM
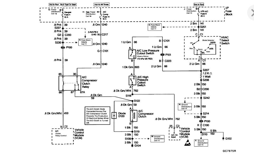
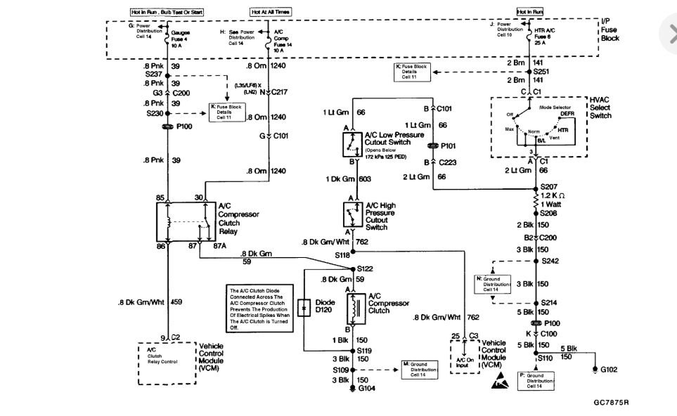
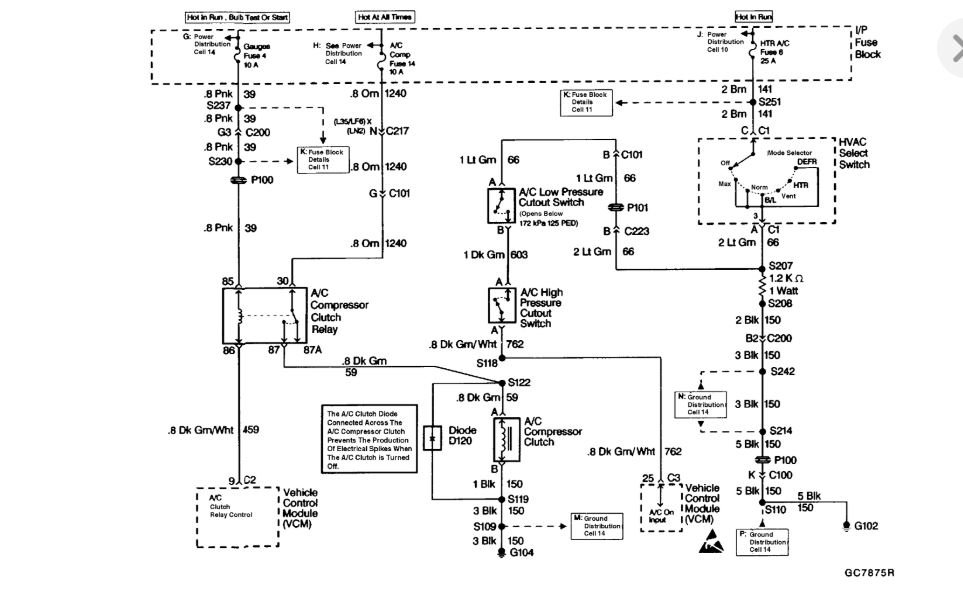
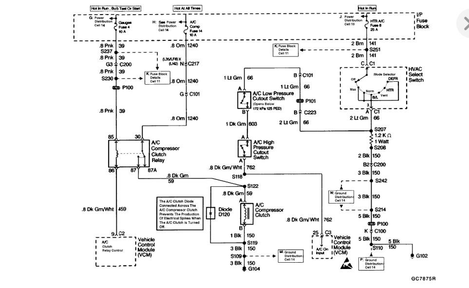
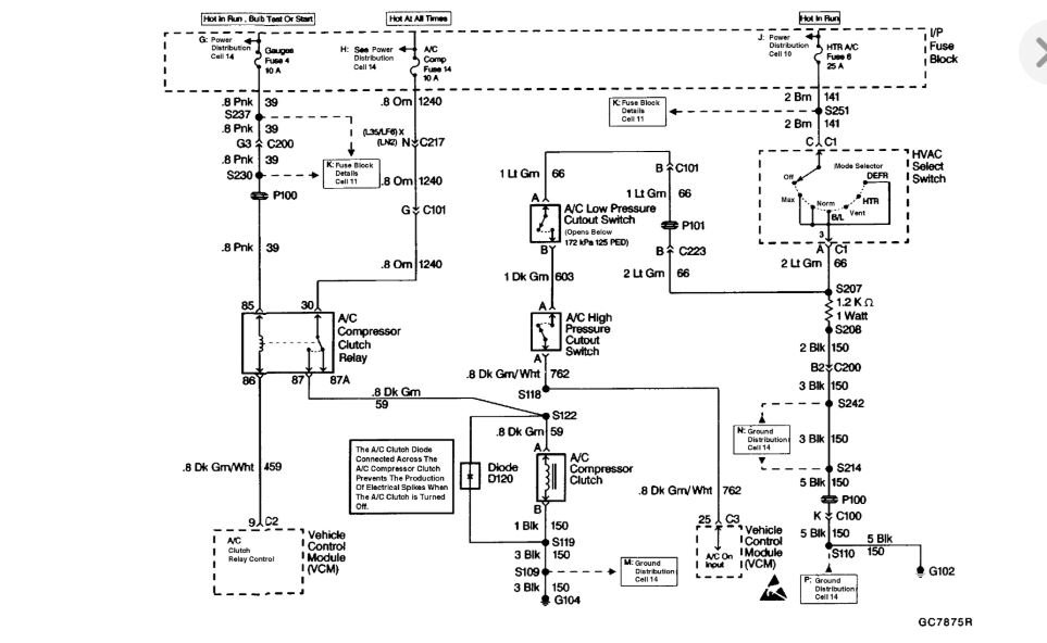
I cannot find a diagram or any information to tell me which of the three relays on the passenger side under the hood is the one to the A/C compressor.

