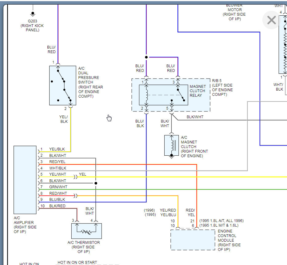
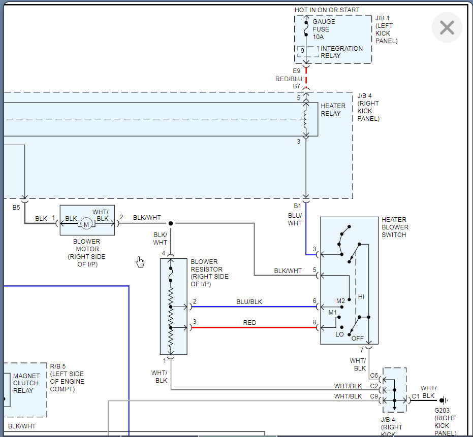
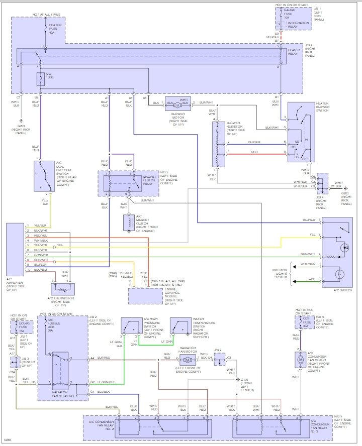
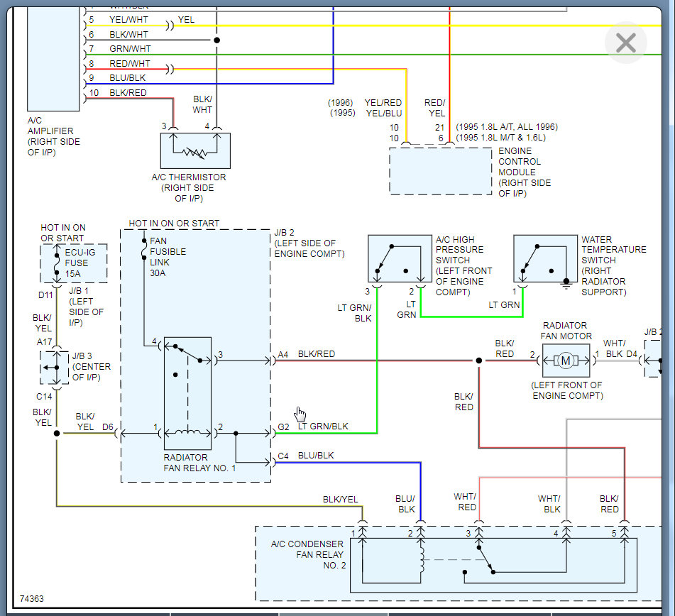
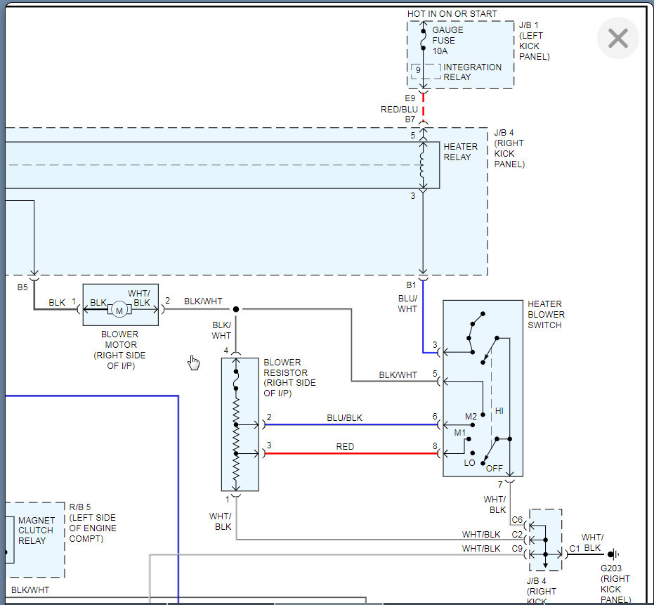
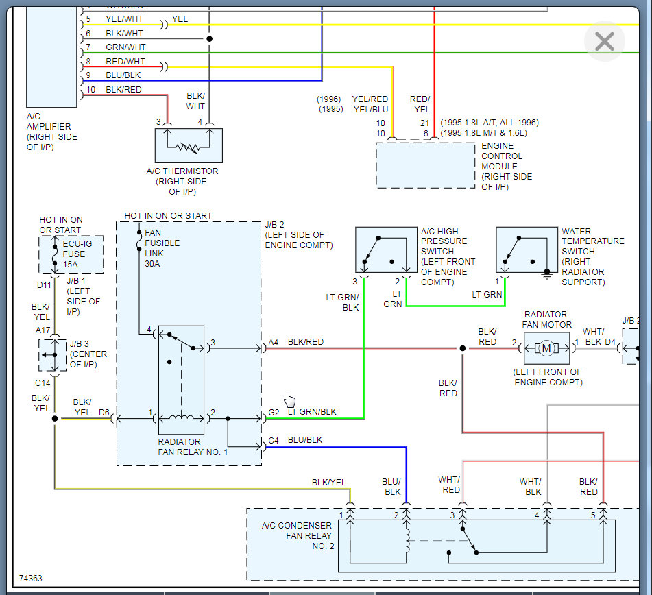
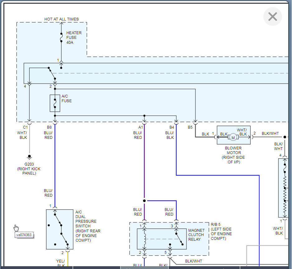
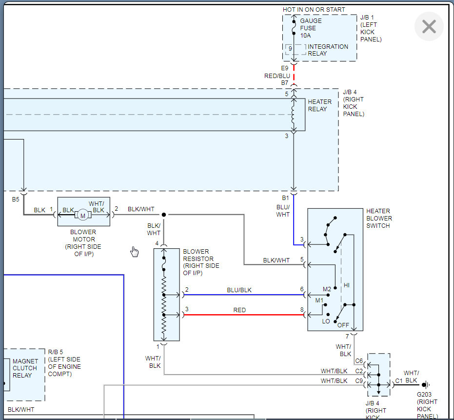
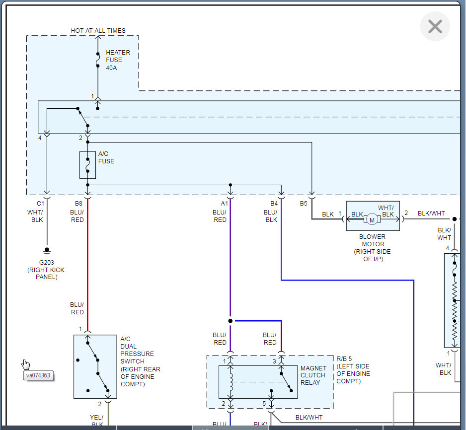
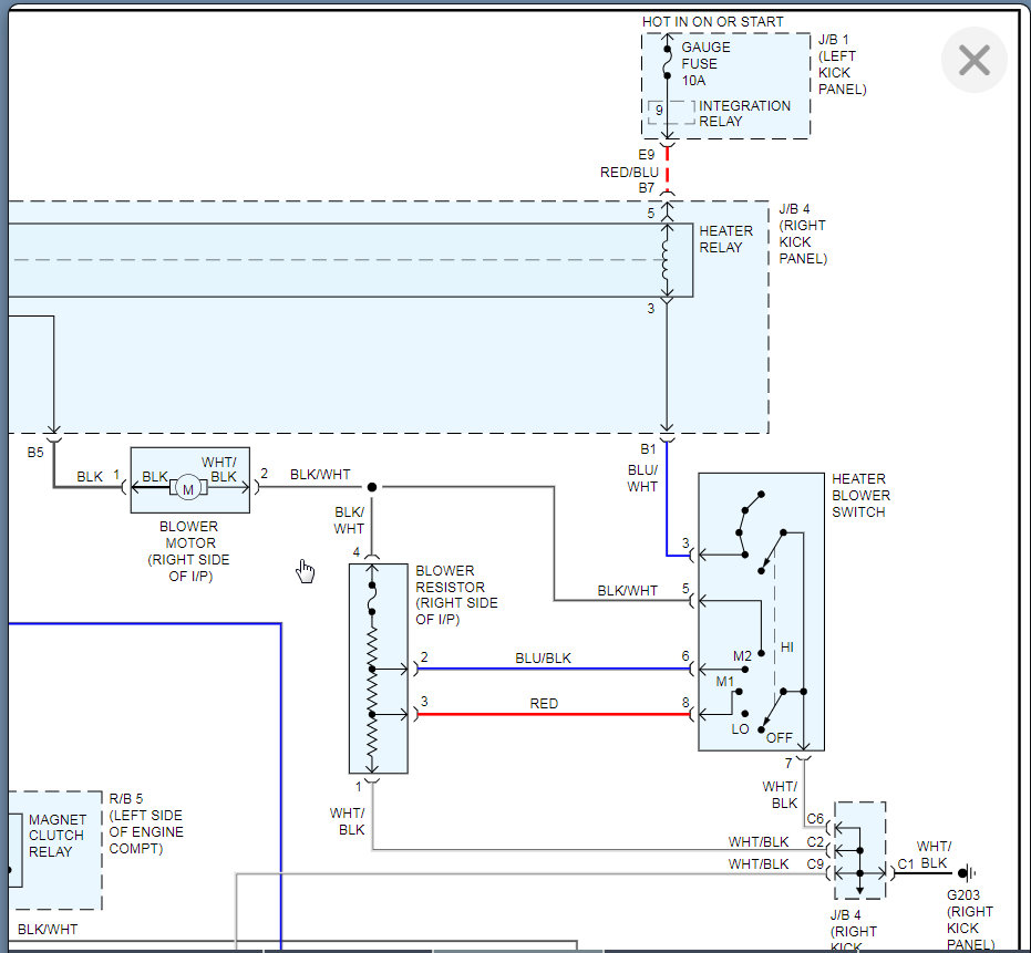
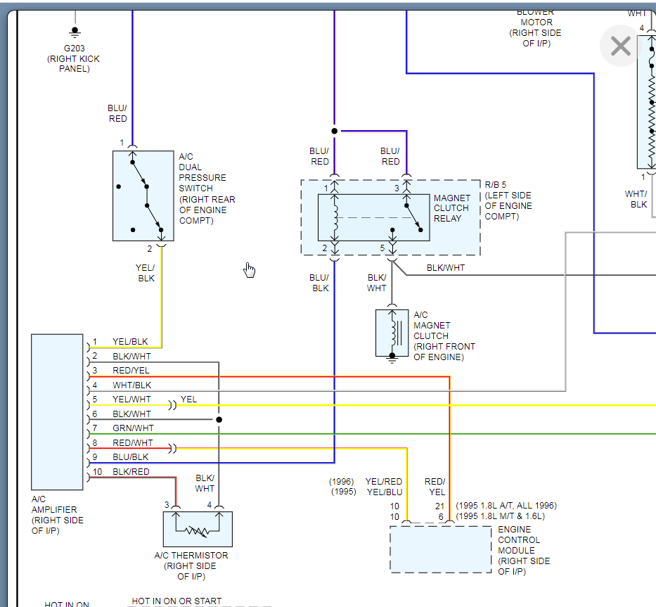
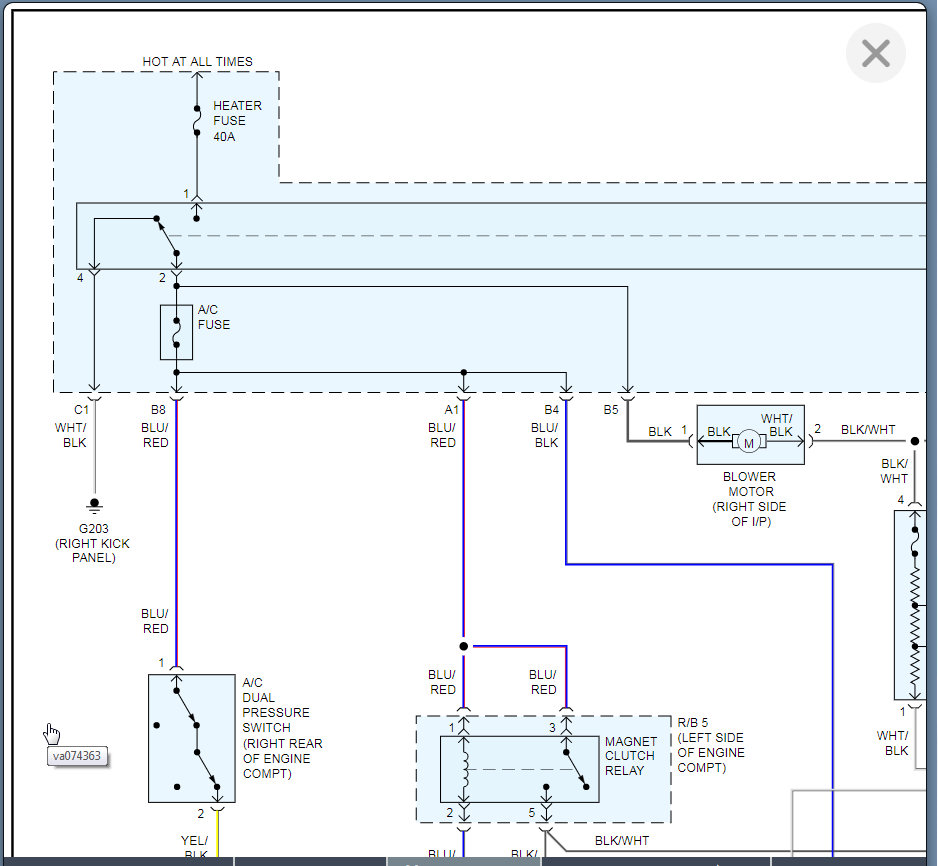
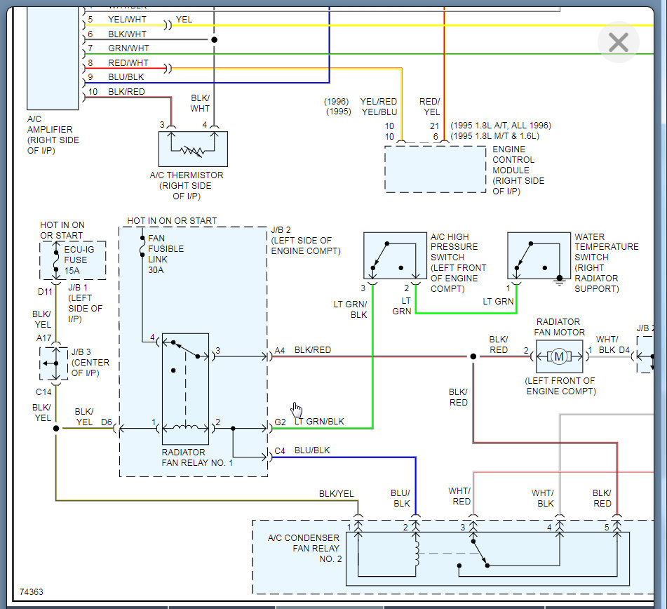
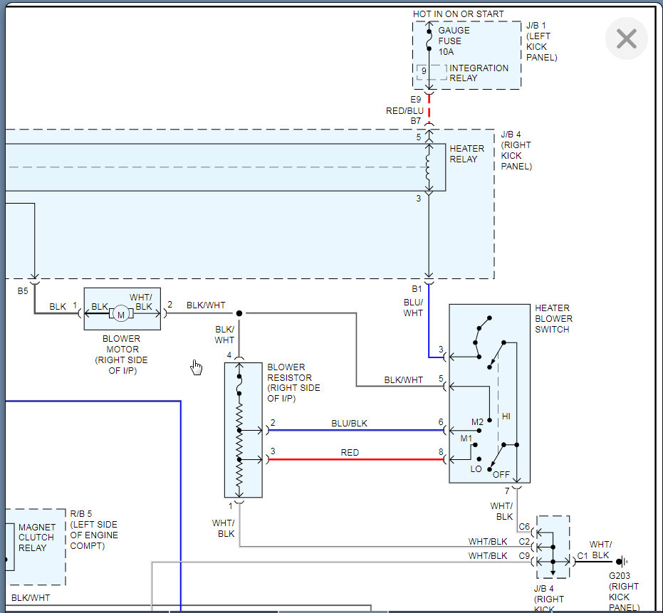
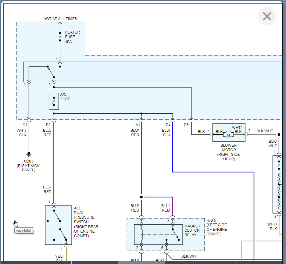
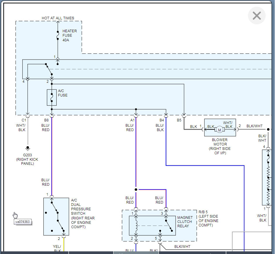
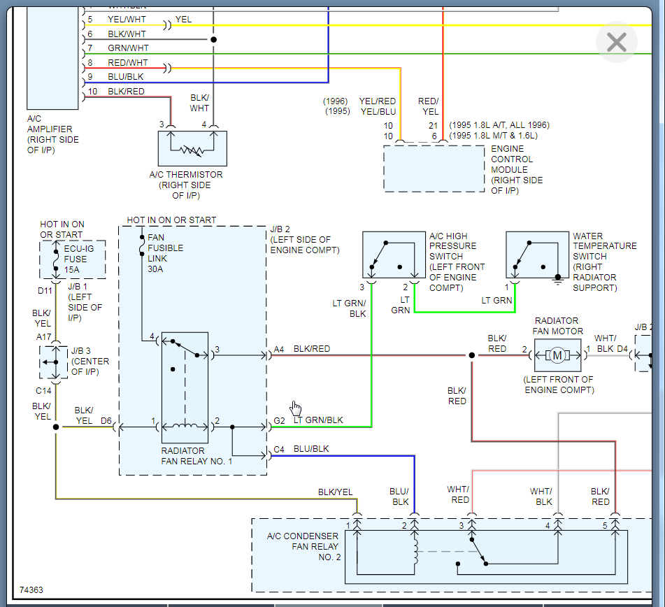
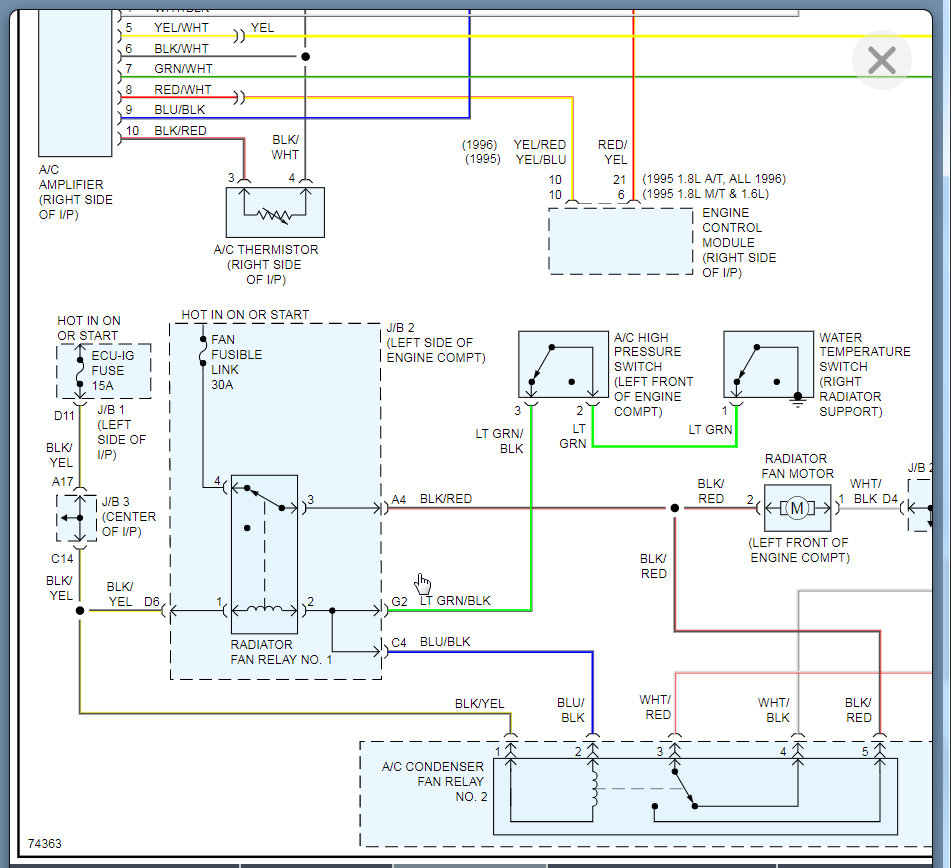
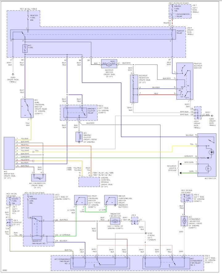
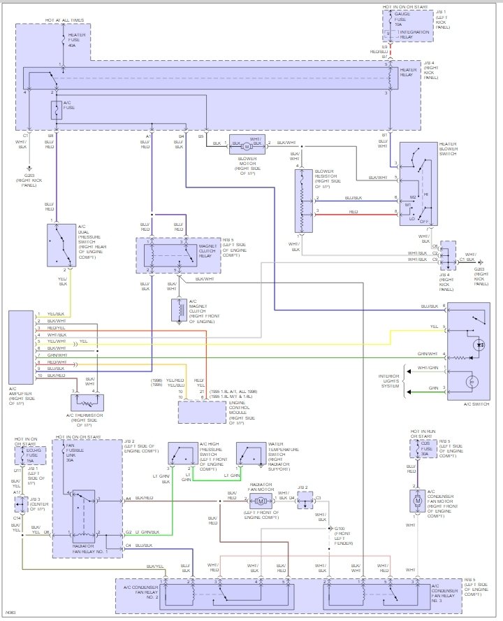
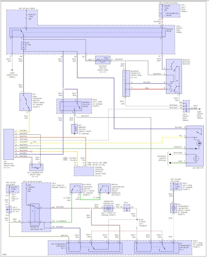
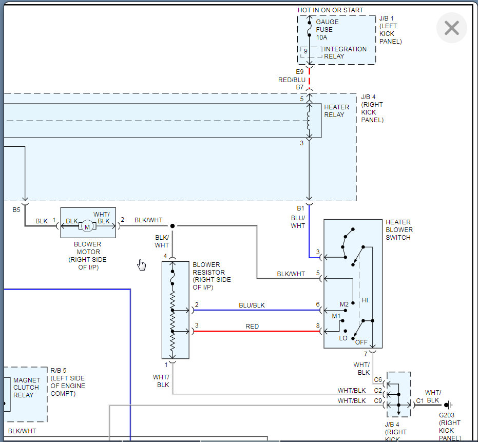
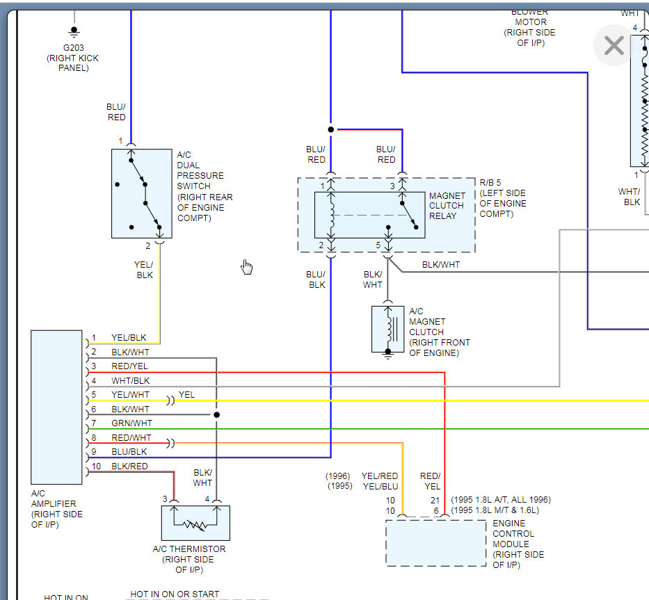
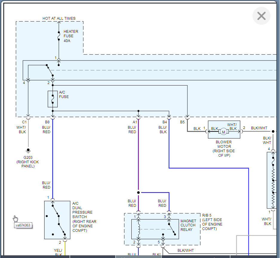
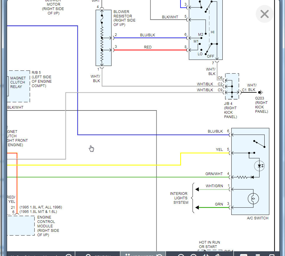
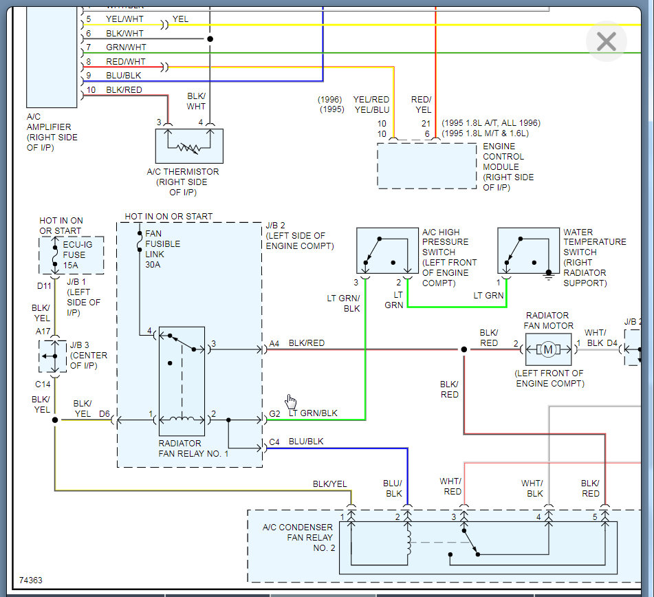
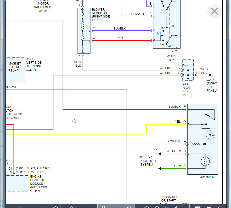
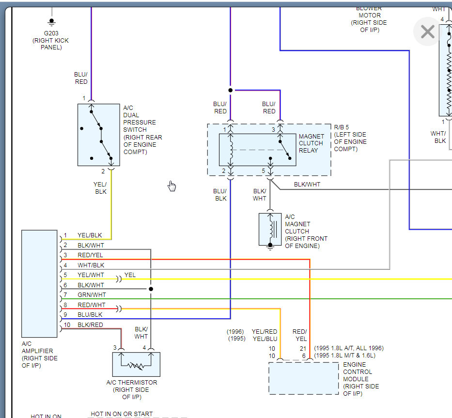
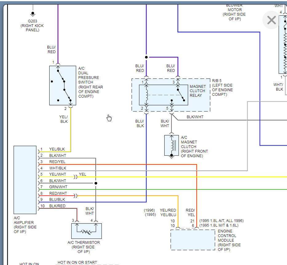
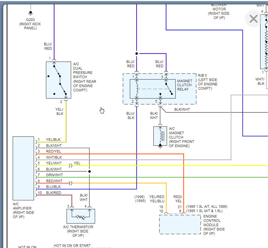
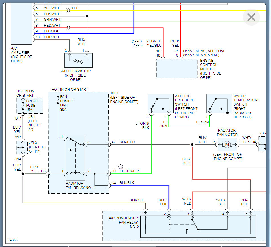
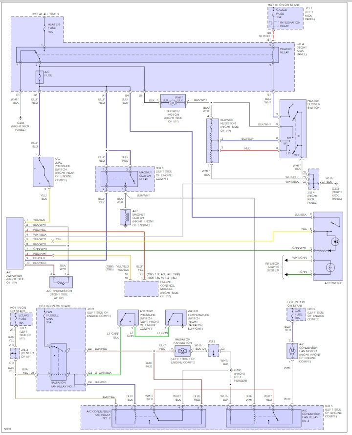
Wiring diagram of AC amplifier

Tiny
BONZKIE28
  • MEMBER
  • 1995 TOYOTA COROLLA
  • 1.6L
  • 4 CYL
  • FWD
  • MANUAL
  • 160,000 MILES
Do the 1.6L and 1.8L have the same wiring diagram in a/c amplifier?
Wednesday, April 27th, 2016 AT 2:27 AM

10 Replies

Tiny
HMAC300
  • MECHANIC
  • 48,601 POSTS
Yes they do
Was this
answer
helpful?
Yes
No
+2
Wednesday, April 27th, 2016 AT 7:20 AM
Tiny
BONZKIE28
  • MEMBER
  • 13 POSTS
Thanks sir, by the way sir I will ask another question. Is the cause of getting low idle when air conditioner is that there is no air conditioner amplifier? The air conditioner amplifier was not replace, instead they modified the the thermostat into a manual thermostat instead of electronic thermostat.
Was this
answer
helpful?
Yes
No
+4
Wednesday, April 27th, 2016 AT 4:25 PM
Tiny
KEN L
  • MASTER CERTIFIED MECHANIC
  • 55,342 POSTS
This could cause a problem because the system is designed to work one way and if they change it anything can happen.
Was this
answer
helpful?
Yes
No
+2
Wednesday, April 27th, 2016 AT 4:59 PM
Tiny
KEN L
  • MASTER CERTIFIED MECHANIC
  • 55,342 POSTS
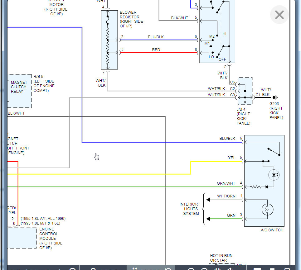
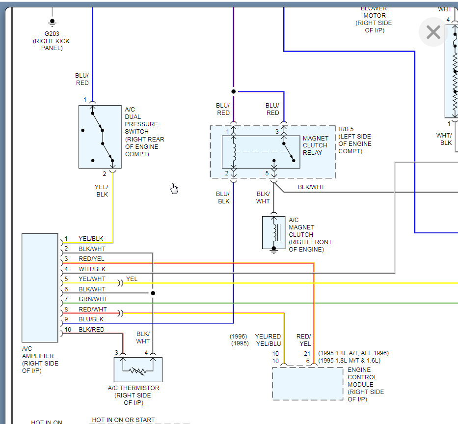
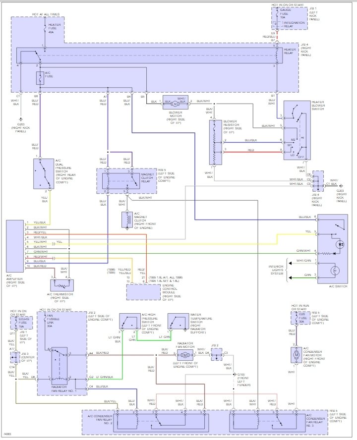
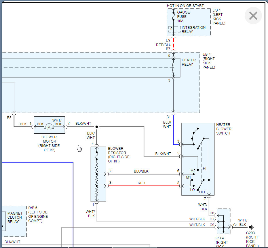
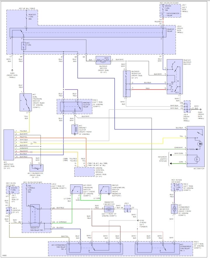
Here is the diagram for it though
Was this
answer
helpful?
Yes
No
+35
Wednesday, April 27th, 2016 AT 5:02 PM
Tiny
HMAC300
  • MECHANIC
  • 48,601 POSTS
Actually try cleaning throttle plate on both sides and iac hole with choke cleaner that may fix the idle but the low idle may be just the extra load that it places on the engine due to being a small engine.
Was this
answer
helpful?
Yes
No
Wednesday, April 27th, 2016 AT 5:19 PM
Tiny
BONZKIE28
  • MEMBER
  • 13 POSTS
I already clean the throttle body sir, already check the vsv and iac valve and all the hoses, its all okay. The mechanic also advice me that to put it back the air conditioner amp. Because he said there is no signal came from the air conditioner amp to the ecm. To make the idle up when ac is on, may hes right sir? On my day off I will do may best to connect the air conditioner amp. And I will massage you sir right away if may works will be okay. Thanks very much for the diagram.
Was this
answer
helpful?
Yes
No
+2
Thursday, April 28th, 2016 AT 1:49 AM
Tiny
MIKI#
  • MEMBER
  • 10 POSTS
Thank you Ken for the wiring diagram.
Could you kindly share a higher resolution of the same?
Was this
answer
helpful?
Yes
No
Tuesday, October 6th, 2020 AT 5:14 AM
Tiny
KASEKENNY
  • MECHANIC
  • 18,907 POSTS
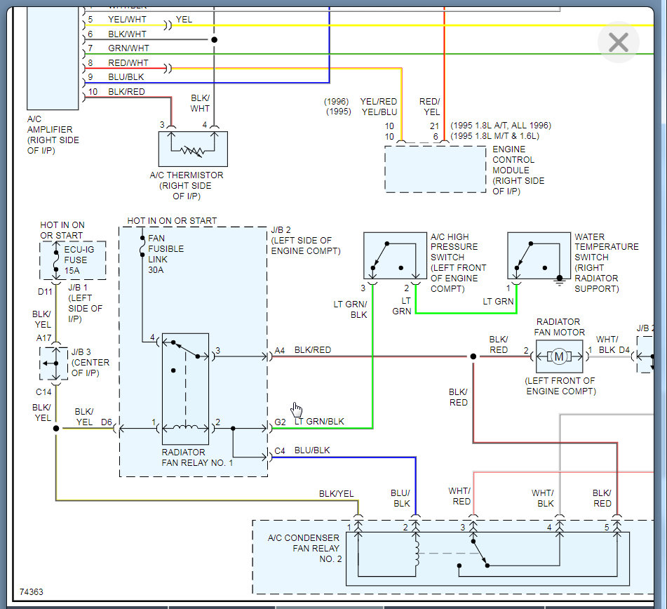
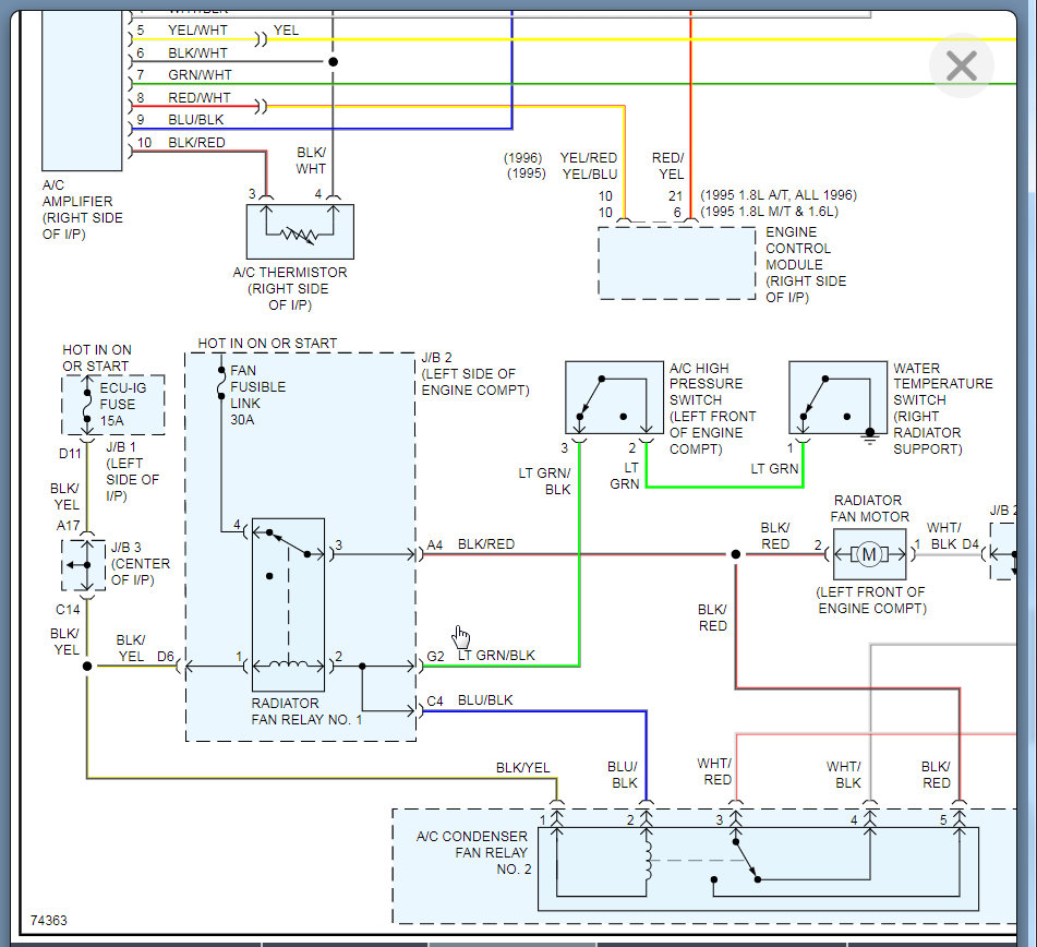
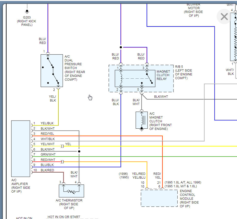
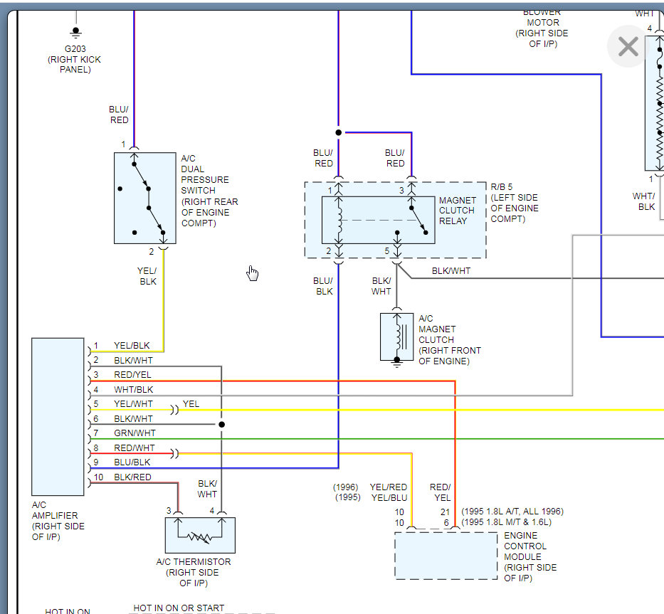
Based on the formatting requirements of the website, I had to break this up into parts. I am attaching 6 closer views of the same diagram from above. Let us know if you need more info. Thanks.
Was this
answer
helpful?
Yes
No
+19
Tuesday, October 6th, 2020 AT 12:30 PM
Tiny
MIKI#
  • MEMBER
  • 10 POSTS
Thank you Kenny!
May I ask, what's the part number for the above 10-pin AC amplifier?
Was this
answer
helpful?
Yes
No
+1
Friday, April 1st, 2022 AT 1:45 AM
Tiny
KASEKENNY
  • MECHANIC
  • 18,907 POSTS
Unfortunately, the manual does not give me the part number for this model year.

The best bet is to access the part and it should have a part number on it. Or you would have to call the dealer and they can check the VIN and pull the part number.
Was this
answer
helpful?
Yes
No
+1
Saturday, April 2nd, 2022 AT 8:21 AM

Please login or register to post a reply.