Saturday, March 15th, 2014 AT 3:24 PM
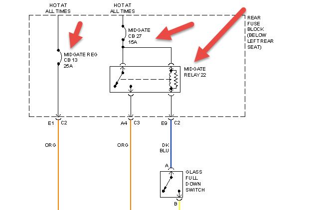
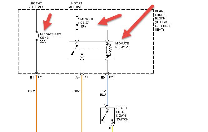
Am unable to raise the rear window. Inside sensor says rear wiper obstruction. Is there any way to disable the rear wiper sensor just to get the window up.

