Rear window demister?

Tiny
CAZSTENOAH
  • MEMBER
  • 2015 FORD MONDEO
  • 1.9L
  • TURBO
  • 2WD
  • MANUAL
  • 76,000 MILES
My rear heated window is not working. The fuse is good, and the element/grid has also been tested and has got correct power. The switch inside the vehicle to turn it on is also working. Am I right in thinking maybe a a bad earth/ground? I do not know where the earth is located for this issue. The is two rubber type bungs on either side at the top of the tailgate left side and right side. Could I use a test light for this? As I am a novice that is all I have. Many thanks in advance.

The vehicle listed above mk5.
Sunday, January 21st, 2024 AT 12:43 AM

6 Replies

Tiny
KEN L
  • MASTER CERTIFIED MECHANIC
  • 55,302 POSTS
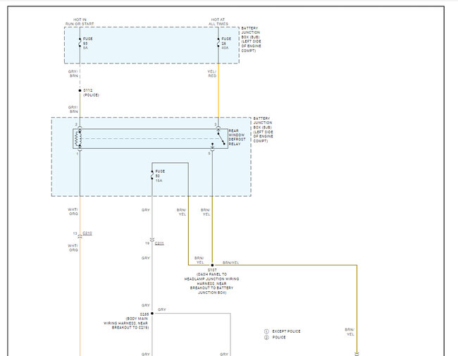
Yep, if the grid has power, then it will be the ground, or the grid has a break in it. Here are the rear defroster wiring diagrams so you can see how the system works and the ground location which is on the upper side of the luggage compartment. Check out the images (below). Let us know how it goes.
Was this
answer
helpful?
Yes
No
Sunday, January 21st, 2024 AT 11:33 AM
Tiny
CAZSTENOAH
  • MEMBER
  • 4 POSTS
Good evening and thank you for your very good info. Really helpful. I cannot get my car to the garage until Thursday! Not happy, I cannot do it myself best leave to someone who knows what they are doing. :) I will be in touch again soon with the result. Bye for now. Ste
Was this
answer
helpful?
Yes
No
Monday, January 22nd, 2024 AT 8:47 AM
Tiny
KEN L
  • MASTER CERTIFIED MECHANIC
  • 55,302 POSTS
Yep, please do, I am interested to see what the problem was.
Was this
answer
helpful?
Yes
No
+1
Monday, January 22nd, 2024 AT 10:29 AM
Tiny
CAZSTENOAH
  • MEMBER
  • 4 POSTS
Good evening, the result is in! Drum roll, the issue was a bad earth up in the tailgate driver's side. So, thank you for your advice. Good night, ste
Was this
answer
helpful?
Yes
No
Thursday, January 25th, 2024 AT 11:09 AM
Tiny
KEN L
  • MASTER CERTIFIED MECHANIC
  • 55,302 POSTS
Glad you could get it fixed, thanks for letting us know. Please use 2CarPros anytime we are here to help.
Was this
answer
helpful?
Yes
No
Friday, January 26th, 2024 AT 10:55 AM
Tiny
CAZSTENOAH
  • MEMBER
  • 4 POSTS
Thank you.
Was this
answer
helpful?
Yes
No
Friday, January 26th, 2024 AT 11:00 AM

Please login or register to post a reply.