Ater replacing the backup camera the rear turn signal stays on solid with car off

Tiny
RICK JARVIS
  • MEMBER
  • 2014 DODGE JOURNEY
  • 3.2L
  • 6 CYL
  • AUTOMATIC
  • 78,888 MILES
Replaced back up camera and when I was done turn signal stays on. Disconnected camera and no change.
Saturday, January 8th, 2022 AT 2:29 PM

1 Reply

Tiny
JACOBANDNICKOLAS
  • MECHANIC
  • 110,192 POSTS
Hi Rick, when you installed the camera, where was the wiring located? I ask because there are many variations to aftermarket backup cameras.

Also, when you say the signal stays on, do you mean it flashes, one of the exterior lights stays on or exactly what is happening?

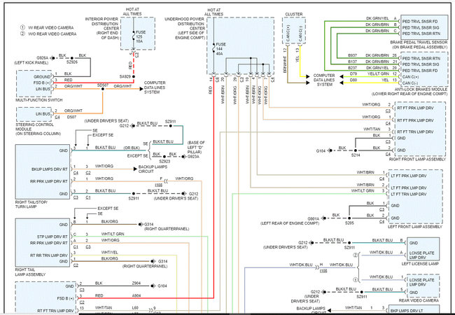
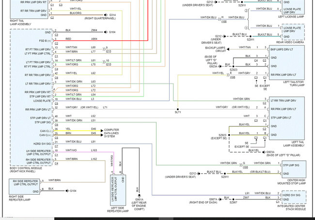
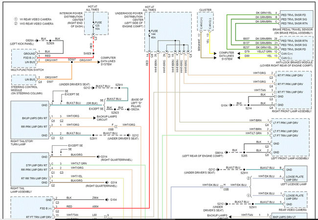
I attached the wiring schematic below for the exterior lighting circuits for your review. At some point, we have a short to power keeping the light or lights on. Take a look at it and let me know if you recognize the wiring that was involved with the camera installation.

Take care,

Joe

See pics below. Note: I had to cut the schematic below in half to make it readable for you. I did overlap them so you can follow from one to the next.
Was this
answer
helpful?
Yes
No
Sunday, January 9th, 2022 AT 7:59 PM

Please login or register to post a reply.