HOME
ASK A QUESTION
REPAIR GUIDES
BECOME A MEMBER
LOG IN
Login with Facebook
OR
Remember me
NOT A MEMBER?
FORGOT PASSWORD?
CONTACT US
PRIVACY POLICY
TERMS AND CONDITIONS
☰
Home
Hyundai
i10
Exterior Light
Brake Light
Not Working
Rear top brake light not working
ROGER MORGAN
MEMBER
2010 HYUNDAI I10
29,000 MILES
Checked bulbs and fuses, all okay.
Friday, February 15th, 2019 AT 2:58 AM
1 Reply
KEN L
MASTER CERTIFIED MECHANIC
55,499 POSTS
Hello,
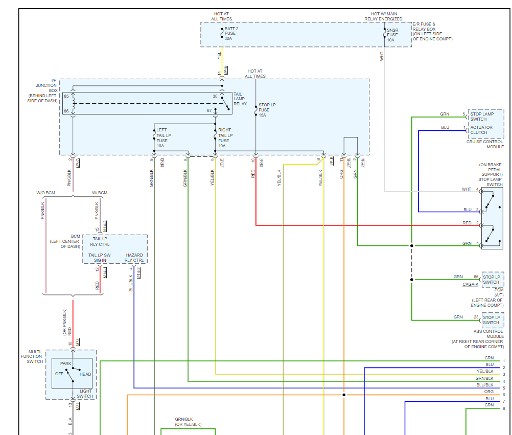
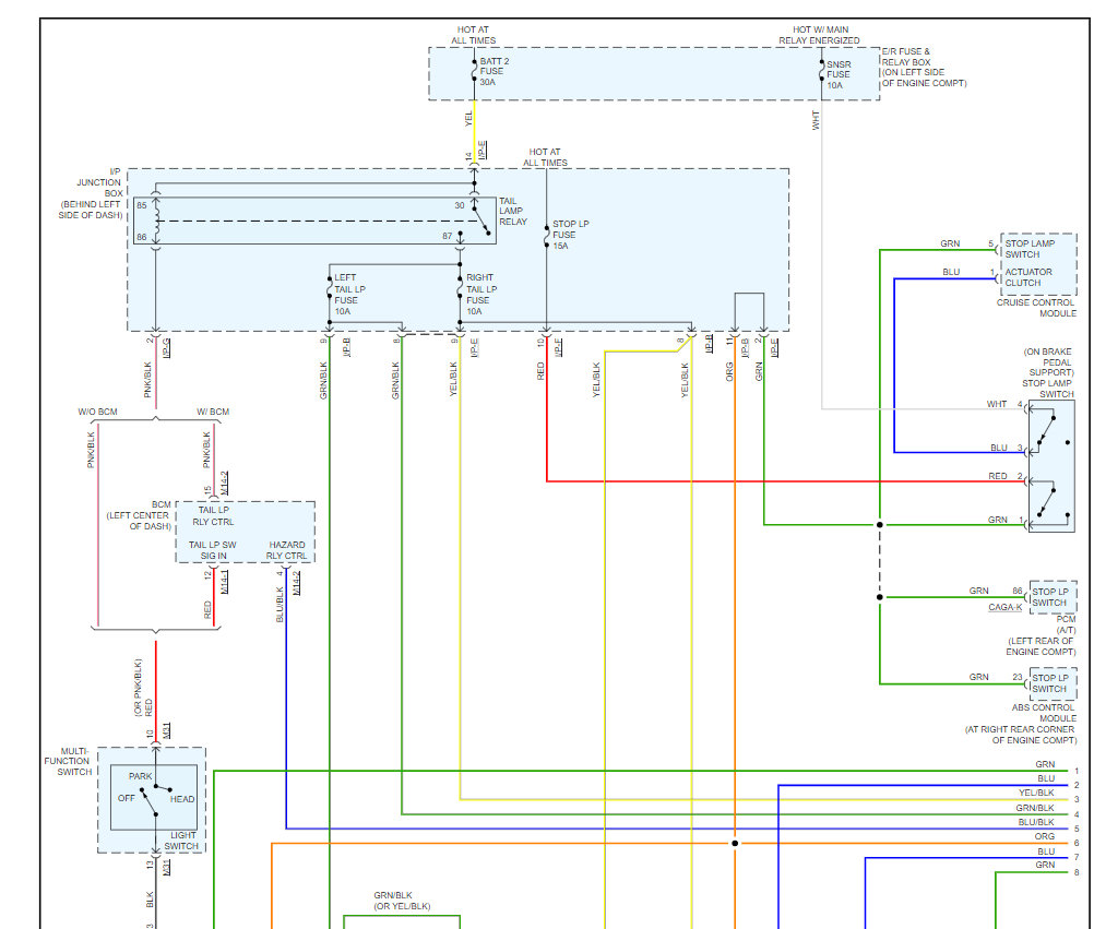
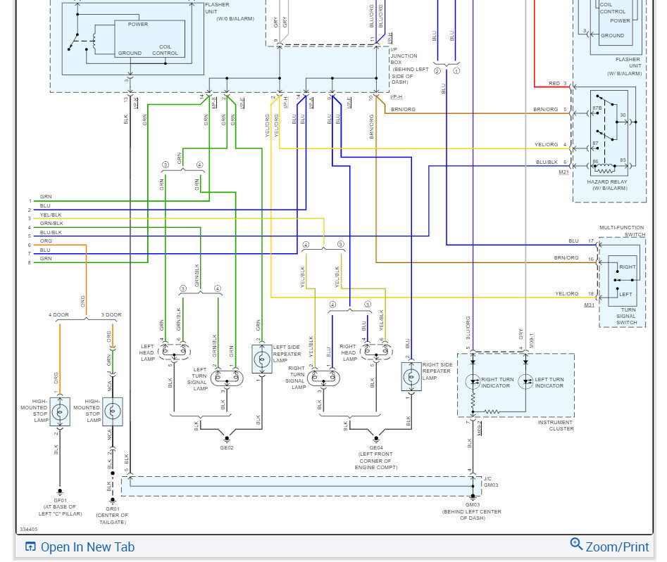
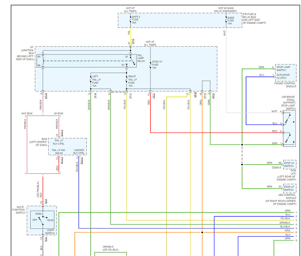
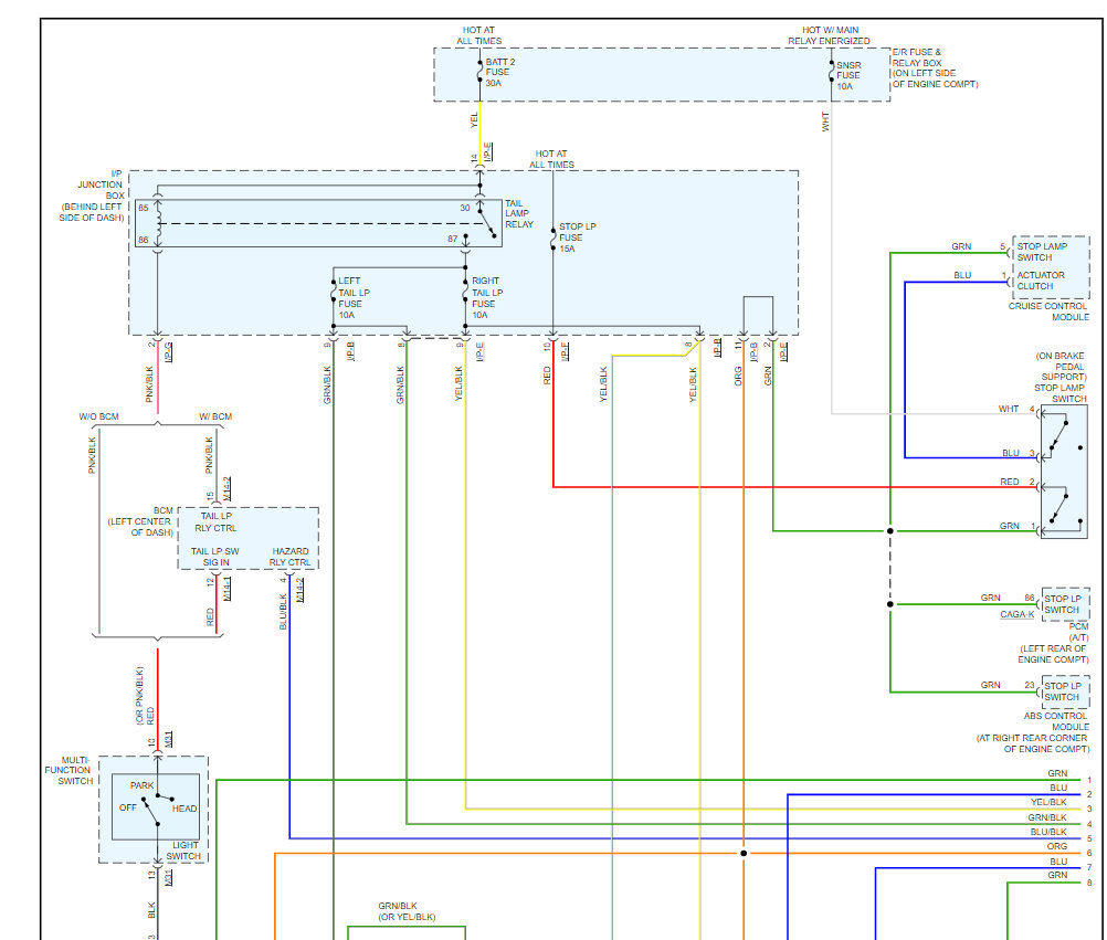
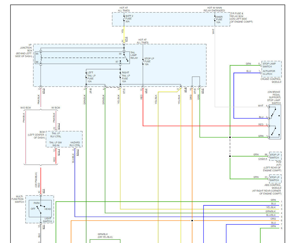
All brake lights are wired together so it must be a connecting problem. here are the brake light wiring diagrams so you can see how the system works and a guide to help walk you through the repair:
https://www.2carpros.com/articles/brake-lights-not-working
Check out the diagrams (below). Please let us know what you find. We are interested to see what it is.
Images (Click to make bigger)
Was this
answer
helpful?
Yes
No
Monday, February 18th, 2019 AT 10:19 AM
Please
login
or
register
to post a reply.
Ask a Car Question. It's Free!
How to Use a Test Light
Turn Signals Blink Fast
Have a Dim Headlight? - Try Replacing This!