After replacing tail lights with LED, passenger side running lights are not working

Tiny
HDFATBOY2005
  • MEMBER
  • 2003 JEEP WRANGLER
  • 4.0L
  • 6 CYL
  • 4WD
  • MANUAL
  • 110,000 MILES
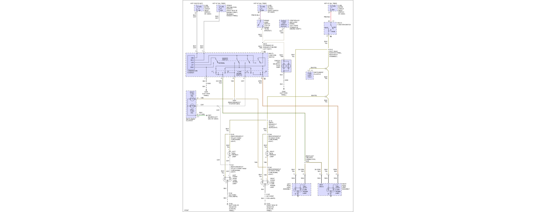
I bought new replacement rear LED tail lights. Hook both up and no running lights on passenger side. Driver side all works. Everything else works, turn signal, brake light just no running light on passenger side. I checked the running light wire and driver side was 11.4 volts and passenger side was 4.6 volts. Would that cause the light not to light up or is it just the LED lamp bad?
Thank you.
Sunday, February 4th, 2018 AT 7:14 AM

9 Replies

Tiny
PATENTED_REPAIR_PRO
  • MECHANIC
  • 1,853 POSTS
Sometimes LED bulbs have polarity. Try removing that left rear taillight bulbs and then test that voltage again at the right rear.
I do see the right rear taillight wire also splices to and feeds both front running/parking lights, so do the front still work?
Was this
answer
helpful?
Yes
No
Sunday, February 4th, 2018 AT 8:08 AM
Tiny
HDFATBOY2005
  • MEMBER
  • 5 POSTS
Yes the fronts still work.
Okay, I will try to switch them. The only thing the left has a licence plate light so I would have to switch them back. Could a dirty connection cause low voltage reading?
Thank you.
Was this
answer
helpful?
Yes
No
Sunday, February 4th, 2018 AT 8:19 AM
Tiny
PATENTED_REPAIR_PRO
  • MECHANIC
  • 1,853 POSTS
A dirty connection could cause a loss of voltage.
If the fronts are working okay, I do not see no need to worry about the left rear then, simply because the splice for it is before the splice for the fronts. So, check the voltage again on that black/yellow wire where it meets up with the other black/yellow wires, the one that feeds the fronts and the one that comes from the multi-function/headlight switch.
Now where exactly this connection or splice is located, the repair manual does not say, so I suggest you just follow the black/yellow wire from the right rear light assembly to find it.
First of all, it appears there is a connection near the right rear light assembly, check the voltage there first before continuing on back toward the light switch.
Was this
answer
helpful?
Yes
No
Sunday, February 4th, 2018 AT 8:29 AM
Tiny
HDFATBOY2005
  • MEMBER
  • 5 POSTS
Okay, I will clean the right side connection. It looked rough. Then I will check the wires back.
Any chance it could be a bad LED light in the taillight? If it has around 4.5 volts would the LED light light up a little or is that not enough power to light up the LED light?
Thank you for the help.
Was this
answer
helpful?
Yes
No
Sunday, February 4th, 2018 AT 8:42 AM
Tiny
PATENTED_REPAIR_PRO
  • MECHANIC
  • 1,853 POSTS
No, it would not be the bulb, because you have already tested the voltage and 4.5 volts probably is not enough to light the bulb bright enough to see, maybe if it was night time.
Was this
answer
helpful?
Yes
No
Sunday, February 4th, 2018 AT 8:53 AM
Tiny
HDFATBOY2005
  • MEMBER
  • 5 POSTS
Okay, I will check the wires back.
Thank you for the help.
You think cut wire or something else?
Was this
answer
helpful?
Yes
No
Sunday, February 4th, 2018 AT 9:03 AM
Tiny
PATENTED_REPAIR_PRO
  • MECHANIC
  • 1,853 POSTS
Cut? Probably not, since that would usually mean no voltage at all, perhaps broken copper wire strands or maybe a rusted connection.
Was this
answer
helpful?
Yes
No
Sunday, February 4th, 2018 AT 9:30 AM
Tiny
HDFATBOY2005
  • MEMBER
  • 5 POSTS
Okay, I will check the wires back.
Thanks again for the help.
Thank you.
Was this
answer
helpful?
Yes
No
Sunday, February 4th, 2018 AT 9:31 AM
Tiny
PATENTED_REPAIR_PRO
  • MECHANIC
  • 1,853 POSTS
You are welcome.
Was this
answer
helpful?
Yes
No
Sunday, February 4th, 2018 AT 9:32 AM

Please login or register to post a reply.