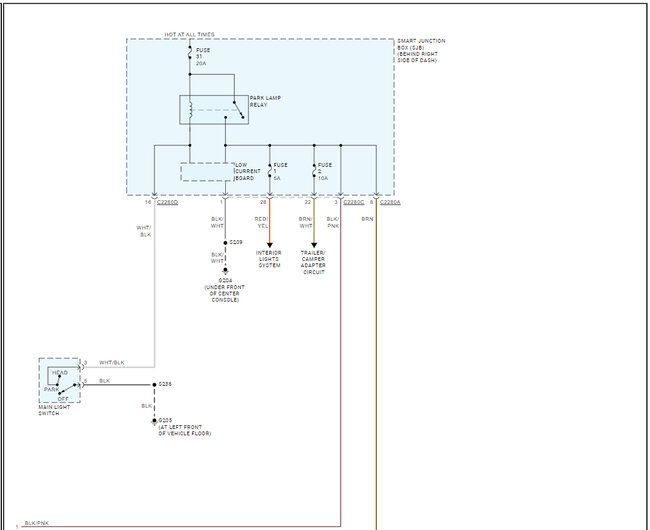
My vehicle listed above started by having the fast right and fast left signal clicking faster when I placed the brake down. Went to WM and got syl bulbs 4157 for brake 3156 for reverse lights When turn on or engages for signal still get fast clicks and all lights are very dim ie: turn, reverse and brake 3rd light is normal I have not check fuses as of yet or gone in dash for turn signal relay FYI I do have an exposed pig tail on back of truck.
Monday, October 21st, 2024 AT 3:22 PM











