Rear speakers are very low and the right side has even lower sound

Tiny
MGSIL
  • MEMBER
  • 2002 BUICK PARK AVENUE
  • 130,000 MILES
Does anyone know why this is? I tried replacing the speakers thinking the speakers are bad but still the same problem we don't know audio with right side even lower. Why is this is there something I need to be bypassing the app of some sort?
Saturday, June 12th, 2021 AT 6:39 PM

1 Reply

Tiny
JACOBANDNICKOLAS
  • MECHANIC
  • 110,192 POSTS
Hi,

Is this an original equipment radio? Also, do you know if it is the base radio or the premium sound system?

In most cases, it is the radio itself or amplifier which is failing. In the base model system, the radio itself has an internal amp and the premium has a separate power amp, so I need to know which we are dealing with.

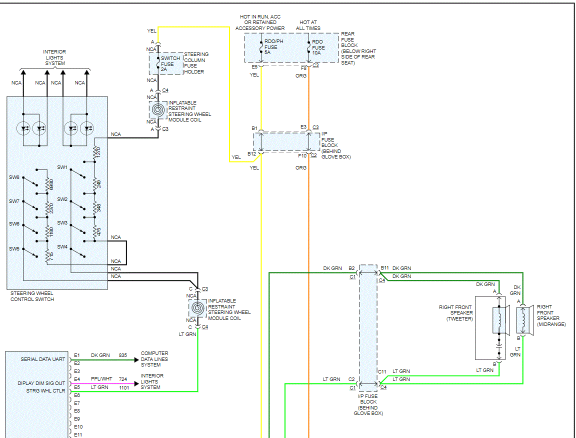
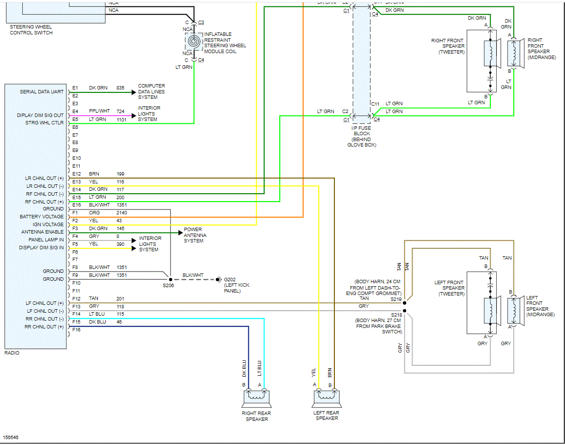
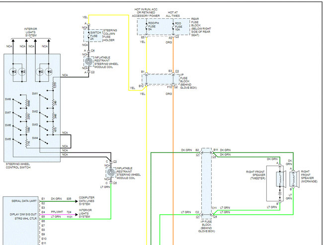
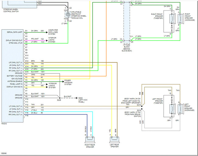
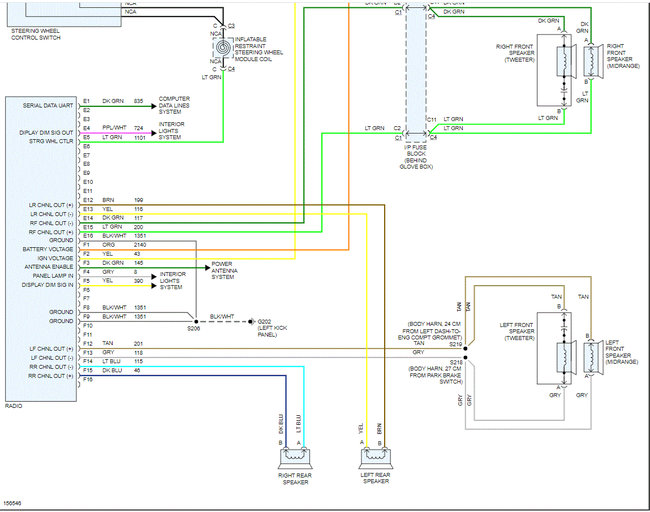
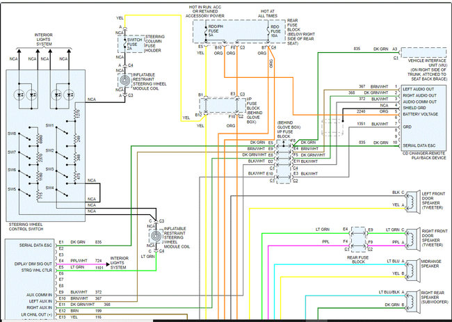
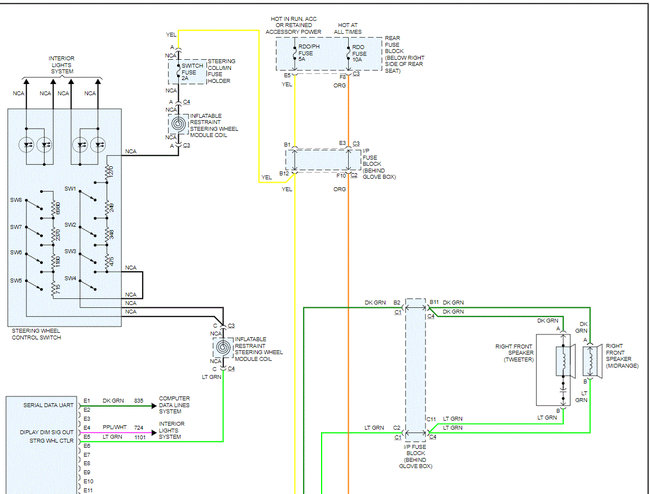
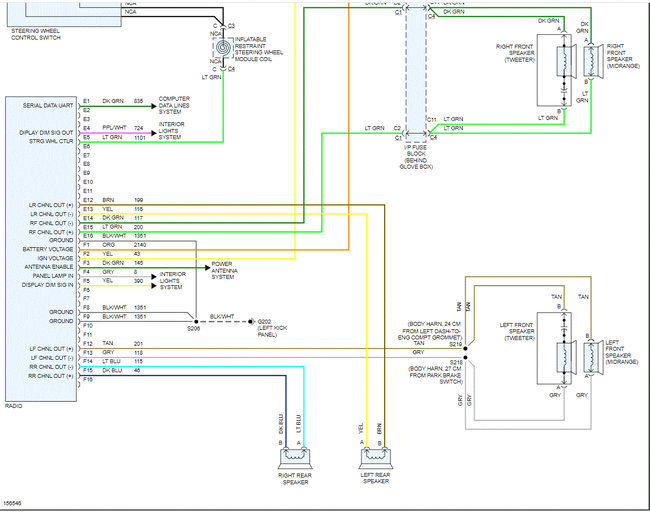
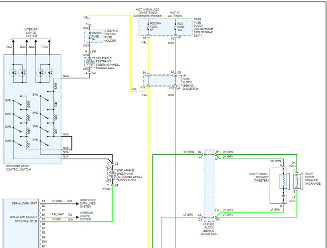
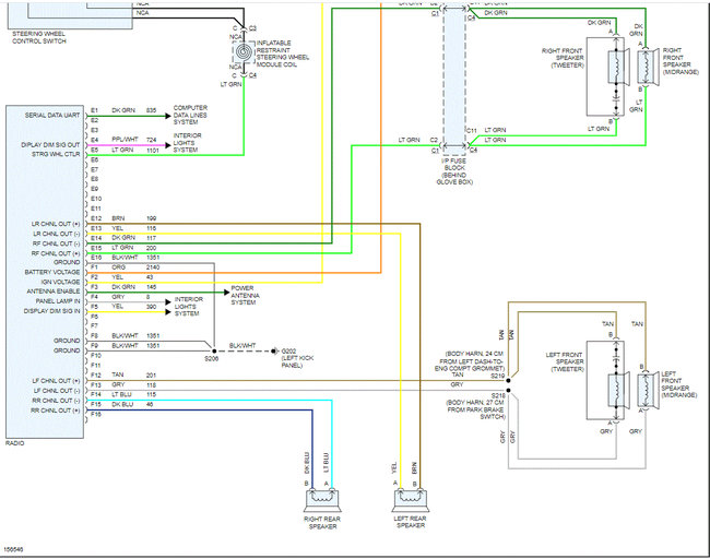
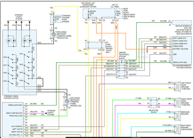
I attached 4 pics below. The first two show the wiring schematic for premium system, and the last two are for the base. What I am thinking is this. Once we determine which system you have, we may have to run new wires to the speakers from the unit to see if it is a wiring issue. If it isn't, then I suspect it is the radio or amp.

Let me know.

Take care,

Joe

See pics below.
Was this
answer
helpful?
Yes
No
Sunday, June 13th, 2021 AT 8:09 PM

Please login or register to post a reply.