Rear running lights /rear taillights not working?

Tiny
GUIDOSUPHOLSTERY2088
  • MEMBER
  • 2008 CADILLAC CTS
  • 3.6L
  • 6 CYL
  • 4WD
  • AUTOMATIC
  • 156,000 MILES
I have the car listed above cts4. I am having trouble fixing the problem with the rear running lights not working on the right and left side. The brake lights work, the reverse lights work, the turn signals work. I have checked the taillight plug connector it is getting power constant power on pen one bottom left and power to the third pin over on the bottom which is the brake light power when brake is pressed in passenger side connector same with driver side, I did the same checks on both sides. I have manually tested the led taillights to check if the taillight LEDs were not working. They all light up as normal. I have checked all the fuses and relays as best I could to the information, I could find online that seemed to pertain to the rear taillights. I am not too familiar with Cadillac I will admit I have way more experience with Japanese car brands. But the basics are the basics.

I have done a quick check of the ground wires directly coming from the taillight plug connector and the wires coming from the trunk lid as that is a common place for broken ground wires. I assume since there is only on plug to the rear tail lights and it’s not the LEDs themselves and there is power going to the connector that the issue must be a bad ground or broken ground somewhere I just don’t have the information I need to check correctly elsewhere.
Saturday, September 23rd, 2023 AT 11:18 PM

12 Replies

Tiny
AL514
  • MECHANIC
  • 5,593 POSTS
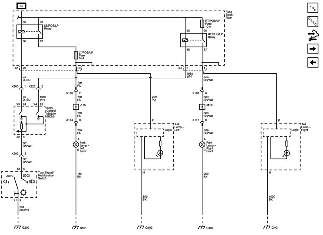
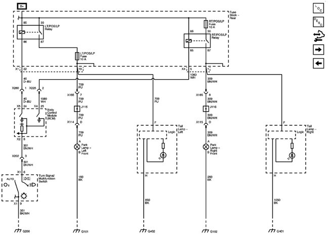
Hello, it looks like there is only 1 ground wire for both rear exterior light assemblies, although there are a couple different designs with these. Looking at aftermarket vs OEM diagrams, there are some differences. Do you have 4 wire harness connectors going to each rear lamp assembly? One wire being Black (Ground)? Or are there 5 wires? I'm going to post this aftermarket diagram first just to see which setup you're working on.
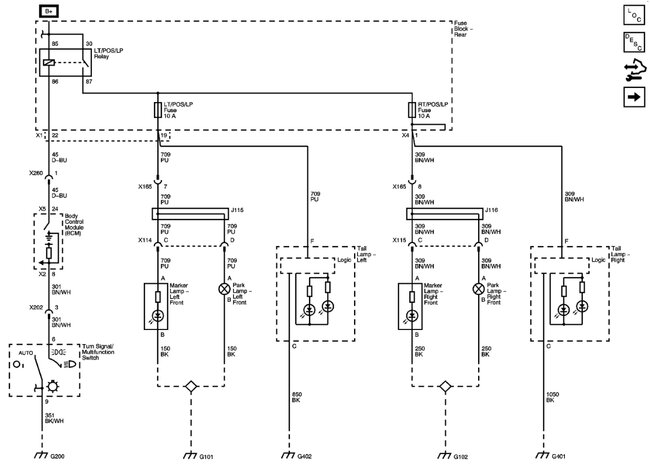
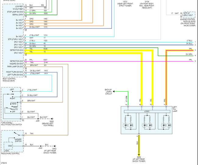
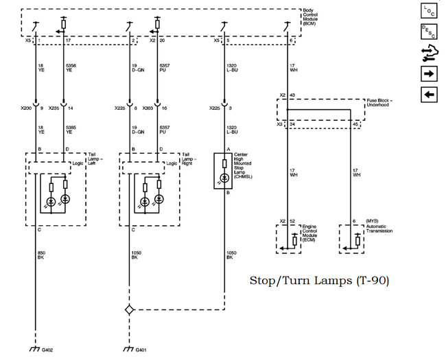
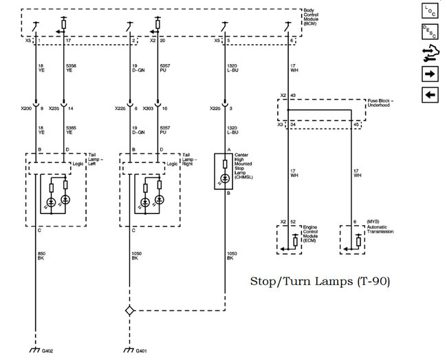
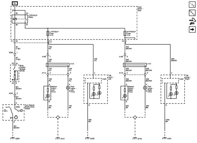
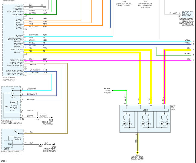
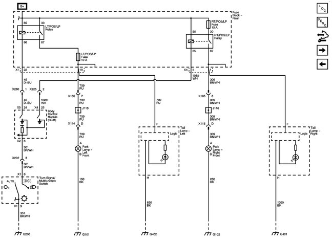
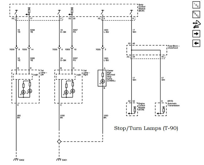
This is the only aftermarket diagram for the exterior lamps, the OEM differs a bit. The purple wire coming in from page 2 is a 12volt feed that's for both sides coming from the relays and fuses. This one shows a logic chip in the rear assemblies for the LEDs, I will post page 2 as well. I assume there is only one output from the BCM for the running lights but that ground G402 is supposed to be for both.
Diagrams 2 is labelled Park Lamps without T90,
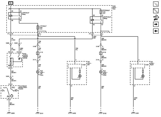
diagram 3 is with T90 option.
Of course, the OEM show each side using a different Ground G401 and G402
Are you able to scan the BCM for any codes?
Here are the locations for Grounds G401 and G402, with both sides being out though this is where aftermarket diagrams might be incorrect.
Was this
answer
helpful?
Yes
No
Sunday, September 24th, 2023 AT 10:38 AM
Tiny
AL514
  • MECHANIC
  • 5,593 POSTS
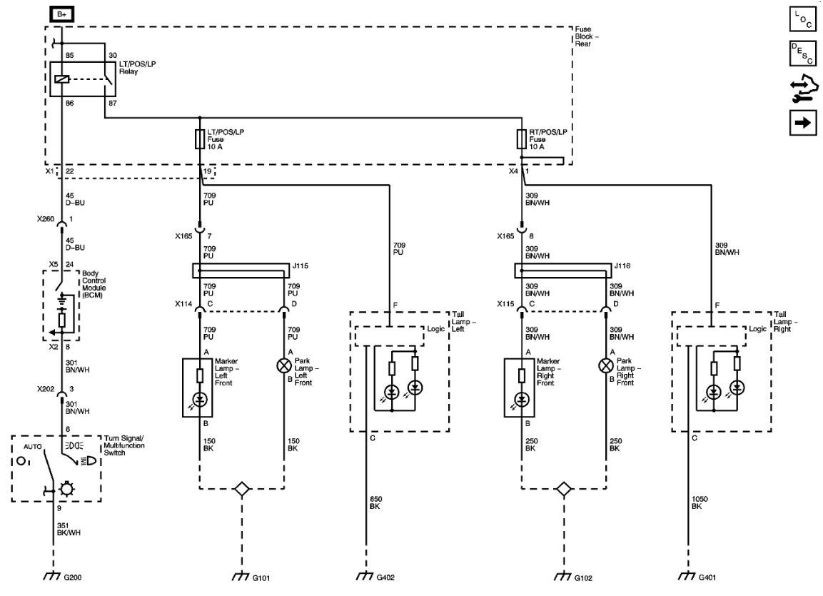
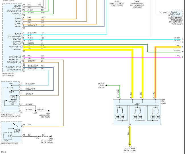
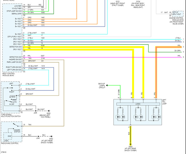
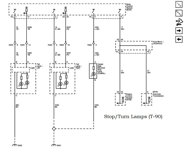
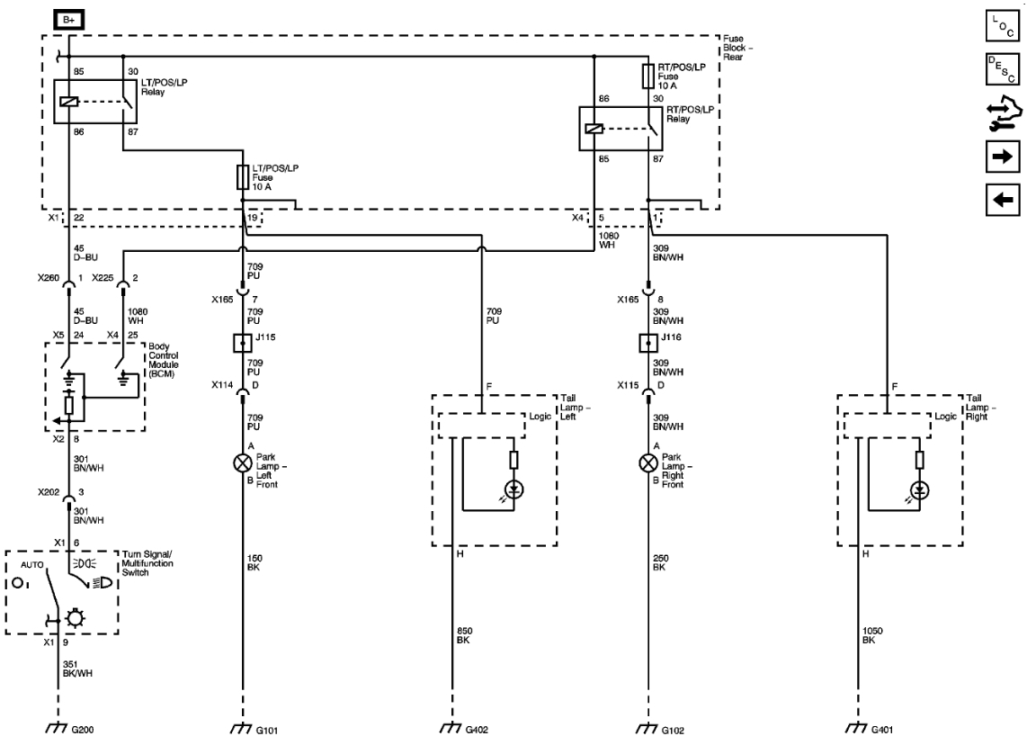
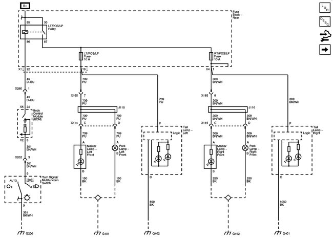
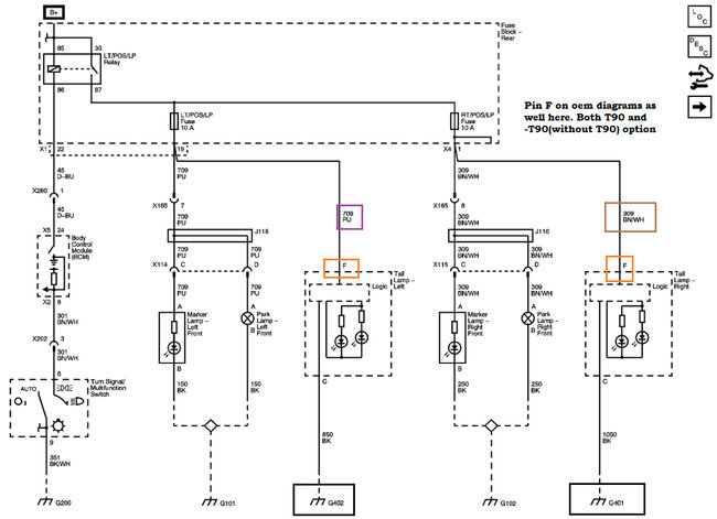
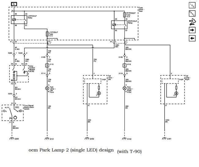
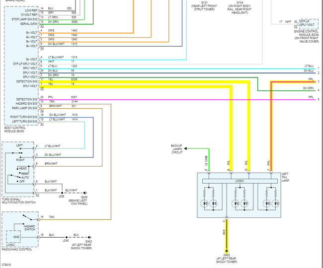
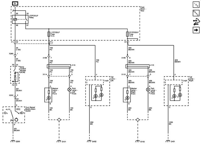
This is some additional information on the rear lamp's operation, it appears that the Brake Lamps, turn signals, Parking lamps, License plate lamps, and the Reverse Lamps all use the same grounding locations. So, I don't think this would be a grounding issue. Service info also stating there are Left and Right Tail lamp Outage detection circuits, which would be the purple wire for the Right (Pass) side and the yellow wire on the left (driver) side. I've added the connector pinout for both (with T90 and without T90) option for the rear tail assembly. So, if you do have this brown/white wire for the right side and the purple wire for the Left side, it looks like that is where power is supposed to be coming from for the Parking (Tail) Lamps, obviously service info here is incorrect. The last 2 diagrams are supposed to be OEM though, where Pin F should be the feed for the Park lamps from their either separate relays (T90) or from one relay (-T90). Relay LT/POS/LP Relay to each fuse (LT/POS/LP Fuse 10A) - (RT/POS/LP Fuse 10A).
If there is no power on the purple wire (driver) and Brown/White wire (passenger) then it has to be an open circuit to the rear assemblies. Hopefully some of this info is helpful, it looks like a mess. Sorry about that.
I'm posting a little info on a different case study that may or may not apply. But it appears the STX also seems to use those same wire colors for the front park lamps. So, it may be an operation that is confusing here. Check that out and see what you think. If the Park lamps come on at different shift positions.
Was this
answer
helpful?
Yes
No
+1
Sunday, September 24th, 2023 AT 12:23 PM
Tiny
GUIDOSUPHOLSTERY2088
  • MEMBER
  • 8 POSTS
Okay, thank you. I will dig into it a little later when I get a new tester. Someone moved the car and ran mine over before I was done cleaning up lol. But thank you I was leaning towards a bad ground but if they use the same grounds, then that’s not it. And some of the information I was confused on because some say that’s bad relays in the engine bay fuse box will affect the rear tail light running lights from working but all of my headlight configurations work it’s only the rear tail running lights. But if they run on the same linking systems, I can see how a bad relay or possibly a corroded fuse, box pen in either the trunk or under the hood could be causing this problem. But I don’t know how to check fuse box pins.
Was this
answer
helpful?
Yes
No
Sunday, September 24th, 2023 AT 1:58 PM
Tiny
AL514
  • MECHANIC
  • 5,593 POSTS
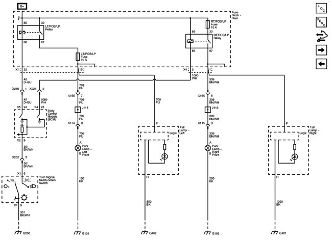
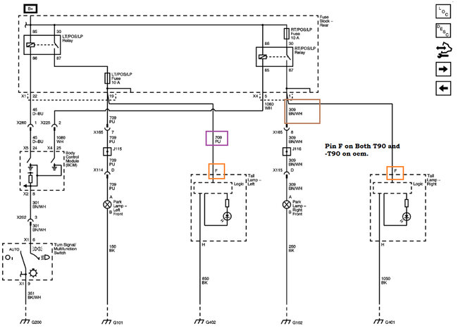
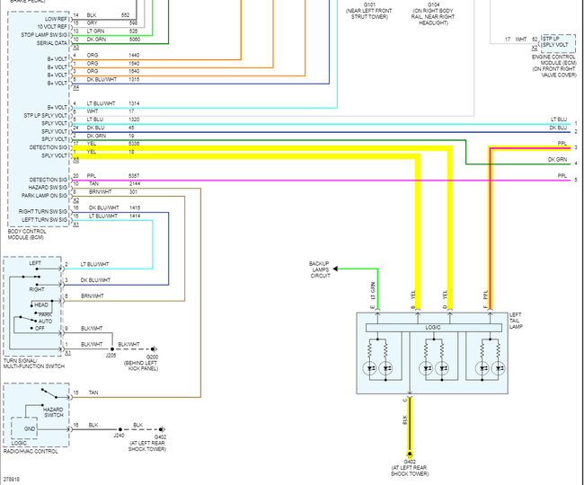
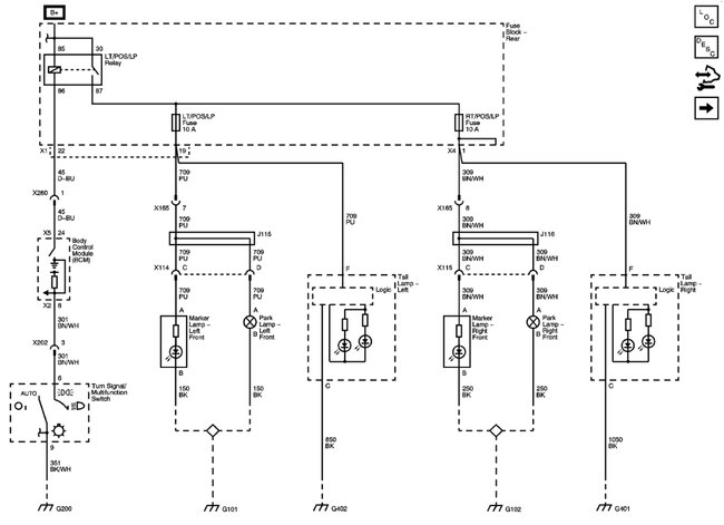
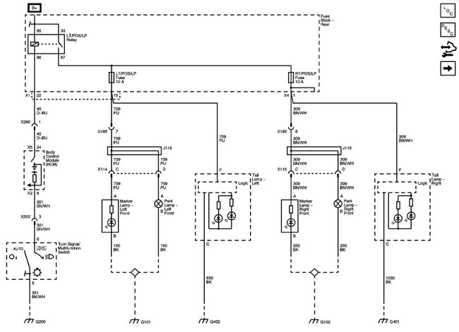
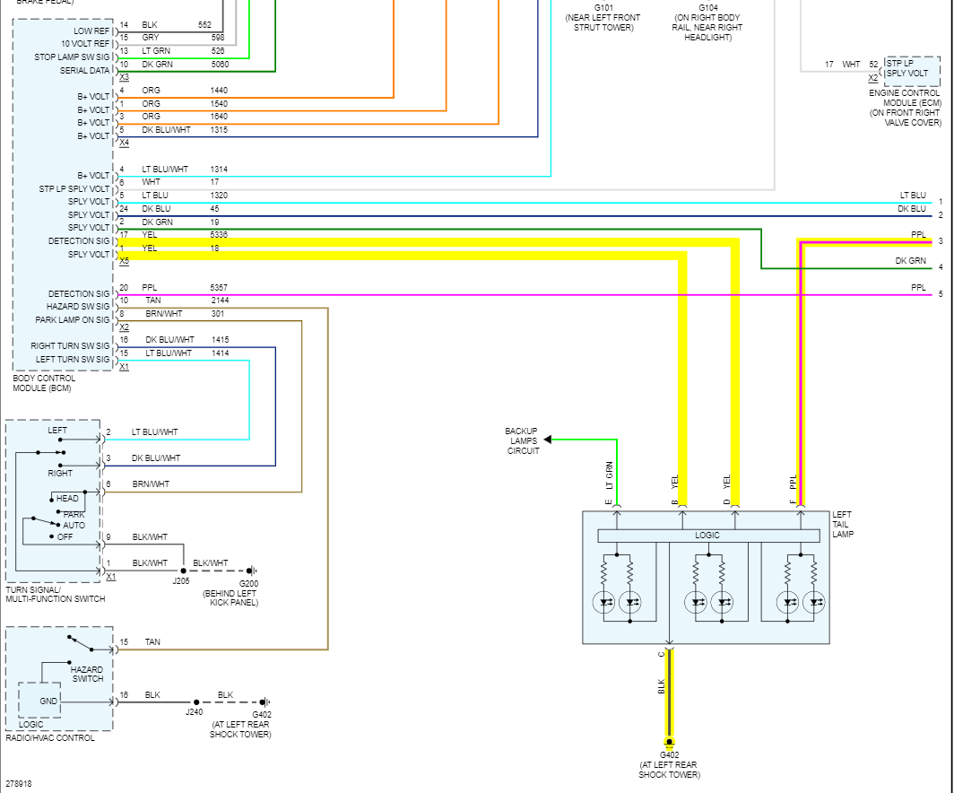
One section does list the Tail Lamp relay being in the rear fuse block, so passenger side rear of luggage compartment, that is in the rear of the vehicle, and I'm not at all a 100% sure on these wiring diagrams, This is the diagram of that, showing the Purple wire and the Brown/White wire that run to the rear tail lamps, in this it appears that they run the wires for the front marker lamps from that rear fuse block, but that doesn't make much sense, So I would check this rear fuse block, it's probably behind some paneling in the trunk area. The fuse labels don't make much sense either, the connector diagrams definitely have errors in them. You can test the ground wire at the rear lamp assembly by hooking it into a power wire and touching the black ground wire and see if your meter reads 12-volts if that's what you are using. LEDs don't take nearly the amperage of incandescent lamps and that's why they show resistors in-series in the circuit with the LEDs.

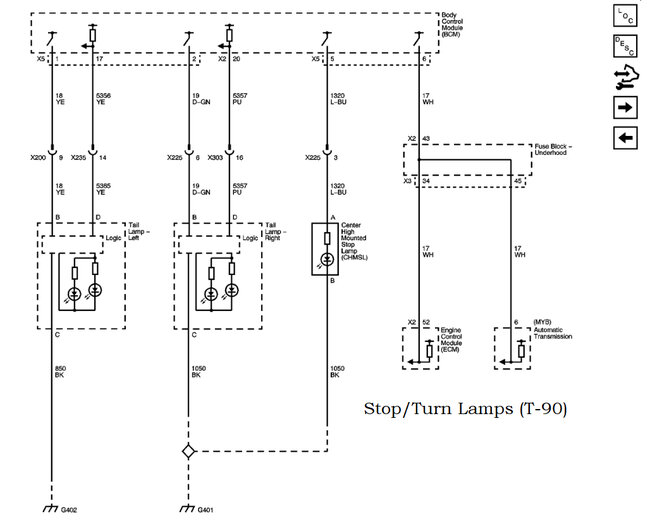
Each version whether it's the T90 option or not shows an 8 pin Tail Lamp connector, some pins are not used in the non T90 design but according to the OEM diagrams Pin F is used in both cases for the rear Tail/Park lamps, but you can see in the 4th diagram they have the left side marked incorrectly. In either case you should have a brown/white wire on the Right side with power for the Tail lamps,

It should be the same for the driver side rear, but a purple wire, and that's coming from the Relay for those Tail lamps, so if you have power on one of those wires you can use the Black wire as your ground for the meter and should read 12v. There are some timeouts programmed into the BCM, but it's supposed to be 10mins so if you test with the vehicle running you should be fine, and I would also check it with the switch set on a manual mode as well as any auto setting it has.

This other vehicle was a 2005 Cad CTS, and its Park lamps were only those small outside quarter panel lights. The Front marker lamps only worked when in Drive, Neutral or Reverse and with the Headlights off (5th diagram). So, that might be the case here as well, but we wouldn't know because they don't have anything labelled correctly. I do hope you aren't chasing a normal function here. But it might be the case. It looks like the BCM uses the same LEDs as Turn signals and just pulses them off and on. With the 3 sets of LEDs on each side, 1 is for the Reverse lamps which need to be a white color, then Stop lamps. Whatever lamps turn on with the License plate lamps, if they are the small quarter panel lamps in the rear might be the Marker/Park lamps, whatever they are called. And the ones that come on in Drive might be tied into the daytime running lamps or some sub system.
Sorry it's so confusing but have someone stand in back and tell you what lights come on or off with the headlight switch positions.
Was this
answer
helpful?
Yes
No
Sunday, September 24th, 2023 AT 3:10 PM
Tiny
GUIDOSUPHOLSTERY2088
  • MEMBER
  • 8 POSTS
Okay, you have completely lost me with throwing the other years and makes into the equation. I know that the 08 is different from the other years whether it’s 08/09 or 07/08 so using any other diagrams is going to be incorrect. And look at a 2010 in person of the same make and model cts4 which was also different from the 2008. And I was having trouble tracing down wires because you had many different ones all mixed up not in order. If I just had the correct diagram from front to back, I could trace down my problem.

I know there is an open circuit somewhere and a short circuit running from all three taillights when single is plugged into the passenger side taillight plug top row second pin from right to left facing the plug. The open circuit is coming from the constant power pin on same plug connector bottom row first pin from right to left.
Was this
answer
helpful?
Yes
No
Wednesday, October 25th, 2023 AT 7:27 PM
Tiny
GUIDOSUPHOLSTERY2088
  • MEMBER
  • 8 POSTS
Okay, so, if I put power to the passenger taillight plug connector top row second pin from right to left (grayish/ white strip) wire facing the face of connector (without) the license plate lights plugged in the driver side running light comes on and vice versa.
But if the license plate light is plugged in the running light does not come on. Only when LP lights are unplugged.

My (etc transmitter) is telling me there is a short in that circuit.

Where should I start to look now since it’s a short and not an open circuit (broken wire).
Was this
answer
helpful?
Yes
No
Wednesday, October 25th, 2023 AT 11:45 PM
Tiny
GUIDOSUPHOLSTERY2088
  • MEMBER
  • 8 POSTS
Here are the pictures showing what I was explaining in the message before.
Was this
answer
helpful?
Yes
No
Wednesday, October 25th, 2023 AT 11:47 PM
Tiny
GUIDOSUPHOLSTERY2088
  • MEMBER
  • 8 POSTS
From everything I understood with the information you sent me already all of the taillight functions are controlled by this (BCM) under the passenger side seat under the carpet as shown in picture which was leading me to possibly think is was a faulty (BCM) until I discovered the short which I previously mentioned. Was I wrong in going that direction. For some reason I can’t seem to remember how to find shorts, but if it was a short? Shouldn’t there be a bad fuse or relay that is connected to that circuit?
Was this
answer
helpful?
Yes
No
Wednesday, October 25th, 2023 AT 11:59 PM
Tiny
GUIDOSUPHOLSTERY2088
  • MEMBER
  • 8 POSTS
This both rear running lights working with power going to (dark grayish/ white strip) wire passenger side pin like I stated above
Without (license plate lights unplugged).

I have manually powered both (LP lights unit) and they work. So, it’s not the bulbs.
Also, with the car turned on I am not receiving any power to either pin on connector plugs. Only getting a (negative power) reading with (power prob) which seems to be leading me to a bad ground like I assumed at the very beginning of all this.
Was this
answer
helpful?
Yes
No
Thursday, October 26th, 2023 AT 12:45 AM
Tiny
GUIDOSUPHOLSTERY2088
  • MEMBER
  • 8 POSTS
Since the unit I am using to apply power to the pin to light the running lights in the rear is grounded to the battery.
Was this
answer
helpful?
Yes
No
Thursday, October 26th, 2023 AT 12:48 AM
Tiny
AL514
  • MECHANIC
  • 5,593 POSTS
Sorry for the confusion with the wiring diagrams, there are just a lot of variables in the design with these vehicles. I had seen that the other year CTS had some strange function when it came to running lights, and a DRL sensor involved. I'm just going through your last few posts here to see where you're at right now, I agree it's not a bulb issue, since it looks like each side uses a different ground. But it was looking like some of the OEM diagrams might not have been correct. That does happen, where the OEM is incorrect but the aftermarket and then the other way around as well. But it does help to see the actual connector you're dealing with now, I am counting 5 wires per connector, is that correct?
A lt green, dark green, purple, tan/white, and a black?
The only wire I see that has a white stripe is the pass side F pin, which is brown/white according to the diagrams, and its coming from the Rear Fuse Block LT/POS/ LP Relay then out through the RT/POS/LP Fuse 10amp. Which is supposed to also power the Right Front Park and Marker Lamp, as well as the License Plate lamps.

To check for a short to ground, I use a test light hooked to battery positive, and I make sure that the circuit I'm testing does not go through any modules so I'm not pulling too much current through that module. Or I would use an LED test light which draws very low current.
You could unplug the license plate connector and take the bulbs out of the circuit and see if the circuit lights the test light, showing a path to ground before the license plate lamp bulbs (the load) for the circuit.
I use that method so when I find the short, like moving a wire away from the short, my test light will go out.
Was this
answer
helpful?
Yes
No
Thursday, October 26th, 2023 AT 10:58 AM
Tiny
AL514
  • MECHANIC
  • 5,593 POSTS
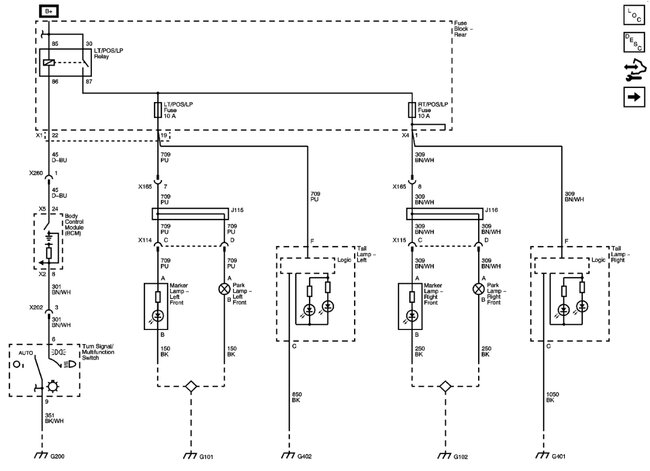
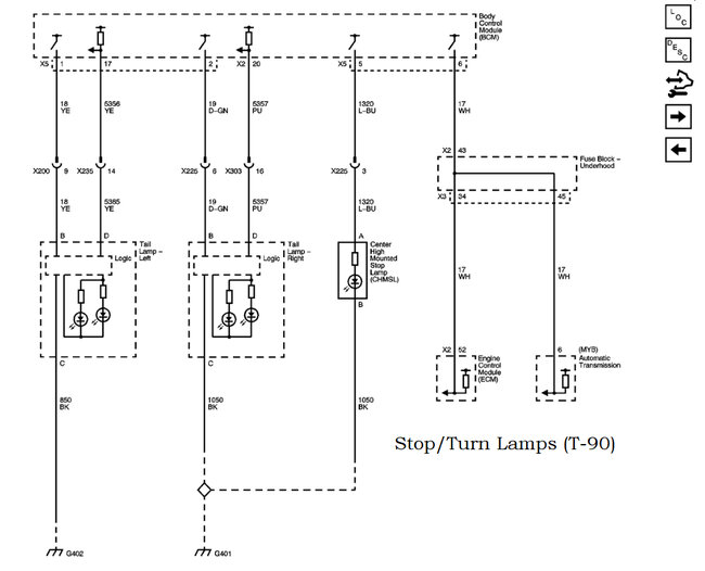
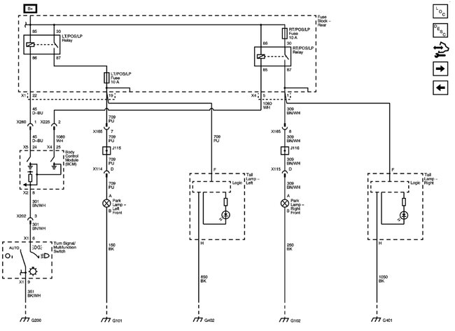
These are all the OEM diagrams for all the rear lamps, I labelled them exactly how they are listed, you can see why the confusion. Besides each of these listing a Logic board internal to the rear lamp assemblies.
Are the front marker lamps coming on when you're powering up the rear ones from an aux power source?
Was this
answer
helpful?
Yes
No
Thursday, October 26th, 2023 AT 11:55 AM

Please login or register to post a reply.