Rear lights and mirrors wiring diagrams needed?

Tiny
JOEPONTIAC
  • MEMBER
  • 2012 MAZDA 3
  • 2.0L
  • 4 CYL
  • 2WD
  • MANUAL
  • 271,000 MILES
Hi,

I need an electrical diagram for one project this summer in my 2012 Mazda 3.
Diagram for:
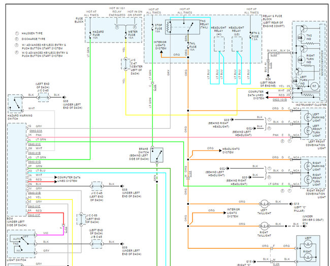
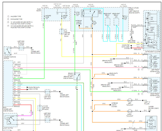
1) Rear lights (the back of the car).
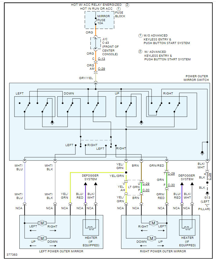
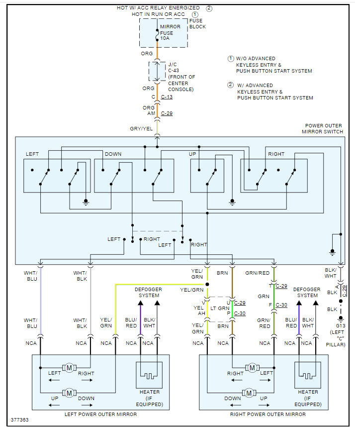
2) Rear viewer mirrors (heated and turn signal lights).
Thank you
Friday, June 7th, 2024 AT 11:12 PM

3 Replies

Tiny
KEN L
  • MASTER CERTIFIED MECHANIC
  • 55,512 POSTS
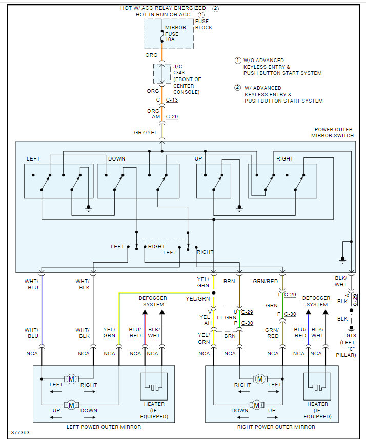
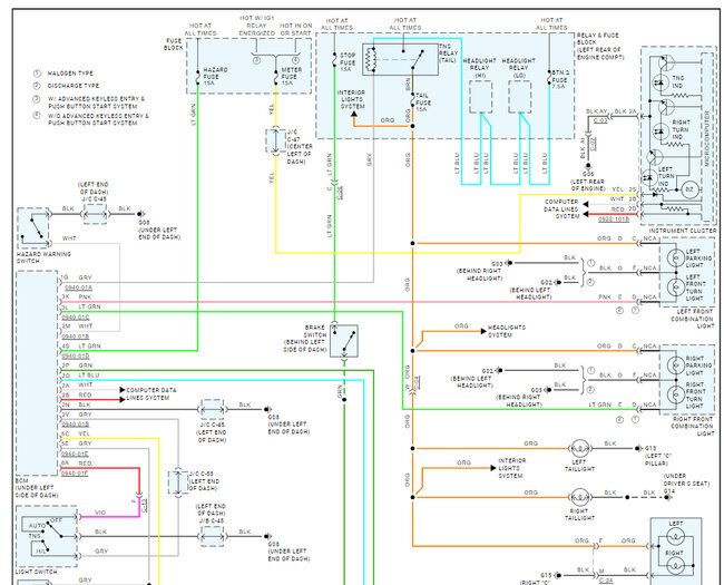
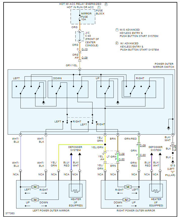
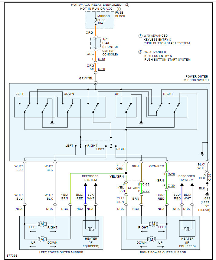
Sure, here are the wiring diagrams for the rear tail and brake lights and the side view mirrors, I am not sure what you mean by the heated rear mirror with turn signals? Can you please clarify? Check out the images (below). Let us know if you need anything else.
Was this
answer
helpful?
Yes
No
Saturday, June 8th, 2024 AT 12:00 PM
Tiny
JOEPONTIAC
  • MEMBER
  • 13 POSTS
Hi,

Thank you very much.
It’s all what I need.
Was this
answer
helpful?
Yes
No
Saturday, June 15th, 2024 AT 11:22 AM
Tiny
KEN L
  • MASTER CERTIFIED MECHANIC
  • 55,512 POSTS
You are welcome. Please let us know what happens.
Was this
answer
helpful?
Yes
No
Sunday, June 16th, 2024 AT 10:21 AM

Please login or register to post a reply.