Rear drivers side signal/brake light not working properly?

Tiny
JB42
  • MEMBER
  • 2011 FORD F-150
  • V6
  • 4WD
  • AUTOMATIC
  • 113,583 MILES
My rear driver's side turn signal and brake light only work if the head lights are off. Blinkers do blink fast even after changing the bulbs and I have no running lights on the rear drivers either. What would be causing this?
Thursday, October 27th, 2022 AT 10:37 AM

5 Replies

Tiny
JACOBANDNICKOLAS
  • MECHANIC
  • 110,194 POSTS
Hi,

When the headlamps are on, does the front signal lamp work? Also, does anything work on the left rear?

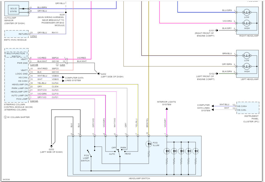
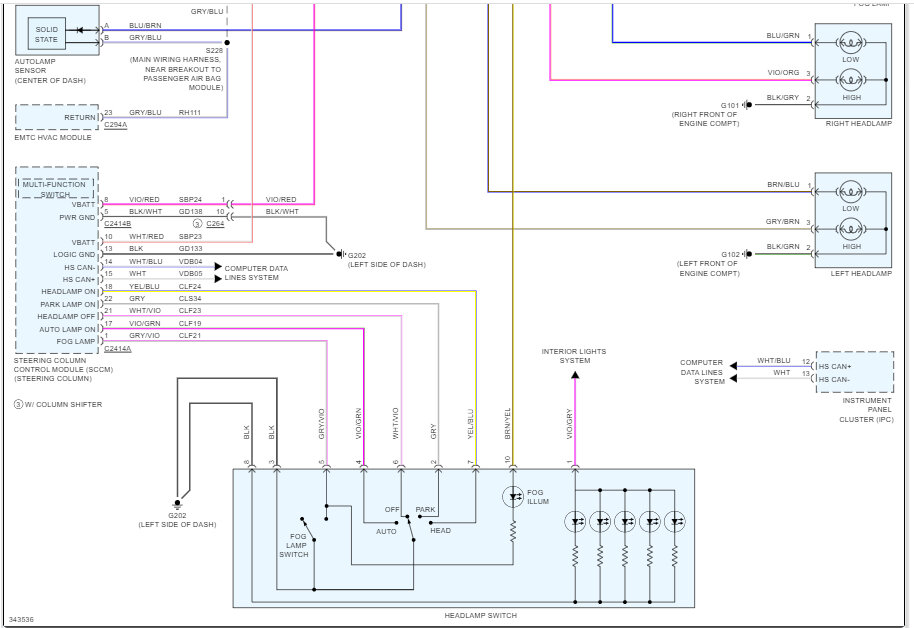
I attached a pic from the wiring schematic. There is a fuse designated for the left turn/brake lamp. See pic below.

The more I think about what is happening, it isn't making sense. The two circuits are not tied together. Check the fuse I mentioned. If that is good, we may have either a ground-related issue or the body control module (BCM) may be faulty.

I found ground 202 (G202) is for the headlamp switch and the multi-function switch. See pic 3 for location. I have a feeling that the ground is weak and when you turn on the headlamps, the ground is too weak and causes failure to the left rear light assembly. Check that ground for any damage, corrosion, or wiring issues.

Let me know.

Take care,

Joe

See pics below.
Was this
answer
helpful?
Yes
No
Thursday, October 27th, 2022 AT 6:53 PM
Tiny
JB42
  • MEMBER
  • 3 POSTS
Yes, when the headlights are on the left front and mirror turn signals work. Nothing works on the left rear when head lights are on including left rear running lights.
Was this
answer
helpful?
Yes
No
Friday, October 28th, 2022 AT 11:06 AM
Tiny
JACOBANDNICKOLAS
  • MECHANIC
  • 110,194 POSTS
Hi,

Were you able to locate the ground I mentioned to inspect it?

Let me know. Also, let me know if you have questions or if I can help in any way.

Take care,

Joe
Was this
answer
helpful?
Yes
No
Friday, October 28th, 2022 AT 9:55 PM
Tiny
JB42
  • MEMBER
  • 3 POSTS
Located the ground, no corrosion or breaks that I could see, took it off and cleaned it just to double check. Still have the same issue.
Was this
answer
helpful?
Yes
No
Saturday, October 29th, 2022 AT 2:35 PM
Tiny
JACOBANDNICKOLAS
  • MECHANIC
  • 110,194 POSTS
Hi,

If that checked good, we either have a faulty body control module. Although the headlamps and the rear light are not tied directly together, they both use the BCM to power the different lights. So, I suspect something may have failed internally.

If I had to guess, it is at the BCM. What I suggest is to go to the BCM and check the gray wire with a green tracer for power when the headlamps are on. It will be pin 12 in the pic above in my last post. If there is power at the BCM pin 12, inspect the connector for damage. However, I don't think that is the issue.

I attached the wiring schematic for the headlamps. Take a look through them and you'll see what I mean. The two symptoms don't seem to fit together.

Let me know your thoughts.

Take care,

Joe

See pics below.
Was this
answer
helpful?
Yes
No
Sunday, October 30th, 2022 AT 7:39 PM

Please login or register to post a reply.