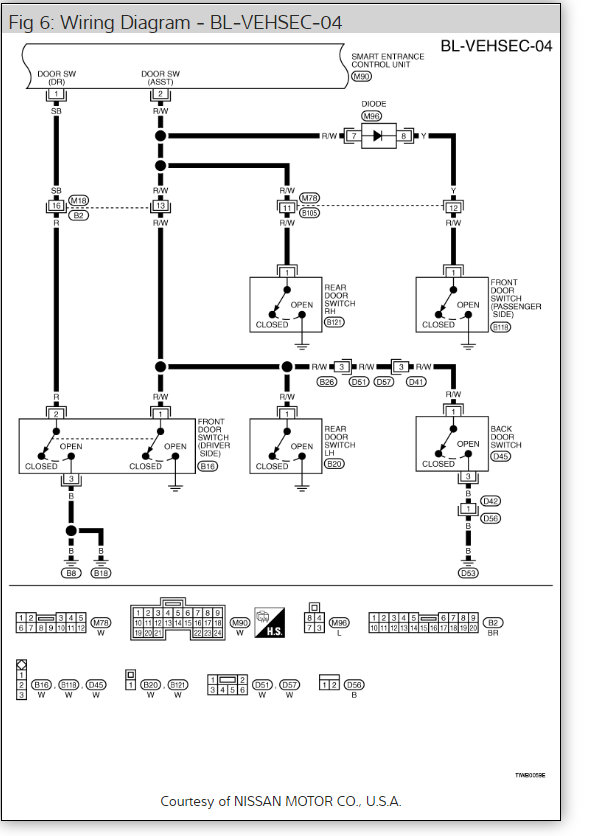
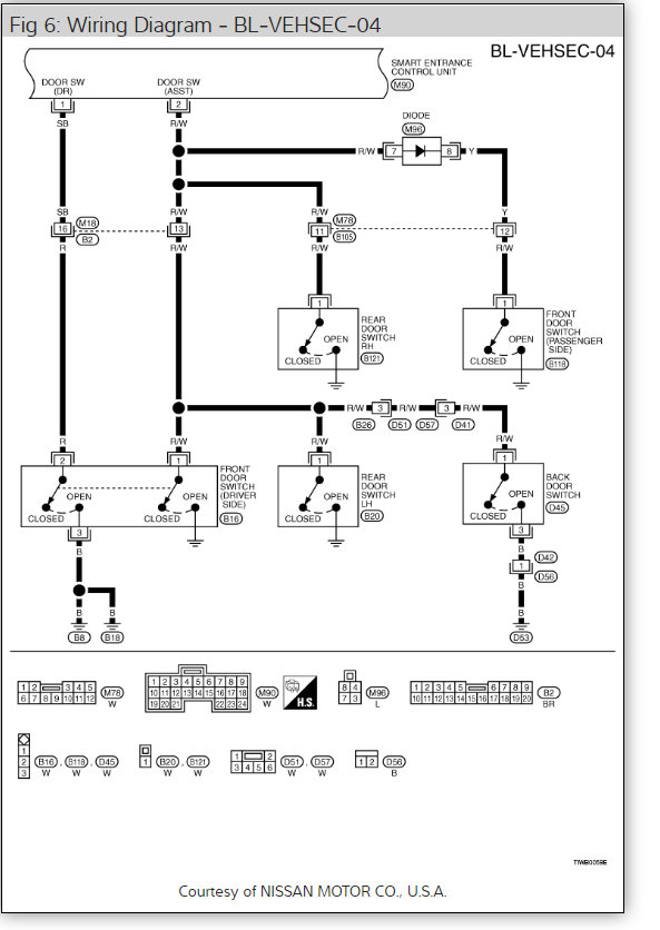
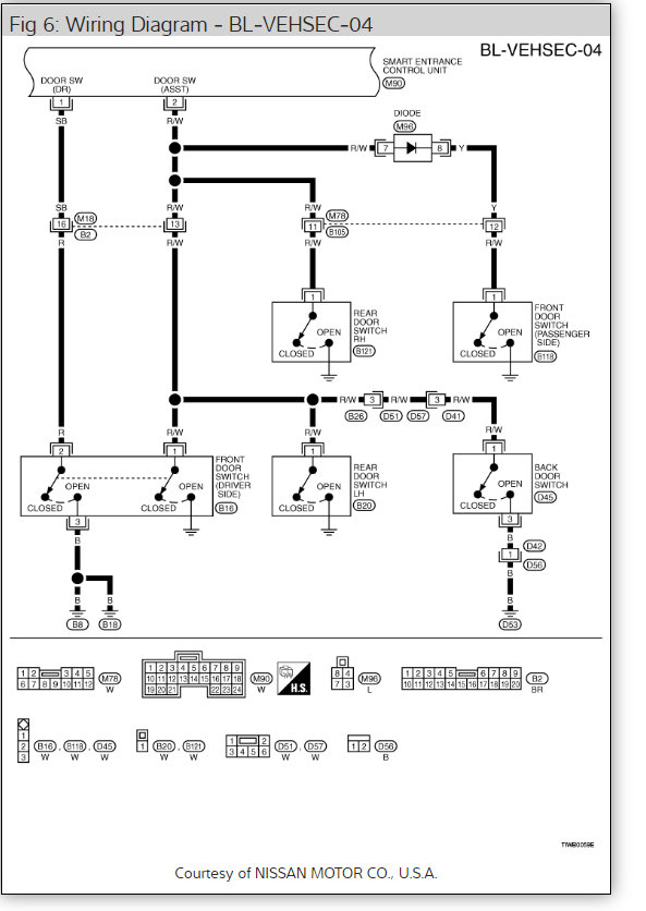
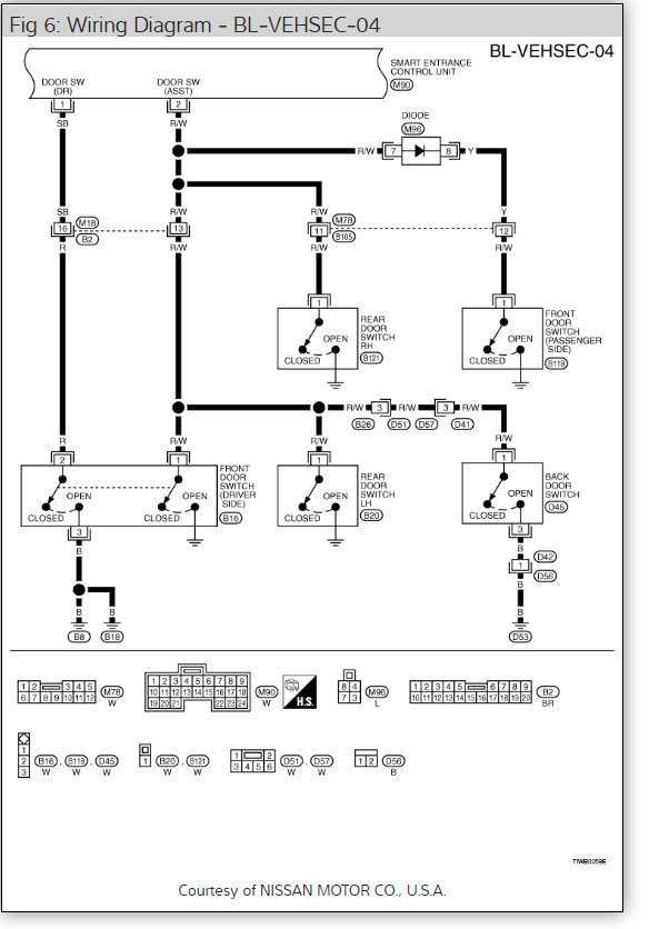
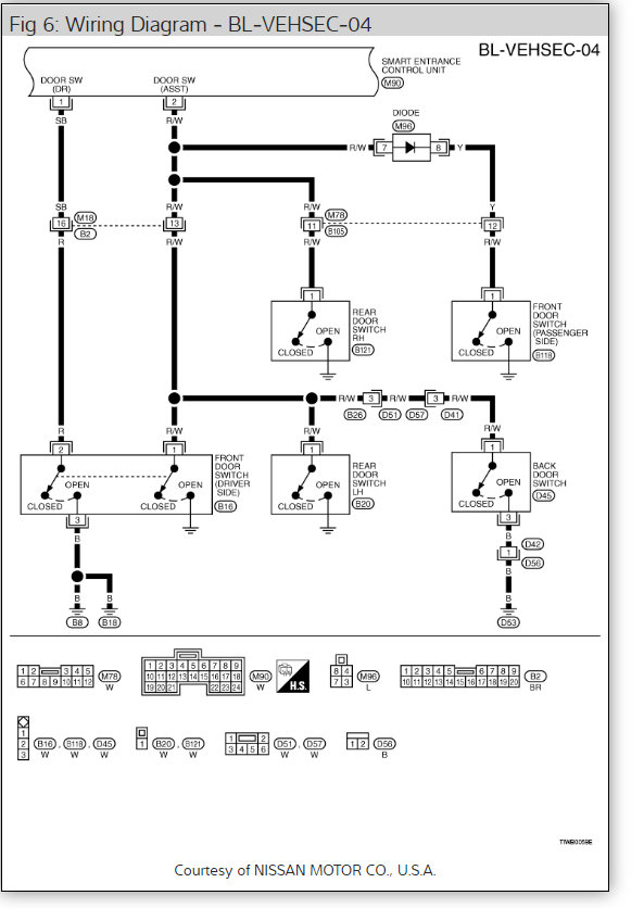
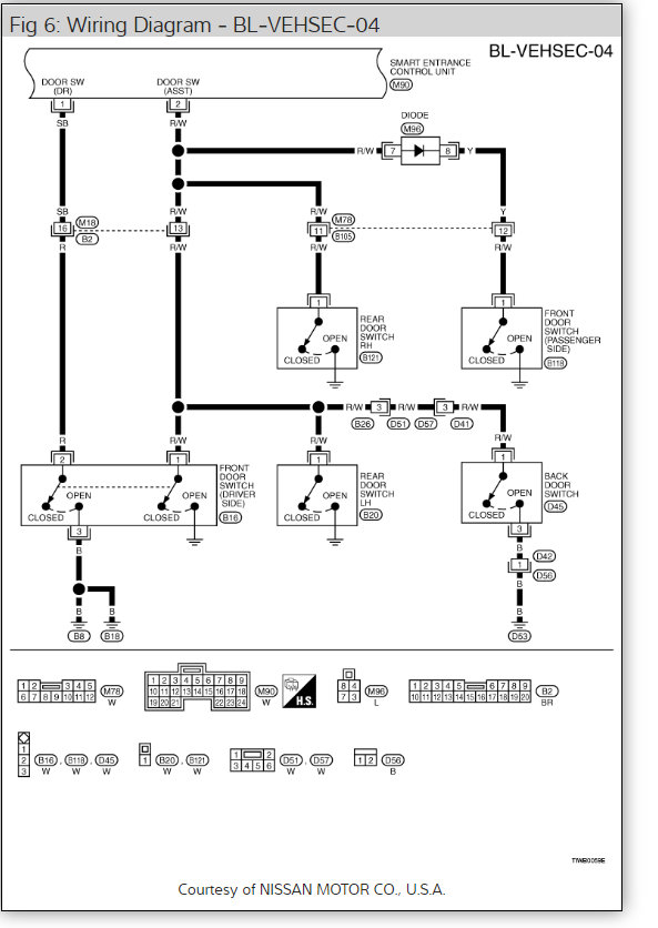
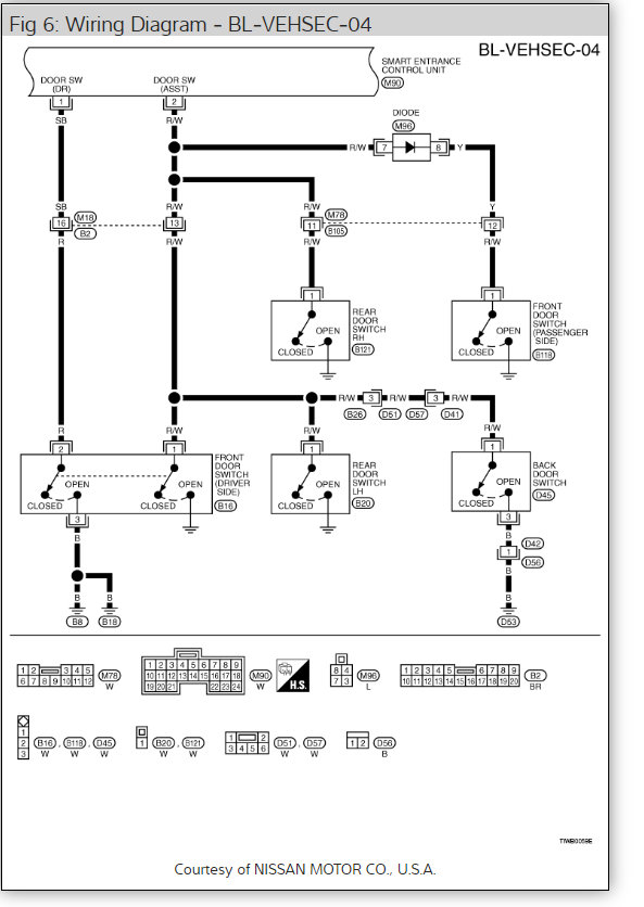
As described in the subject line, the problem is the tailgate actuator not responding. However, when I picked it out and tested it with current directly onto the upper contact, the actuator worked just fine. I have checked all the connections I can find in the rear door, and they all seems to be ok for dirt and corrotion. It is a complete mystery to me -does the rear tailgate actuator have its own fuse?
Furthermore I cannot find any fuse for the centrallocking system at all.
What can the problem be?
Sunday, February 16th, 2014 AT 7:14 AM



